
MONITOR - MONITOR - MONITEUR
Monitor de superficie con pantalla CRT plana de 4" en blanco y negro, llamada
electrónica.
Consulte el manual de usuario del monitor para conocer sus características.
SOPORTE CONEXIONES - CONNECTION RACKET - SUPPORT DE CONNEXIONS
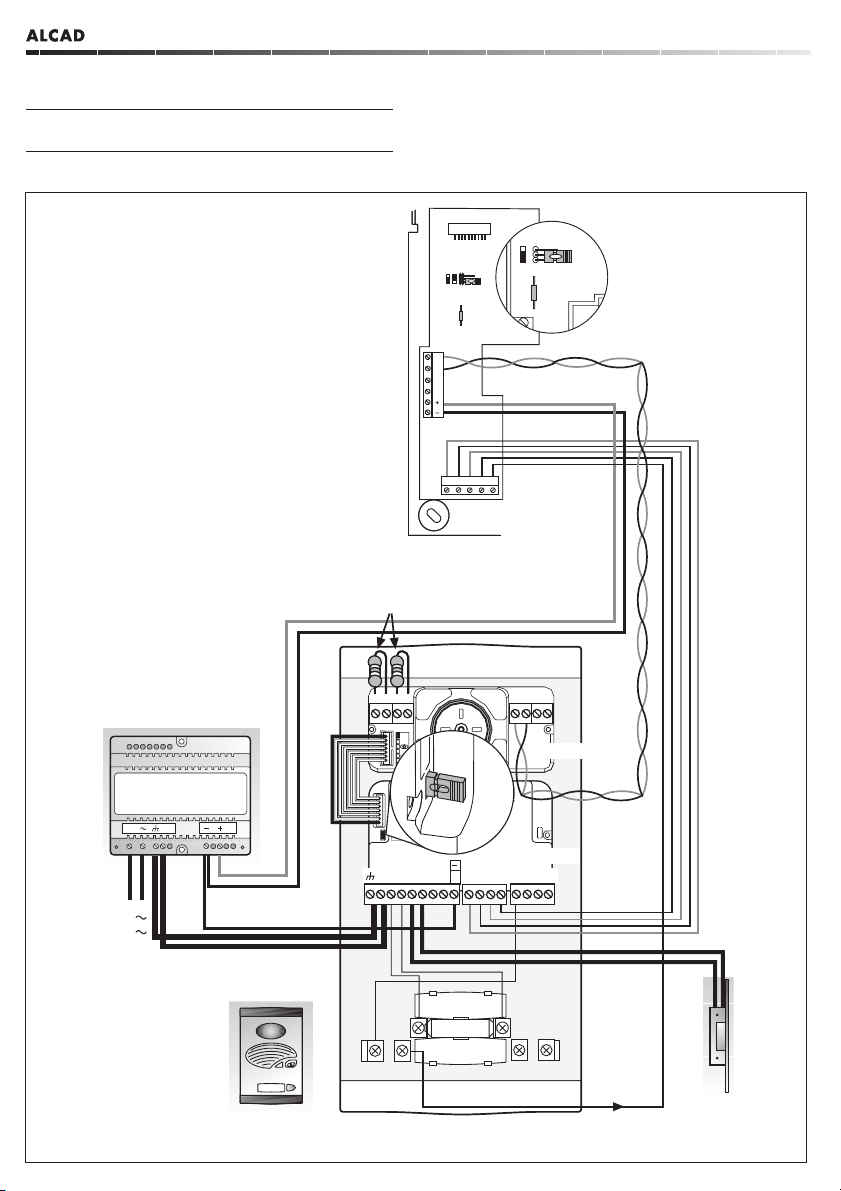
Elemento en el que se realizan todas las conexiones del sistema de videoportero
en la vivienda, permitiendo conectar el monitor de videoportero al resto de la
instalación. Sistema 6+N+par trenzado. Secreto de comunicación.
Dispone de 4 bornas de conexión correspondientes a los pulsadores auxiliares
(P1, P2) del monitor. Limitación conexión: 50 mA@12 Vdc. (Ver dibujo)
Fijación directa a pared o a caja de mecanismos universal.
Element where all the video entry system's connections are done in the dwelling,
allowing connecting the monitor to the rest of the installation. 6+N+twisted pair.
Privacy of conversation.
With 4 connecting terminals corresponding to the monitor's two au iliary push-
buttons (P1, P2). Connection limitations: 50 mA@12 Vdc. (See drawing)
It can be fi ed to a wall or standard electrical bo fi ing.
Pièce où est réalisé les montages des connexions du système du vidéoportier de
l abitation, permettant de connecter le moniteur du vidéoportier au reste de
linstallation. Système 6+N+paire torsadée. Secret de communication.
Il est composé de 4 colonnes de connexions correspondantes aux deux boutons
auxiliaires (P1, P2) du moniteur. Limitation de connexion: 50 mA@12 Vdc. (Voir
dessin).
Fixation directe au mur ou en boîtier d'appareillage universel.
Surface wall-mounted black and white monitor with 4" CRT flat screen, electronic
call.
Refer to the user's manual to know the features of the monitor.
Moniteur blanc et noir en saillie, CRT plat de 4", avec appel électronique.
Consulter le manuel d'utilisation pour obtenir les caractéristiques.
PLACA DE CALLE - ENTRANCE PANEL - PLAQUE DE RUE
Placa de exterior. Aloja en su interior el grupo fónico, la telecámara (blanco y
negro, sensor CCD 1/3") y los grupos de pulsadores. Sistema 6+N+par trenzado.
Secreto de comunicación. Llamada electrónica con confirmación de llamada en
placa.
El grupo fónico (1) permite realizar una llamada al monitor de la vivienda y
mantener una conversación con la vivienda. Activa la telecámara cuando se
pulsa el botón de autoencendido del monitor o cuando se llama desde la
placa de calle. Dispone de regulador de volumen en placa (2) y teléfono/monitor
de la vivienda (3) y pulsador de luz para la placa.
La telecámara (4) permite captar la imagen de la persona que realiza la llamada
desde la placa de calle. Dispone de una salida de video para par trenzado,
iluminación infrarroja para visión nocturna y regulador multidireccional del
ángulo de visión (5) - asta 10o.
Los circuitos electrónicos están protegidos contra cortocircuitos.
Outdoor panel. It holds the audio group, the video unit (black and white, 1/3"
CCD sensor) and the group of push-buttons. 6+N+twisted pair. Confidentiality
feature. The call tone is electronic with confirmation of the call on the entrance
panel.
The audio unit (1) allows you to make calls to the monitor in a house and have
a conversation with the house. It activates the video unit when the auto switch-
on button is pressed in the monitor or when a call is made from the entrance
panel. The audio unit consists of a volume control on the panel (2) and
telephone/monitor and light switch for the panel.
The video unit (4) captures the image of the person who is calling from the
entrance panel in the street. It consists of one video output for twisted pair,
infrared lighting for nocturnal vision and multidirectional controller of the angle
of view (5) - up to 10 o.
The electronic circuits are protected against short-circuits.
1
4
2
3
5
25
24
27
26
P1
P2
VIDEOPORTERO ELECTRÓNICO - VIDEODOOR ENTRY SYSTEMS - VIDÉOPORTIER ÉLECTRONIQUE