VIDEO DOOR INTERCOM SYSTEM
Page 7
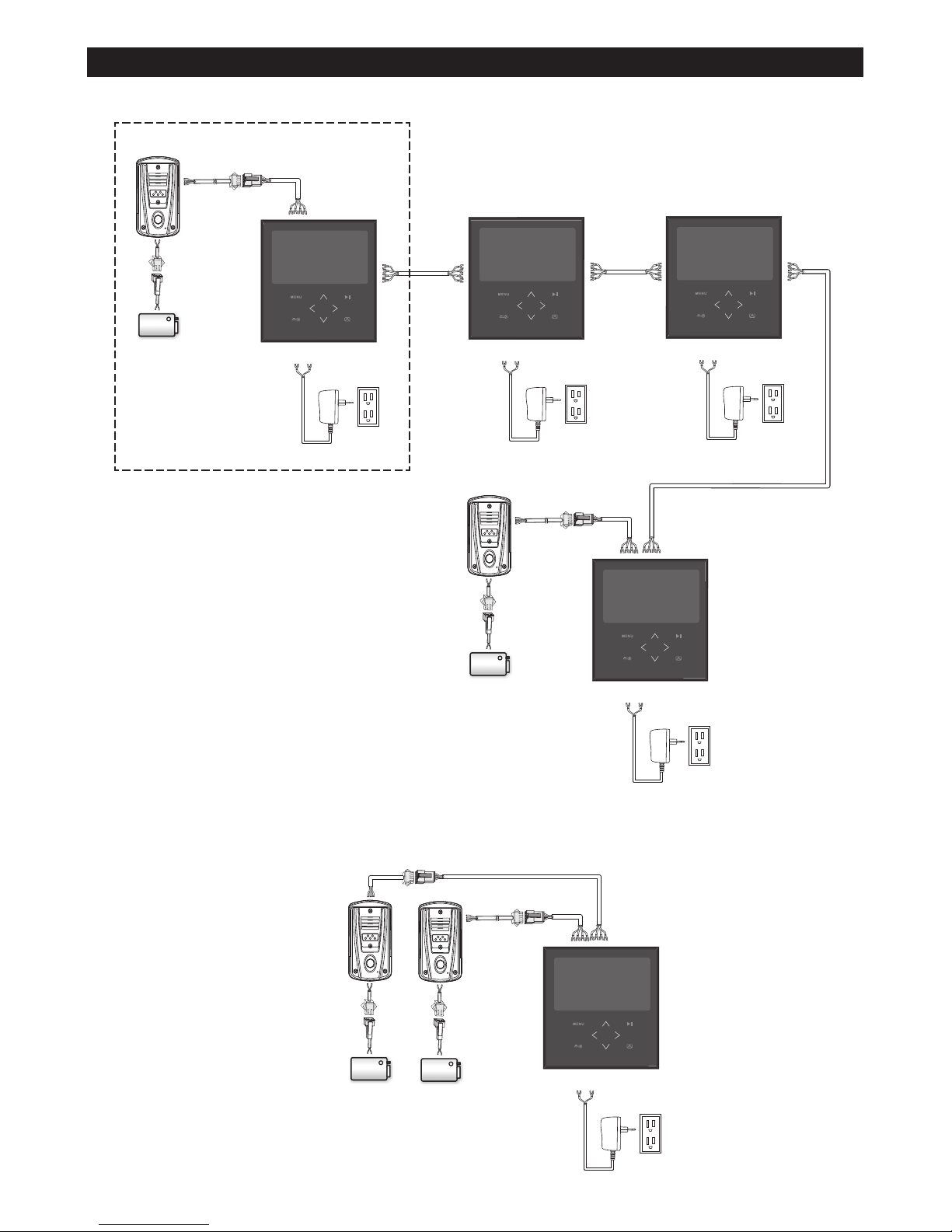
Cabling Requirements
Follow figures 5 and 6 when connecting the base station, camera and door strike. Before operation, double check that
all connections are correct. Incorrect wiring can damage the base station and camera.
Adding A Second Base Station
To add another base station monitor (S 9409A), simply use the 4-wire cable supplied with the additional base
station(s) to connect the new video monitor in parallel with the existing primary monitor.
Carefully insert the additional 4-wire cable terminals on top of the terminals already fitted into the primary base sta-
tion rear connection panel (see Fig 7). The same colour wire goes into the same terminal connection, as per the guide
printed on the rear panel.
When the door bell is rung, BOTH video monitors chime and BOTH show the camera image of the caller at the door.
By pressing the ‘MONITOR’ button on either base station, the resident inside can speak to the visitor. To avoid audio
feedback, keep the base stations well separated. You will also need to connect the power adapter supplied with the
additional base station as per Fig 6. You can add up to THREE (3) additional base stations in this manner.
Adding A Second Outdoor Camera
To add another outdoor camera unit (S 9407), simply connect the 4-wire cable supplied with the accessory to existing
base station, as per Figure 6. Carefully insert the terminals from the extra 4-wire cable on top of the other terminals,
matching the wire colours to each terminal connection. Then join the camera to the base station by connecting their
cables. Only ONE (1) additional outdoor camera can be added to the primary base station in this manner, and only
ONE additional unit can be included in any multipl base station system. See figures 8 and 9.
Adding Both Outdoor Camera And Base Station
To add another base station monitor AND another outdoor camera, follow the procedure outlined above. However, it
might make sense to connect the wire and terminals from the extra camera to the second base station, since this
monitor should be located closer to the second entry, especially if you also install another optional door strike to the
second camera unit.
If the call button is pushed on door camera 2, the chimes will sound on BOTH base stations and the caller’s image will
be displayed on BOTH monitors. By pressing the ‘MONITOR’ button on either base station, the resident inside can
speak to the visitor. See figures 8 and 9.
WARNING: It is important to ensure that terminals from one connection point do NOT touch the terminals from the
adjacent connection points with different coloured wires on the base station rear panel, as this may short circuit the
system and lead to a malfunction.
NOTE: When purchasing additional outdoor cameras or base stations for your system, you must buy the S 9407 and S
9409A products. You cannot expand the system using elements of S 9406A. This is because S 9406A is a primary sys-
tem and is coded as such. Additional cameras and base stations are coded to be slaves.
Optional Door Strike Connection
This unit will operate with a variety of door strikes. A switched 12V DC output is provided via the camera. These door
strikes are designed to have power momentarily applied to them. When the unlock button is pressed 12V will be
momentarily applied to the strike for 4-7 seconds allowing the visitor to enter the door. Once power is removed from
the strike, it reverts to the locked position. In the event of a power failure, the strike will remain locked.