
6
INSTRUCTIONS FOR USE
MAINTENANCE MANUAL for WORKSHOP HYDRAULIC PRESSES
LIABILITY OF PRESS OWNER AND/OR USER
This manual is an integral part of the press and must always accompany it, even in the event of sale. The press owner
and/or user must know the operating instructions and recommendations before using the press. If the operator does
not fully understand the language of this manual, the instructions have to be read and explained in his or her native
language making sure the meaning is understood. The manufacturer shall not be held liable for any damage to
persons or objects due to an improper or non-permitted use of the press.
LIFTING AND HANDLING
The presses have to be handled and positioned using fork-lift trucks or workshop cranes that
support the weight.
STORAGE
The packing has to be kept in a covered and sheltered place at a temperature between -10°C and +40°C.
SAFETY
Do not use the press for purposes other than those for which it was designed.
Do not work alongside pieces while the ram is moving or when it is under pressure.
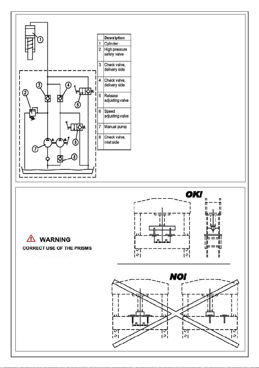
The safety valve is calibrated and sealed by the manufacturer: DO NOT ATTEMPT TO TAMPER WITH IT AND
CHANGE THE SETTING.
FAILURE to OBSERVE these RECOMMENDATIONS may cause even serious damage to the press and/or to the
persons working with it.
THE MANUFACTURER SHALL NOT BE HELD LIABLE FOR DAMAGE TO PERSONS OR THINGS CAUSED BY
IMPROPER USE OF THE PRESS OR OF ITS COMPONENTS.
ERECTION (• operations for all types of presses - n operations only for certain types of presses)
Take the press out of it pluriball wrapping, checking that the machine has not been damaged during transport and that
there are all the pieces indicated in the packing list. The packing material has to be disposed of in compliance with the
regulations in force in the country where the press is being erected or recycled or reused.
■ Fit the feet to the body of the press by screwing them on with the nuts and bolts supplied (Fig. 1).
Only for press 3027/10: secure the press to a at workbench with a suitable loading capacity by means of through
bolts and nuts.
■ For all other models position the press on a at and fully levelled surface. Inside the feet there are two holes for
xing to the ground by using expansion plugs of a large cross-section.
● Remove the cap on the top of the ram, seal the thread of the pressure gauge with Teon and screw the pressure
gauge onto the ram, tightening it with a spanner until it is fully locked (Fig. 2).
● Spread a thin lm of oil on the press workbench support pins.
Only for press 3027/30 e 3027/50: unscrew the handle of the winch; the handle is supplied upside-down for
increased packaging convenience; screw it properly, and tighten it with a wrench. Slightly grease the pins of the
winch.
OPERATING INSTRUCTIONS
● Before operating the press, replace the oil plug (ref.A, g.4) on the cylinder with the holed one (ref.B, g.4)
supplied by the manufacturer.
● Position the bed of the press (ref. 1, Fig. 3) at the desired height, lifting it rst on one side and inserting one of
the pins (2) into the hole in the press body directly beneath, then repeating this step for the other side as well.
■ Position the pins (2) at the desired point.
Only for press 3027/30 e 3027/50: operate the winch to lift the bed.
3027-10-20-30-50.indd 6 13/11/15 17:09