23
Features:
!Distinctive telephone ring
!LED status indicators
!RJ-45 connections for input and output
!Compatible with Channel Vision’s DP and IU door stations
The P-0920 must be used together with a compatible door intercom
station. Channel Vision offers a variety of compatible units such as the
popular IU-series and DP-series intercom stations. For example, model
DP-0212 is compatible.
Important Exceptions:
Channel Vision offers some IU-series and DP-series intercom stations
that are only compatible with Panasonic KSU phone systems. These
model numbers, which end with the letter “P”, will NOT WORK. For
example, model DP-0212P is NOT COMPATIBLE.
The P-0920 is installed in-line between your telephone service provider
and your telephone distribution system. A compatible door intercom
station is installed and connected to the P-0920. When the door
intercom’s button is pressed, the phones in the house will ring, if the
phone is answered within 20 seconds you will be automatically connected
to door intercom station. If you wish to contact the door intercom station
after 20 seconds has passed, pick up the phone and dial ** (or ##
depending your configuration).
If you are using the optional TE110DS door strike relay module, it can be
activated by dialing the appropriate touch-tone code (see the user’s guide
section) or by pressing a button that is connected to the “Unlock Door”
terminals. You can use the “Unlock Door” terminals If you would like to be
able to open an access gate from outside of the house without using a
telephone. Simply wire a standard push button to these terminals that will
provide a momentary short when the button is pressed.
Use the “Chime” terminals if you would like to use a traditional doorbell
chime in addition to ringing the telephones when the door intercom button
is pressed.
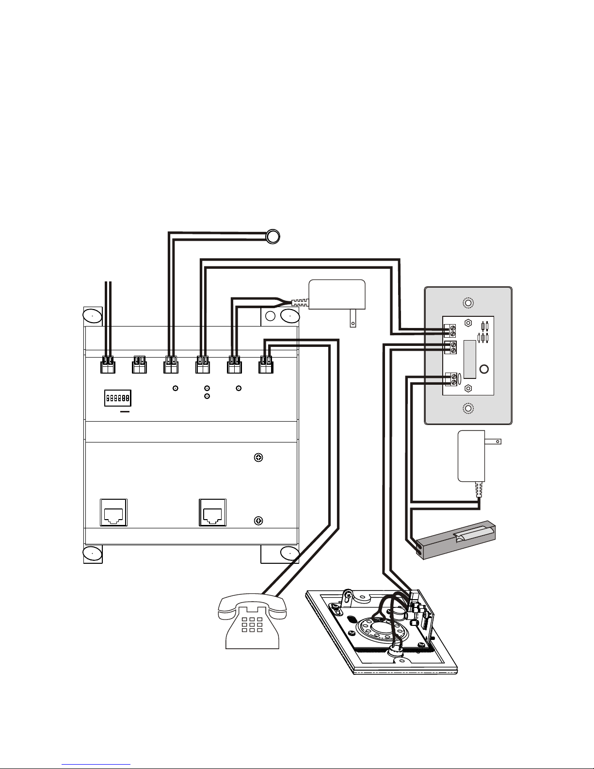
For convenience, there are two different ways to connect the active
phone line input and telephone output.
Option 1: connect the active phone using a single pair of wires to the wire
terminals labeled “CO Input”. Then connect a single pari of wires to the
wire terminals labeled “Telephone” and connect the other end of those
wires to your telephone distribution wiring system.
Option 2: use the RJ-45 jacks to connect the “CO Input” and “Telephone”
output. This option simplifies wiring because CAT5 jumper cables can be
used to interconnect the P-0920 with other Channel Vision telephone
modules.
Compatibility
How it Works
Wiring Options
The P-0920 is a telephone entry controller that works with Channel
Vision’s IU and DP series door stations to create an elegant door
intercom system. When the doorbell button is pressed, the phones will
ring. Simply answer the phone and you will be able to speak to the
person at the door.
Phone line in from the service provider CO (Central Office).
Dry contact that closes when the doorbell button is pressed.
Configuration switches
(see basic setup).
RJ-45 input for CO lines and output to Telephones.
These allow pass-through of 4 telephone lines.
Note: only line 1 is affected by the telephone entry controller.
Important: The RJ-45 input and output cannot be used if
there is a CO line connected to the wire terminal input.
Connect a standard push-button. When the button is pressed
the door strike relay will be activated.
Note: TE110DS is sold separately.
Connect a compatible door intercom station.
Ring LED
Flashes when phones ring.
Intercom Active LED
Lights when door
intercom station is in use.
Strike Active LED
Lights when the door
strike relay has been
activated.
Connect the 12VAC power supply (included).
Output to telephones.
Strike
Active
Ring
Intercom
Active
12VAC
#
or
*
No CO
Strike
Time
3/5 rng
1
2
3
PowerIntercomUnlock
Door
Chime
CO Input Phones
TELEPHONE ENTRY CONTROLLER
CO Input Telephones
Model
P-0920 PRO
CH A N N E L
TM
VI S I O N
CH A N N E L
VI S I O NTM