8
Installation
Mechanical
Both the CAM-16 and CAS-16 are suitable for mounting in
a standard 19” equipment rack. Each occupies two units of
rack space (2U). The units are 170 mm deep, but the rack
should have at least 235 mm of depth available to permit
clearance of the rear panel connectors. Wherever possible,
avoid positioning the units in close proximity to strong
magnetic elds or equipment which may operate at a high
temperature (e.g., high-power ampliers).
The CAM-16 and CAS-16 are both convection-cooled
and generate no signicant heat. Apart from observing the
guideline above (re hot-running equipment), no special
provision for ventilation need be made. However, note
that it is good practice not to enclose any rack containing
electronic equipment in an enclosed or sealed space, such as
a cupboard.
Connections and adjustments
Power supply
Both the CAM-16 and CAS-16 operate from external
in-line transformers, which are supplied with each unit.
The transformer outputs are in the form of a ying lead
terminated with a 2.2 mm coaxial connector. Plug this into
the POWER INPUT socket 16 on the rear of the unit. Plug
the transformers into a suitably positioned AC power socket
within the rack.
Only use the in-line transformers supplied with the units.
Only use one transformer per unit – do not attempt to wire
multiple units to a single transformer.
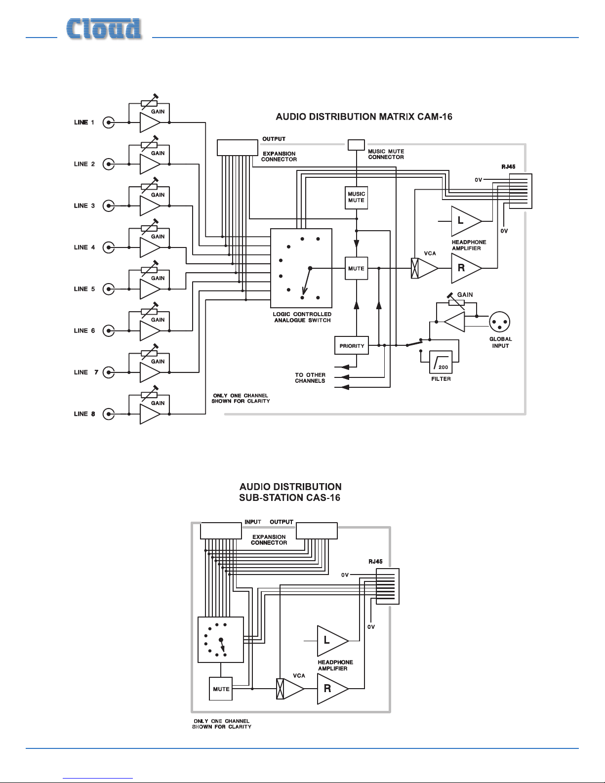
Line inputs
The CAM-16 has eight stereo line inputs; these are suitable
for most music sources such as CD and DVD players, TV
receivers, MP3 players, music servers, etc. All the inputs are
unbalanced and use phono (RCA) sockets 3. The input
impedance is 47k ohms. If possible, install the music sources
in the same rack so that the length of the connecting cables
is as short as possible.
Sensitivity and gain adjustments
Each line input has a preset gain control 4on the rear
panel, adjacent to the respective input. The input sensitivity
can be varied from –14 dBu (155 mV) to +6 dBu (1.55 V).
The gain of each input should be set using the SIGNAL
LED 5. With the music sources playing, increase the gain
control from the fully anti-clockwise position until the LED
illuminates briey on signal peaks. Repeat this process for
the other inputs in use. This process ensures that all the
inputs are at roughly the same level in the matrix, and there
will be no irritating change in headphone volume when
switching between sources. Do not increase the gain further
as this may result in a distorted signal when the RH-8 or
WP-8 volume control is set to maximum.
Global input
A ‘global’ microphone/line input is provided to permit
system-wide paging, announcements or emergency messages.
The global signal is routed to all headphone ampliers with
automatic priority over the music signal.
The input stage is electronically-balanced, and congured
for optimum noise performance. The global signal is mixed
into the signal path before the volume control stage,
so that announcements are heard at the user-set level.
The input impedance is 5k ohms and is suitable for 600
ohm microphones and general line level signals. The input
connector is a standard XLR3F, located on the rear panel 6.
The global input is compatible with general purpose paging
microphones tted with a ‘push-to-talk’ switch, or open-
collector ‘mic active’ output, which should be connected
to the Access Input 9. To enable the global input, the two
pins of the Access Input should be shorted together. If the
input is to be used for purposes other than paging, it will
be necessary to permanently link pins 1 and 2 on the 4-way
screw-terminal connector to make the input continuously
active. (Note that pins 3 and 4 of this connector are
concerned with the separate Remote Music Mute function –
see “Remote Music Mute” on page 9).
2 1
3
2 1
3
1234
WIRING THE GLOBAL OUTPUT
BALANCED
UNBALANCED
ACCESS
CONTACT
CLOSE CONTACT
TO OPEN
GLOBAL INPUT
GROUND (SCREEN)
REV-PHASE (-)
IN PHASE (+)
GROUND (SCREEN)
NO CONNECTION TO PIN 3
HOT (+)
The global input can be used for both microphone and line signals
Use the high pass filter for improved speech clarity
Note that if feeding the global input from an unbalanced
source, pins 1 and 3 should be linked on the mating XLR
plug as shown above.
Gain control
A gain control of the preset type 7 is located next to the
input socket. The gain range is 0 to 50 dB. This range allows
direct connection of both microphones and units with line
level outputs (such as radio mic receivers) without the
need for additional attenuation. A high overload margin is
maintained at all gain settings.
Hi-pass lter
A switchable high-pass lter 8 is provided for the global
input; this can help improve speech intelligibility with paging
mics by attenuating breath blasts and low frequency handling
noise. The lter has a -3 dB frequency of 200 Hz and a slope
of 18 dB/octave. If the global input is used for music, the
lter should be switched ‘out’.