
coltPUTER PROCESS CONTROLS, rNC.
8RO EXPANSION BOARD
The CPC 8RO Expansion Board is an optional add-on board available for
the CPC L6O2 Monitor and Controt Unit (UCU). The 8RO Expansion Board
provides the L6O2 with an additional 8 Relayed Outputs (RO) and at
present 3 boards may be added to the 1602 UCU. Whether locaI to
the L602 or on an 8RO board, the L6OZ outputs are all programmed and
operate in the same way as described in the nL6O2 Monitor and Control
Systemrr manual.
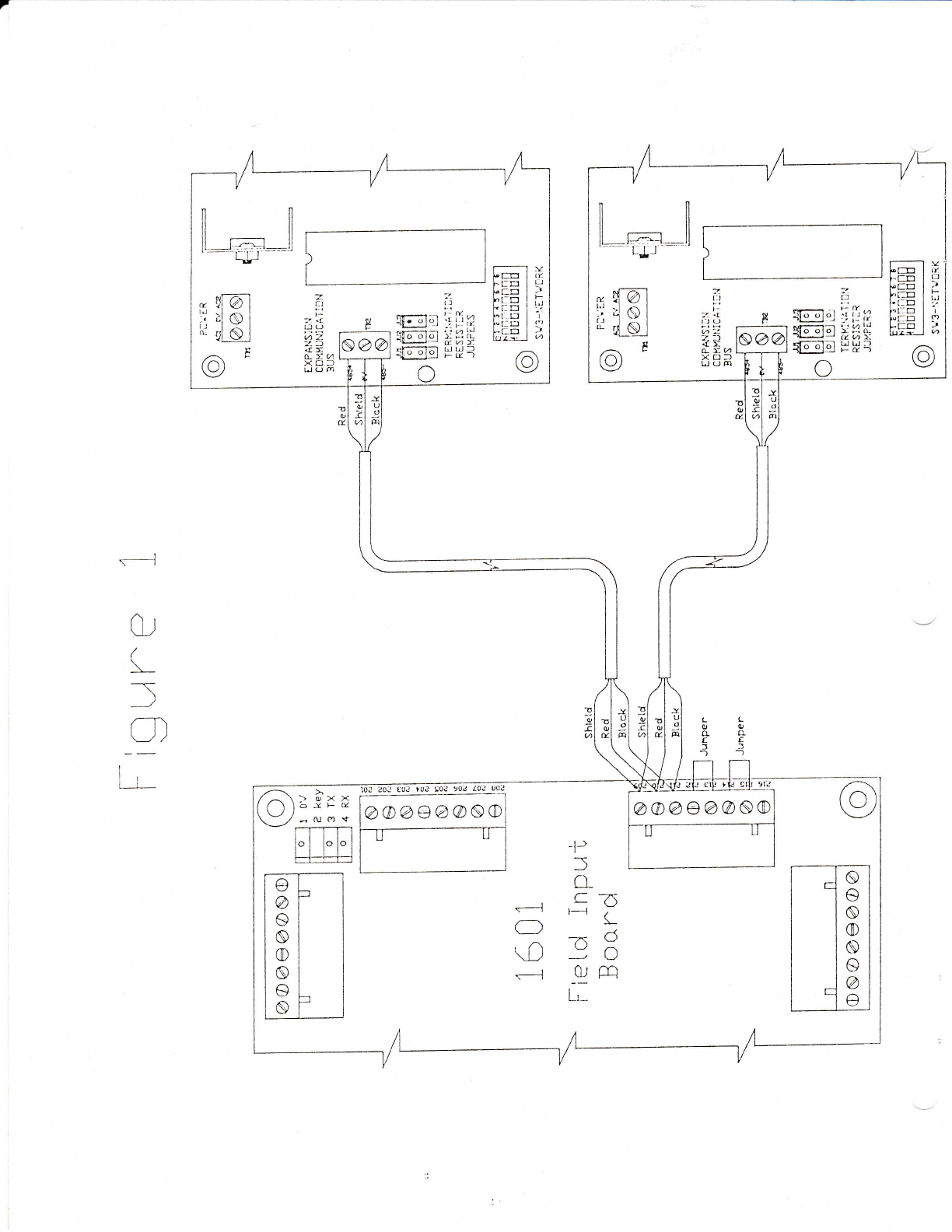
The 8RO is connected to the J 6O2 by way of the trExpansion
Communi-cation Bustt l.lhich means the 8RO boards can be mounted where the
devices being controlled are located. This rrremote locationrr feature
will decrease the installation time and cost since only a
communication cable is reguired to connect the 8RO to a 1-602 MCU.
Microprocessor
Communications
Power Requirement
Field Outputs
Features
SPECIFICATIONS
8751- Microcontroller
RS-485 Interface operationg at
1200, 24OA, 4800, or 9600 baud
10VAC, 8 volt-amps (0.8A) from
2O volt center-tap transformer
8 Outputs, 24OV maximum, 2A per
output
When multiple outputs are used,
the output currents must be
derated so that the total volt-
amps of the input power (7.5 VA)
and outputs does not exceed 2000
VA. For example, when using all I
outputs at 208 volts, 1-992 VA is
available for the outputs, r*hich
is 1-.2 amps maximum per output.
Switch selectable network ID
Switch selectable baud rate
Jumper selectable N.O./N. C. outputs
8 LED output state indicators
LED power/communication indicator