
-10-
Safety Instructions to the Operator:Safety Instructions to the Operator:
Safety Instructions to the Operator:Safety Instructions to the Operator:
Safety Instructions to the Operator:
1.
KNOW YOUR CTD SAW
. Read this instruction manual carefully. Learn the operation, application, and
limitations, as well as the specific potential hazards peculiar to this machine.
2. Avoid accidental starting. Make sure switch is OFFOFF
OFFOFF
OFF before plugging in power cord. A Dual Magnetic
Starter is provided to give the operator added protection.
3. Always use a plug equipped with a ground.
4. Always keep blade guard in place. Do not wire-up or chain-up, so that blade is exposed.
5. Be sure all unnecessary tools are removed from machine before turning on power.
6. Use safety goggles. Also use a face or dust mask if operation is dusty.
7. Support work. To maintain control of work at all times, it is necessary that material be level with cutting
surface.
8. Wear proper apparel. Do not wear loose clothing or jewelry. Do not wear a tie or gloves. These items can
get caught in the moving parts of the machine.
9. Do not over-reach. Keep your proper footing and balance at all times.
10. Maintain your machine in top condition. Use proper blades. Clean machine weekly for proper maintenance.
11. Keep work area clean. Cluttered areas, benches and slippery floors invite accidents.
12. Avoid dangerous environments. Keep work area well illuminated.
13. Wear ear protection if exposed to long periods of very noisy shop operations.
14. Keep visitors away. All visitors should be kept a safe distance from work area.
15. Do not force the machine. The saw will do a better job and be safer to operate at the speed for which it was
designed. Forcing the saw can be very hazardous to the operator.
16. Use recommended accessories. Use of other accessories may be hazardous. Use this instruction manual or
consult CTD for the proper accessories available.
17. Do not drown the blade using a steady stream of coolant when cutting non-ferrous materials. Only spray
the work to cool it.
18. Be sure to use the proper blade for the particular material to be cut.
19. Disconnect power cord before adjusting, servicing, and before changing belts, or for installing accessories.
20. Safety is a combination of operator
COMMON SENSE
and
ALERTNESS
at all times when the machine is
being used.
21.
WARNING!!!WARNING!!!
WARNING!!!WARNING!!!
WARNING!!! DO NOT ALLOW FAMILIARITY (GAINED FROM FREQUENT USE OF YOUR SAW)
TO DULL YOUR AWARENESS!! ALWAYS REMEMBER THAT A CARELESS FRACTION OF A SECOND
IS SUFFICIENT TO INFLICT SEVERE INJURY!!
TT
TT
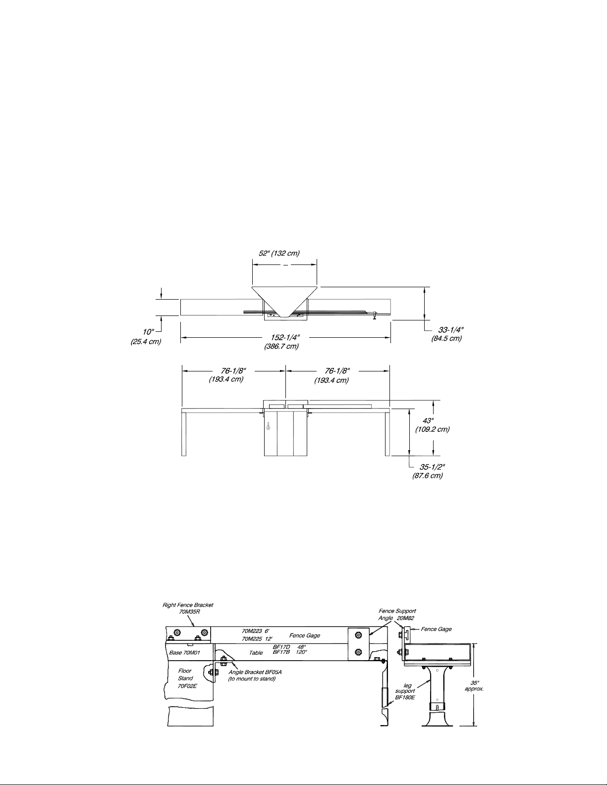
Trouble Shooting the Pneumatic System for the DMC70 Cross-Cut Sawrouble Shooting the Pneumatic System for the DMC70 Cross-Cut Saw
rouble Shooting the Pneumatic System for the DMC70 Cross-Cut Sawrouble Shooting the Pneumatic System for the DMC70 Cross-Cut Saw
rouble Shooting the Pneumatic System for the DMC70 Cross-Cut Saw:
If there is no control over the speed of the cylinder stroke:
A. Replace either Left or Right Flow Control Valve (see exploded view on page 22, item #23). Another possible
cause are bad seals in the air cylinder. Listen for any air leakage.
B. If machine cycle will not start, or will not reverse, check the two-hand control buttons. Also, check for any
mechanical binding. Disconnect electricity and air supply from the machine. Manually move saws forward and back to
check for binding of the saw or feed mechanism. If machine is bound up, clear the blockage.
Remember, there is an
Interlock switch located under the hinged blade guard. The blade guard must be solidly in place and the bolts
tightened for the machine to operate.