
8W-30 FUEL/IGNITION SYSTEM
Component Page
Assembly-Exhaust Gas Recirculation
Valve ..........................8W-30-18
Assembly-Natural Vacuum Leak
Detection .......................8W-30-15
Assembly-Transmission Solenoid/TRS . . . 8W-30-23
Capacitor-Ignition ...................8W-30-7
Clockspring ........................8W-30-22
Cluster ............................8W-30-4
Coil-Ignition-No. 1 ................8W-30-9, 12
Coil-Ignition-No. 2 ..............8W-30-9, 10, 11
Coil-Ignition-No. 3 ................8W-30-9, 12
Coil-Ignition-No. 4 ...............8W-30-10, 11
Coil-Ignition-No. 5 ................8W-30-9, 12
Coil-Ignition-No. 6 ...............8W-30-10, 11
Coil-Ignition-No. 7 ................8W-30-9, 12
Coil-Ignition-No. 8 ...............8W-30-10, 11
Data Link Connector ................8W-30-13
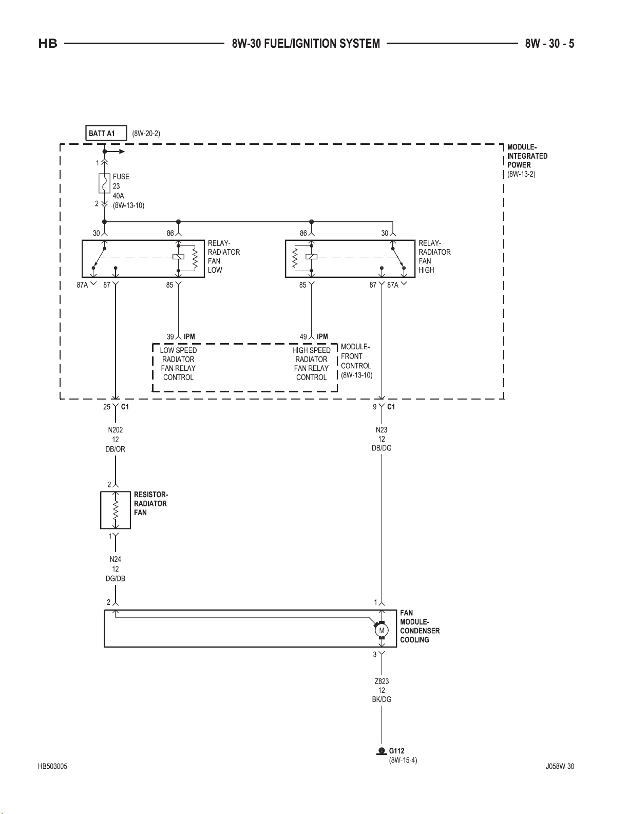
Fan Module-Condenser Cooling .........8W-30-5
Fuse 10............................8W-30-6
Fuse 16............................8W-30-2
Fuse 18 .......................8W-30-2, 3, 21
Fuse 22 ..........................8W-30-2, 6
Fuse 23............................8W-30-5
Fuse 27............................8W-30-4
Fuse 34............................8W-30-2
G100 .....................8W-30-2, 14, 18, 20
G112..............................8W-30-5
G114...........................8W-30-4, 15
Generator .........................8W-30-15
Injector-Fuel-No. 1 ................8W-30-7, 12
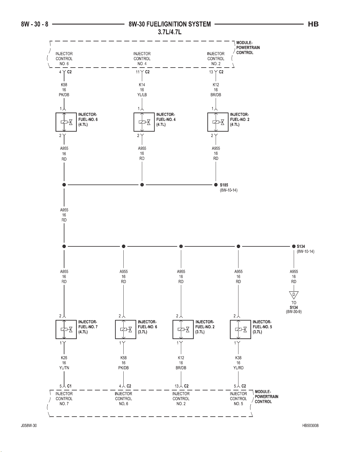
Injector-Fuel-No. 2 ................8W-30-8, 11
Injector-Fuel-No. 3 ................8W-30-7, 12
Injector-Fuel-No. 4 ..............8W-30-7, 8, 11
Injector-Fuel-No. 5 ..............8W-30-7, 8, 12
Injector-Fuel-No. 6 ................8W-30-8, 11
Injector-Fuel-No. 7 ................8W-30-8, 12
Injector-Fuel-No. 8 ................8W-30-7, 11
Junction Block .........8W-30-2, 3, 13, 20, 21, 22
Module-Antilock Brakes ..............8W-30-20
Component Page
Module-Front Control ..............8W-30-5, 13
Module-Fuel Pump .................8W-30-3, 4
Module-Integrated Power ..........8W-30-3, 4, 5
Module-Powertrain Control . . 8W-30-2, 3, 6, 7, 8, 9,
10, 11, 12, 13, 14, 15, 16,
17, 18, 19, 20, 21, 22, 23
Motor-Iac .........................8W-30-17
Power Distribution Center .........8W-30-2, 3, 6
Relay-A/C Clutch ...................8W-30-21
Relay-Auto Shut Down ..............8W-30-6, 7
Relay-Fuel Pump ....................8W-30-3
Relay-Radiator Fan High ..............8W-30-5
Relay-Radiator Fan Low ...............8W-30-5
Relay-Starter Motor .................8W-30-23
Resistor-Radiator Fan ................8W-30-5
Sensor-Accelerator Pedal Position ......8W-30-21
Sensor-Camshaft Position .............8W-30-15
Sensor-Crankshaft Position ...........8W-30-15
Sensor-Engine Coolant Temperature. . 8W-30-17, 18
Sensor-Intake Air Temperature ......8W-30-17, 18
Sensor-Knock ......................8W-30-17
Sensor-Knock No. 1 .................8W-30-19
Sensor-Knock No. 2 .................8W-30-19
Sensor-Map .....................8W-30-16, 18
Sensor-Oxygen-Left Front.............8W-30-14
Sensor-Oxygen-Left Rear .............8W-30-14
Sensor-Oxygen-Right Front ...........8W-30-14
Sensor-Oxygen-Right Rear ............8W-30-14
Sensor-Throttle Position ..............8W-30-16
Sensor-Transmission Range ...........8W-30-23
Servo-Speed Control .................8W-30-23
Solenoid-EVAP/Purge .................8W-30-3
Switch-Oil Pressure .................8W-30-15
Switch-Power Steering Pressure ........8W-30-20
Switch-Speed Control-Left ............8W-30-22
Switch-Speed Control-Right ...........8W-30-22
Switch-Stop Lamp ..................8W-30-20
Throttle Body ......................8W-30-19
HB 8W-30 FUEL/IGNITION SYSTEM 8W - 30 - 1