
Operating instructions
D3G146-LT13-30
Translation of the original operating instructions
4. CONNECTION AND START-UP
4.1 Connecting the mechanical system
CAUTION
Cutting and crushing hazard when removing blower
from packaging
→ Carefully remove the blower from its packaging by grasping
hold of the housing. Never subject to impact.
→ Wear safety shoes and cut-resistant safety gloves.
NOTE
Damage to device from vibration
Bearing damage, reduced service life
→ Forces or impermissibly high vibration levels must not be
transmitted to the fan from system components.
→ If the fan is connected to air ducts, it should isolated from
vibrations, for example using compensators or similar
elements.
→ Fasten the fan to the substructure without distorting it.
;Check the device for transport damage. Damaged devices must no
longer be installed.
;Install the undamaged device according to your application.
CAUTION
Possibility of damage to the device
Serious damage may result if the device slips during assembly.
→ Keep the device fixed in position at the installation location
until all attachment screws have been tightened.
●The fan must not be strained on fastening.
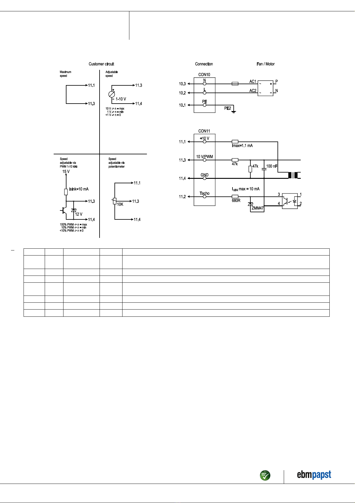
4.2 Connecting the electrical system
DANGER
Electric voltage on the device
Electric shock
→ Always install a protective earth first.
→ Check the protective earth.
DANGER
Incorrect insulation
Risk of fatal injury from electric shock
→ Use only cables that meet the specified installation
requirements for voltage, current, insulation material, load etc.
→ Route cables such that they cannot be touched by any
rotating parts.
DANGER
Electrical load (>50 µC) between mains wire and
protective earth connection after switching of the supply
when switching multiple devices in parallel.
Electric shock, risk of injury
→ Make sure that sufficient protection against accidental contact
is provided.
Before working on the electrical connection, the
connections to the mains supply and PE must be shorted.
CAUTION
Electrical voltage
The device is a built-in component and features no electrically
isolating switch.
→ Connect the device only to circuits that can be switched off
using an all-pole disconnecting switch.
→ When working on the device, you must switch off the
system/machine in which the device is installed and secure
it from being switched on again.
NOTE
Water penetration into leads or wires
Water enters at the cable end on the customers side and can
damage the device.
→ Make sure that the cable end is connected in a dry
environment.
Connect the device only to circuits that can be switched off
using an all-pole disconnecting switch.
4.2.1 Prerequisites
;Check that the data on the type plate match the connection data.
;Before connecting the device, ensure that the supply voltage matches
the operating voltage of the device.
;Only use cables designed for current according to the type plate.
For determining the cross-section, follow the basic principles in
accordance with EN 61800-5-1. The protective earth must have a
cross-section equal to or greater than the outer conductor cross-
section.
We recommend the use of 105°C cables. Ensure that the minimum
cable cross-section is at least
AWG26/0.13 mm².
Protective earth contact resistance as per EN 60335
Compliance with the resistance specifications as per EN 60335 for the
protective earth connection circuit must be verified in the application.
Depending on the installation situation, it may be necessary to connect
an additional protective earth conductor by way of the extra protective
earth terminal provided on the device.
4.2.2 Idle current
Because of the EMC filter integrated for compliance with EMC
limits (interference emission and interference immunity), idle
currents in the mains cable can be measured even when the
motor is at a standstill and the mains voltage is switched on.
●The values are typically in the range < 50 mA
●At the same time, the effective power in this operating state
(operational readiness) is typically < 2 W.
4.2.3 Residual current operated device
If the use of a residual current device (RCD) is required in your
installation, only pulse current-sensitive and/or universal
residual current devices (type A or B) are permissible.
Residual current devices (RCD) cannot provide personal safety
while operating the device, as is also the case with frequency
converters. When the device power supply is switched on,
charging current pulses from the capacitors in the integrated
EMC filter can lead to the instant triggering of residual current
devices. We recommend residual current circuit breakers
(RCCB) with an activation threshold of 300 mA and delayed
tripping (super-resistant, characteristic K).
Item no. 53670-5-9970 · ENG · Revision 230387 · Release 2021-03-29 · Page 6 / 11
ebm-papst
Mulfingen
GmbH
&
Co.
KG
·
Bachmühle
2
·
D-74673
Mulfingen
·
Phone
+49
(0)
7938
81-0
·
Fax
+49
(0)
7938
81-110
·
[email protected] ·
www.ebmpapst.com