
Chengdu Ebyte Electronic Technology Co., Ltd. E03-W05A User Manual
Copyright ©2012–2018,Chengdu Ebyte Electronic Technology Co., Ltd
Contents
Chapter 1 Overview........................................................................................................................................................3
1.1 Introduction.......................................................................................................................................................3
1.2 Features.............................................................................................................................................................3
1.3 Application scenarios........................................................................................................................................4
Chapter 2 Specifications.................................................................................................................................................5
2.1 Limit parameters...............................................................................................................................................5
2.2 Operating parameter......................................................................................................................................... 5
Chapter 3 Size and pin definition................................................................................................................................... 6
Chapter 4 Basic Operation..............................................................................................................................................7
4.1 Hardware design............................................................................................................................................... 7
4.2 Software writing............................................................................................................................................... 8
Chapter 5 Basic Application........................................................................................................................................... 9
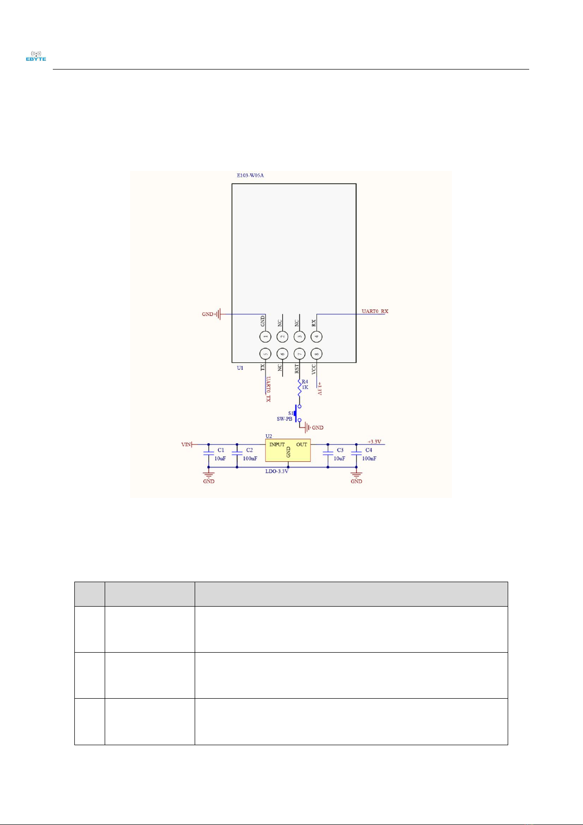
5.1 Basic circuit...................................................................................................................................................... 9
5.2 Basic usage....................................................................................................................................................... 9
Chapter 6 Quick Start................................................................................................................................................... 10
6.1 Preparation before configuration....................................................................................................................10
6.2 Application of TCP Server under AP............................................................................................................. 10
6.2.1 Application description........................................................................................................................10
6.2.2 Network Model....................................................................................................................................11
6.2.3 Parameter configuration...................................................................................................................... 11
6.3 The application of the TCP Client module working under STA....................................................................16
6.3.1 Application description........................................................................................................................16
6.3.2 Network Model....................................................................................................................................16
6.3.3 Parameter configuration...................................................................................................................... 16
6.3 The use of one-key distribution network (AIRKISS).................................................................................... 20
6.3.1 Network distribution preparation........................................................................................................ 21
6.3.2 Host computer configuration...............................................................................................................21
6.4 GPIO configuration........................................................................................................................................ 22