Page 3
Table of Contents Page(s)
J2KN PRO DESIGN AND HOW IT WORKS
1. Important Things to Remember…………………………………………4
2. Instrument Design
2.1. J2KN Pro Base Unit………………………………………………5
2.2. Remote Display Unit …………………………………………….6
2.3. Accessories…………………………………………………………7
2.4. Consumables……………………………………………………….8
3. Peltier Cooler ..…………………………………………………………………9
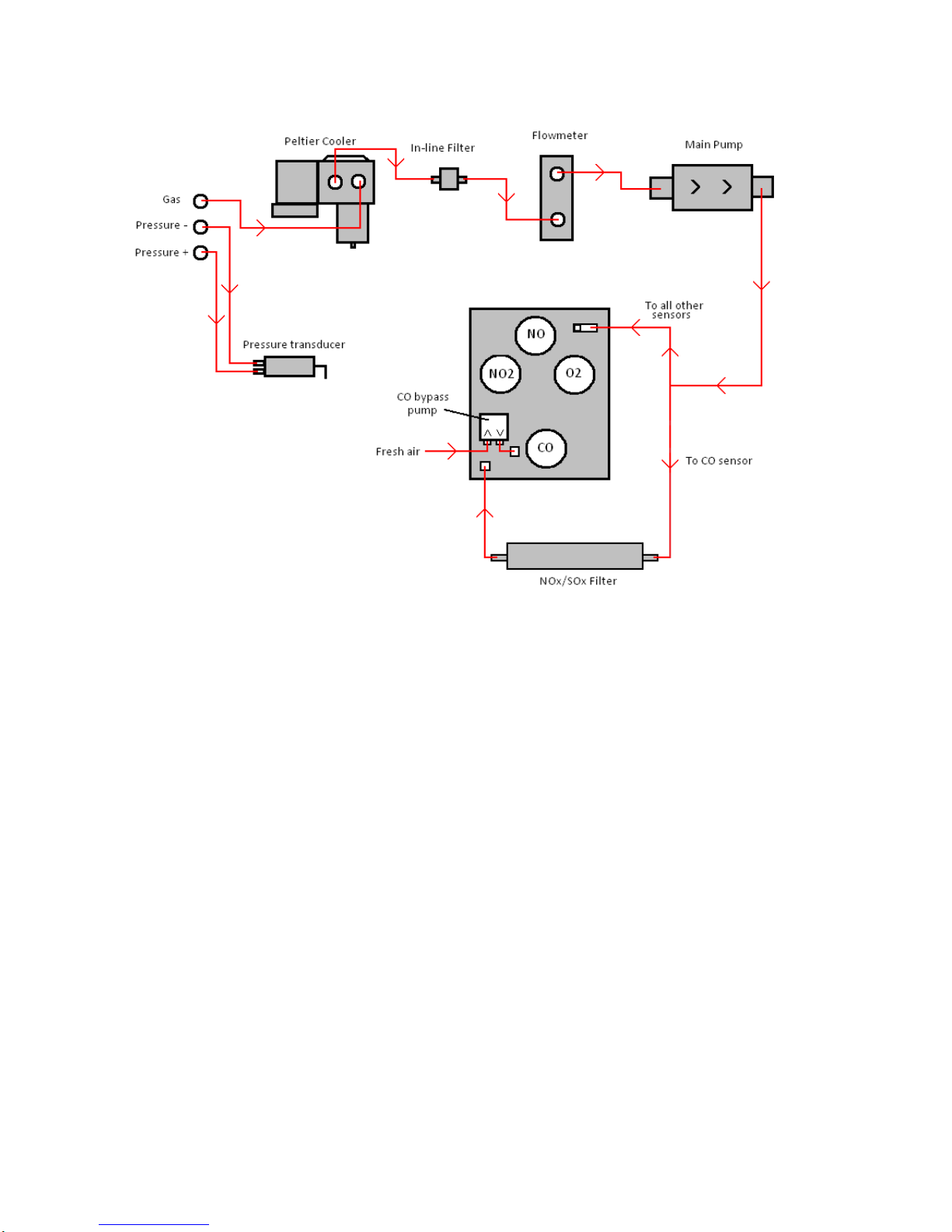
4. Gas Path Diagram…………………………………………………………….10
5. Power Supply…………………………………………………………………..11
6. Radio Communication……………………………………………………….12
EMISSIONS ANALYSIS AND RECORDING
7. J2KN Pro Start-up…………………………………………………………….13
8. Emissions Measurement
8.1 Gas Analysis...……………………………………..………………14-15
8.2 Printing……………………………………………………………….16
8.3 Soot Test..……………………………………………………………17
9. Capturing Data on Memory Card…………………………………………18
10. Averaging Tests ……………………………………………………………….19
11. Software Communication.........................................................20
12. Frequently Asked Questions....................................................21-22
13. Draft/Pressure………………………………………………………………...23
MAINTENANCE AND ANALYZER SETTINGS
14. Adjustments…………………………………………………………………….23-24
14.1 Internal..…………………………………………………………..25-26
15. Control..……………………….…………………………………………….27
16. Maintenance Tips
16.1 Filters......................................................................28-29
16.2 Sample Line and Probe............................................29
16.3 Sensors ..................................................................29-30
16.4 Printer Paper...........................................................30
16.5 Changing the Fuse...................................................30
SERVICE &CALIBRATION
17. How to Change Sensors
17.1 O2 Sensor................................................................31
17.2 A5F CO Sensor.........................................................32-33
17.3 MEM CO Sensor........................................................34
17.4 NO, NO2, SO2, & High CO Sensors ...........................35-37
18. How to Calibrate Sensors.........................................................38-39
TECHNICAL INFORMATION
19. Flow Velocity Measurement (Option).......................................40
20. Technical Data.........................................................................41
21. Description of Data on Memory Card........................................42
22. Calculations.............................................................................43