EOS Infratec Classic Planungshandbuch

1
D
Made in Germany
Infratec Classic
Druck Nr. 29343654 / 18.17
DMontage- und Gebrauchsanweisung
Assembly and operating instruction
Руководство по монтажу и эксплуатации
GB
RU

2
Deutsch .....................................................................................3
English.....................................................................................16
Русский ...................................................................................29

3
D
Deutsch
Inhalt
Technische Daten ...................................................................................................3
Lieferumfang...........................................................................................................3
Allgemeine Hinweise ..............................................................................................4
Allgemeine Sicherheitsbestimmungen....................................................................4
Montage des Steuergerätes ...................................................................................5
Elektrische Installationen ........................................................................................6
Installation der IR-Strahler ................................................................................6
Installation der Kabinenbeleuchtung .................................................................7
Montage des Fühlers ..............................................................................................7
Anschlußplan ..........................................................................................................8
Bedienung...............................................................................................................9
Einstellen der Sprache in der Anzeige....................................................................9
Inbetriebnahme.....................................................................................................10
Kabinenbeleuchtung .............................................................................................10
Einschalten der IR-Strahler...................................................................................10
Ausschalten der IR-Strahler..................................................................................10
Einstellung der Heizzeit ........................................................................................11
Einstellung der Kabinentemperatur ......................................................................11
Fehleranzeigen .....................................................................................................12
Service Adresse....................................................................................................13
Recycling ..............................................................................................................13
Gewährleistung.....................................................................................................13
Allgemeine Servicebedingungen (ASB) ...............................................................14

4D
Technische Daten
Netzspannung: 230 V N AC 50 Hz
Absicherung: 1 x 16 A
Leistung : max. 3500 W
Regelbereich: 30 - 70 °C
Regelcharakteristik: digitale Zweipunktregelung
Fühlersystem: KTY - Sensor
Heizzeibegrenzung: 1 - 99 Minuten
Umgebungstemperatur: -20 bis +40 °C
Einbaumaße HxBxT: 139 x 194 x 49 mm
Lieferumfang
(Änderungen Vorbehalten)
Zum Lieferumfang des Steuergerätes gehört:
• Plastikbeutel mit vier Befestigungsschrauben 4 x 20 mm
• Ofenfühlerplatine mit Übertemperatursicherung, KTY - Fühler, und Fühlergehäuse, zwei Befesti-
gungsschrauben 3 x 25 mm und Fühlerkabel ca. 3,0 m lang

5
D
Sehr geehrter Kunde,
mit diesem IR - Steuergerät haben Sie ein
hochwertiges elektronisches Gerät erworben,
welches nach den neuesten Normen- und
Güterichtlinien entwickelt und gefertigt wurde.
Lesen Sie die Anweisungen in dieser Anleitung
sorgfältig durch, damit Sie schnell und einfach
mt dem Gerät vertraut werden.
Allgemeine Hinweise
Das IR -Steuergerät ist serienmäßig für eine
Spannung von 230 V 50 Hz vorgesehen und ist
separat mit 16 A abzusichern.
Montage und Anschluss der Sauna-Einrich-
tungen und anderer elektrischen Betriebsmit-
tel dürfen nur durch einen Fachmann eines
autorisierten Elektrofachbetriebes erfolgen,
dabei ist VDE 0100 Teil 703/2006-2 zu beach-
ten.
Damit Ihre IR- Anlage störungsfrei betrieben
werden kann, lesen Sie bitte nachfolgende Mon-
tage- und Bedienungsanleitung sorgfältig durch.
Beachten Sie auch die Vorgaben und Anwei-
sungen des Kabinenherstellers.
Allgemeine Sicherheitsbestim-
mungen
• Die elektrische Installation darf nur von
einem autorisierten Elektroinstallateur
durchgeführt werden.
• Es sind die Vorschriften Ihres Elektrover-
sorgungsunternehmens (EVU) sowie die
einschlägigen VDE-Vorschriften (DIN VDE
0100) einzuhalten.
• Achtung Lebensgefahr: Führen Sie nie-
mals Reparaturen und Installationen
selbst durch. Die Gehäuseabdeckung darf
nur von einem Fachmann entfernt wer-
den.
• Das Gerät darf nur für den dafür vorgese-
henen Zweck als Steuerung für IR- Strahler
verwendet werden.
• Die Anlage muss bei allen Installations-
und Reparaturarbeiten allpolig vom Netz
getrennt werden, d.h. Sicherungen bzw.
Hauptschalter ausschalten.
• Die Sicherheits- und Installationshinweise
des Herstellers sind zu beachten.
• Dieses Gerät ist nicht dafür bestimmt
durch Personen (einschließlich Kinder),
mit eingeschränkten physischen, senso-
rischen oder geistigen Fähigkeiten oder
mangels Erfahrung und/oder mangels
Wissen benutzt zu werden, es sei denn
sie werden durch eine für ihre Sicherheit
zuständige Person beaufsichtigt oder er-
hielten von ihr Anweisungen wie das Ge-
rät zu benutzen ist.
• Kinder sollten beaufsichtigt werden, um
sicherzustellen, dass sie nicht mit dem Ge-
rät spielen.

6D
Das Steuergerät mit Leitungssatz (Art-Nr.
94.4334) ist für den elektrischen Anschluss ste-
ckerfertig vorinstalliert.
Das Steuergerät hat folgende Anschlussleitun-
gen:
• Netzzuleitung mit Schuko-Stecker
• Anschlussleitung für IR-Strahler
• Anschlussleitung für Kabinenbeleuchtung
• Fühlerleitung (rot)
• Die Verbindungsleitung zu den IR-Strahlern
ist mit einem Steckerteil versehen, welches
als Zuleitung in den Verteilersockel geführt
wird. Von dort besteht die Möglichkeit von 5
Anschlüssen für IR-Strahler.
Das Steuergerät ohne Leitungssatz (Art-Nr.
94.4388) ist nicht vorinstalliert.
Im Lieferumfang enthalten sind :
• Fühlerleitung (rot) bauseitig beigestellt, ver-
legt und nach Anschlussplan angeschlossen
werden:
• Netzzuleitung
• Anschlussleitung für IR-Strahler
• Anschlussleitung für Kabinenbeleuchtung.
Sollen mehr als ein IR-Strahler angeschlossen
werden, muss eine Abzweigdose gesetzt werden
in der die Strahlerleitungen verklemmt werden.
Im Steuergerät darf nur eine Abgangsleitung
angeschlossen werden.
Beachten Sie, dass die maximale Strahlerleistung
3,5 kW nicht überschritten wird.
• Die Anschlussleitung für die Kabinenbe-
leuchtung wird in der Kabine an die Kabinen-
beleuchtung (max. 100 W) angeschlossen.
• Die Zugentlastung der Anschlussleitungen
ist bauseits zu erstellen!
Das Steuergerät darf nicht innerhalb
der IR-Kabine montiert werden.
Montage des Steuergerätes • Stellen Sie zunächst den Wandausschnitt
an der Aussenseite der Kabine, zweckmäßi-
ger Weise in Augenhöhe neben der Tür her.
Der Ausschnitt muss 178 mm breit und 114
mm hoch sein. Die Einbautiefe beträgt 45
mm.
• Führen Sie nun die Anschlussleitungen in
den Zwischenraum der Kabinenwand zur Ka-
binendecke.
• Können die Leitungen nicht innerhalb der
Kabinenwand verlegt werden, müssen sie in-
nerhalb der Kabine verlegt werden.
45 mm 45 mm
181 mm
126 mm
178 mm
114 mm

7
D
Elektrische Installationen
Die elektrische Installation darf nur
von einem zugelassenen Elektro-Installa-
teur unter Beachtung der Richtlinien des
örtlichen EVU und des VDE durchgeführt
werden.
181 mm
126 mm
190 mm
135 mm
• Danach fügen Sie nun das Unterteil des Ge-
rätes in die vorbereitete Rechteckönung
ein.
• Mit den mitgelieferten 4 Stück Befestigungs-
schrauben wird das Gehäuse an der Kabinen-
wand xiert.
• In diesem Fall ist es sinnvoll, die Kabel hin-
ter einem Knotenbrett zu verlegen. Soll in
diesem Knotenbrett auch ein IR-Strahler ein-
gebaut werden, muss dieser unterhalb der
Steuerung platziert sein.
IR-
Steuerung
Knotenbrett
IR-Strahler
Schrauben
Klemmabdeckung
Installation der IR-Strahler
• Die Infrarotstrahler nach Montageanleitung
montieren.
• Die Gesammtleistung der angeschlossenen
Strahler darf 3500 W nicht überschreiten.
• Zum Verbinden des Kabels von der Steue-
rung mit dem Verteilerblock lösen Sie bitte
zunächst die beiden Schrauben der Klem-
mabdeckung. Nun stecken Sie den Stecker
in den Verteilerblock und ziehen die beiden
Schrauben wieder an. Die Abdeckung greift
nun über die Sicherungsbügel und verhin-
dert somit ein unbeabsichtigtes Lösen der
Verbindung.
Infolge des erhöhten Einschalt-
stromes muss die Absicherung durch
einem 16 A - Automaten mit mindestens
K-Charakteristik erfolgen.

8D
Installation der Kabinenbeleuchtung
• Die Kabinenleuchte muss für die auftre-
tenden Temperaturen geeignet sein
• Das Anschlusskabel ist durch das zuvor ge-
bohrte Loch zu führen und an der Kabinen-
leuchte anzuschließen.
• Die Kabinenleuchte muß immer soweit wie
möglich von dem Aufstellungsort der IR-
Strahler montiert werden und darf nicht di-
rekt angestrahlt werden.
Bei Infratec classic Geräten ohne Leitungs-
satz (ArtNr. 94.4388) Leitungen mit min. 90° C
Temperaturbeständigkeit nach Anschlussplan
verdrahten.
• Es dürfen nur IR- Strahler nach DIN
60335 oder IR-Heizfolien mit integriertem
Überhitzungsschutz (140°C) angeschlossen
werden.
• Die Sicherheits- und Installationshinweise
des IR-Strahler-Herstellers sind zu beachten.
1. Der Ofenfühler wird mittig an der Kabinen-
decke montiert.
Montage des Raumfühlers
Gehäuse
Fühlerplatine
Sensor
S1 S2
Bohrung
Kabinendecke
Fühlergehäuse auf Mitte
Profilbrett
Fühlerleitung
Klemmen im Steu-
ergerät
2. Bohren Sie dafür ein Loch für die Kabeldurch-
führung, vorzugsweise in die Mitte eines Pro-
lbrettes.
3. Führen Sie die Fühlerkabel durch das ge-
bohrte Loch und schließen Sie die Fühler-
leitung gemäß untenstehender Abbbildung
an.

9
D
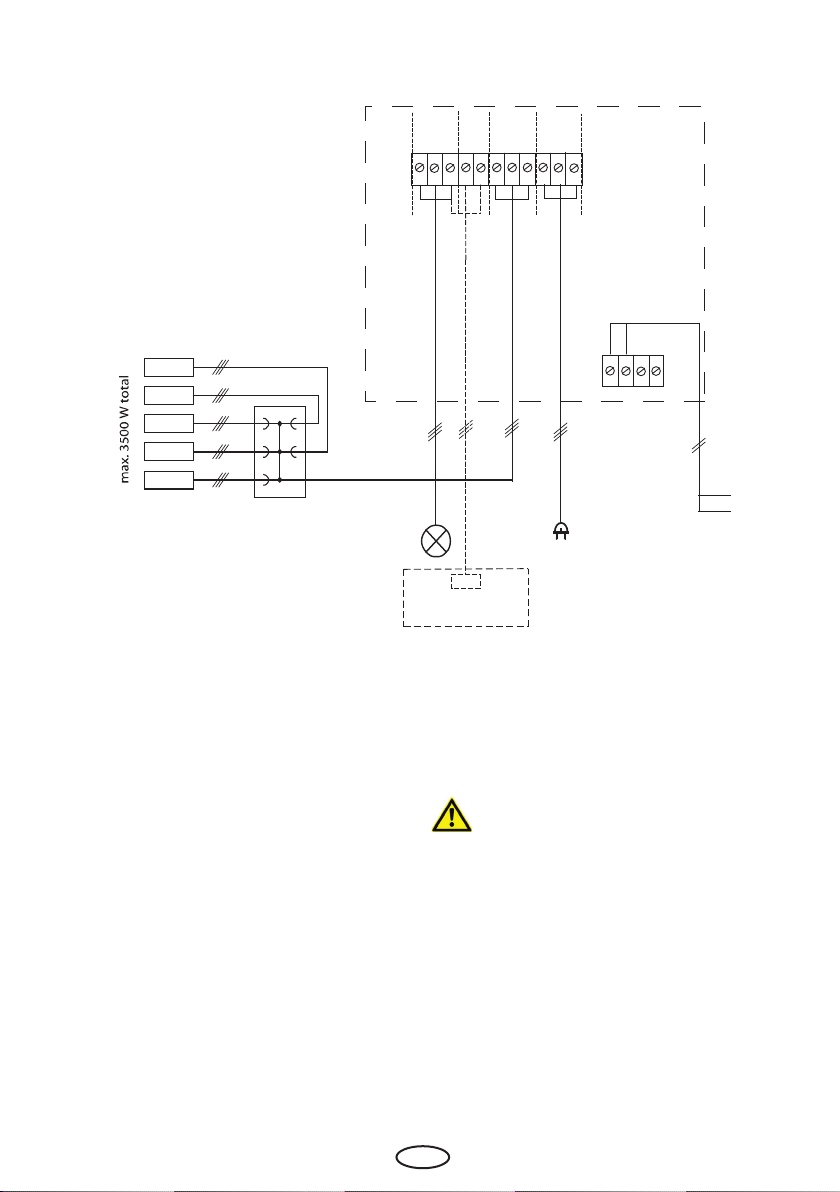
Anschlußplan
S e n s o r
Verteilerblock
C o nne c tio n b ox
I R - E m it te r
I R - E m it te r
I R - E m it te r
I R - E m it te r
I R - E m it te r
Infratec Classic
2 3 0 V AC
NNN
N
LLL
LPE
PEPE
Licht LSG IR-
Strahler Netz
bauseitige Lasterweiterung
Power rating extension
by customer
Achtung!
Sehr geehrter Kunde,
nach den gültigen Vorschriften ist der elek-
trische Anschluss des Steuergerätes nur durch
einen Fachmann eines autorisierten Elektro-
fachbetriebes zulässig. Wir weisen Sie daher
bereits jetzt darauf hin, dass im Falle eines
Garantieanspruches eine Kopie der Rechnung
des ausführenden Elektrofachbetriebes
vorzulegen ist.

10 D
Bedienung
Betrieb Ein / Aus
Licht Ein / Aus
Infratec
Display
Standby - Schalter
Einstell - Tasten Auf/Ab
Modustaste Temperatur
Modustaste Heizzeit
Einstellen der Sprache in der Anzeige
Werkseitig ist das Gerät so eingestellt, dass die Anzeige im Display in deutsch erscheint.
Wollen Sie, dass die Anzeige in englisch dargestellt wird? Schalten Sie das Gerät zunächst mit
dem Standby - Schalter aus. Halten Sie die Heizzeit- und Temperatur- Modustasten gleichzeitig
gedrückt, während Sie das Gerät mit dem Standby - Schalter wieder einschalten. Die Anzeige
erfolgt nun in englisch.
Um in den deutschen Anzeigemodus zurück zu gelangen, verfahren Sie entsprechend.
Andere Handbücher für Infratec Classic
2
Inhaltsverzeichnis
Sprachen:
Andere EOS Controller Handbücher























