EUCHNER ESM-BA2 Series Bedienungsanleitung

1
User Information
EUCHNER GmbH + Co. KG Kohlhammerstraße 16 DE-70771 Lein elden-Echterdingen Tel. +49/711/75 97-0 Fax +49/711/75 33 16 www.euchner.de in o@euchner.de
Emergency Stop Safety Relay ESM-BA2..
V1.1.0
•
Cyclical monitoring of the output contacts
•
Indication of the switching state via LED
•
2 start behaviors possible:
- Monitored manual start
- utomatic start
•
Up to PL e, SILCL 3, category 4
Correct Use The ESM-BA2.. is a universal emergency stop safety s itching
device ith t o safe relay outputs that can quickly and safely
stop the moving parts of a machine or system in case of danger.
Applications for the ESM-BA2.. include single or dual-channel
emergency stop circuits and guard monitoring on machines and
systems.
Features
•
2 safe, redundant relay outputs
•
Connection of:
- Emergency stop buttons
- Safety switches
- Non-contact safety switches
- OSSD-Outputs
•
Single and dual-channel operation possible
•
Feedback loop for monitoring downstream contactors or
expansion modules
Function
The emergency stop safety switching device ESM-BA2.. is
designed for safe isolation of safety circuits according to
IN EN 60204-1 and can be used up to safety category 4,
PL e according to IN EN ISO 13849-1.
The internal logical system closes the safety contacts when
the start button is pressed.
When the emergency stop circuit is opened, the positively
driven safety contacts are opened and safely switch the
machine off. It is ensured that a single fault does not lead
to a loss of the safety function and that every fault is detec-
ted by cyclical self-monitoring no later than when the sys-
tem is switched off and switched on again.
Electrical
Connection
•
When the 24 V version is used, a safety transformer
according to EN 61558-2-6 or a power supply unit with
electrical isolation from the mains must be connected.
•
External fusing of the safety contacts must be provided.
•
A maximum length of the control lines of 1000 meters
with a line cross section of 0.75 mm2 must not be excee-
ded.
•
The line cross section must not exceed 2.5 mm2.
•
If the device does not function after commissioning, it
must be returned to the manufacturer unopened. Ope-
ning the device will void the warranty.
Installation
As per IN EN 60204-1, the device is intended for installa-
tion in control cabinets with a minimum degree of protection
of IP54. It is mounted on a 35-mm IN rail according to
IN EN 60715 TH35.
Safety Precautions
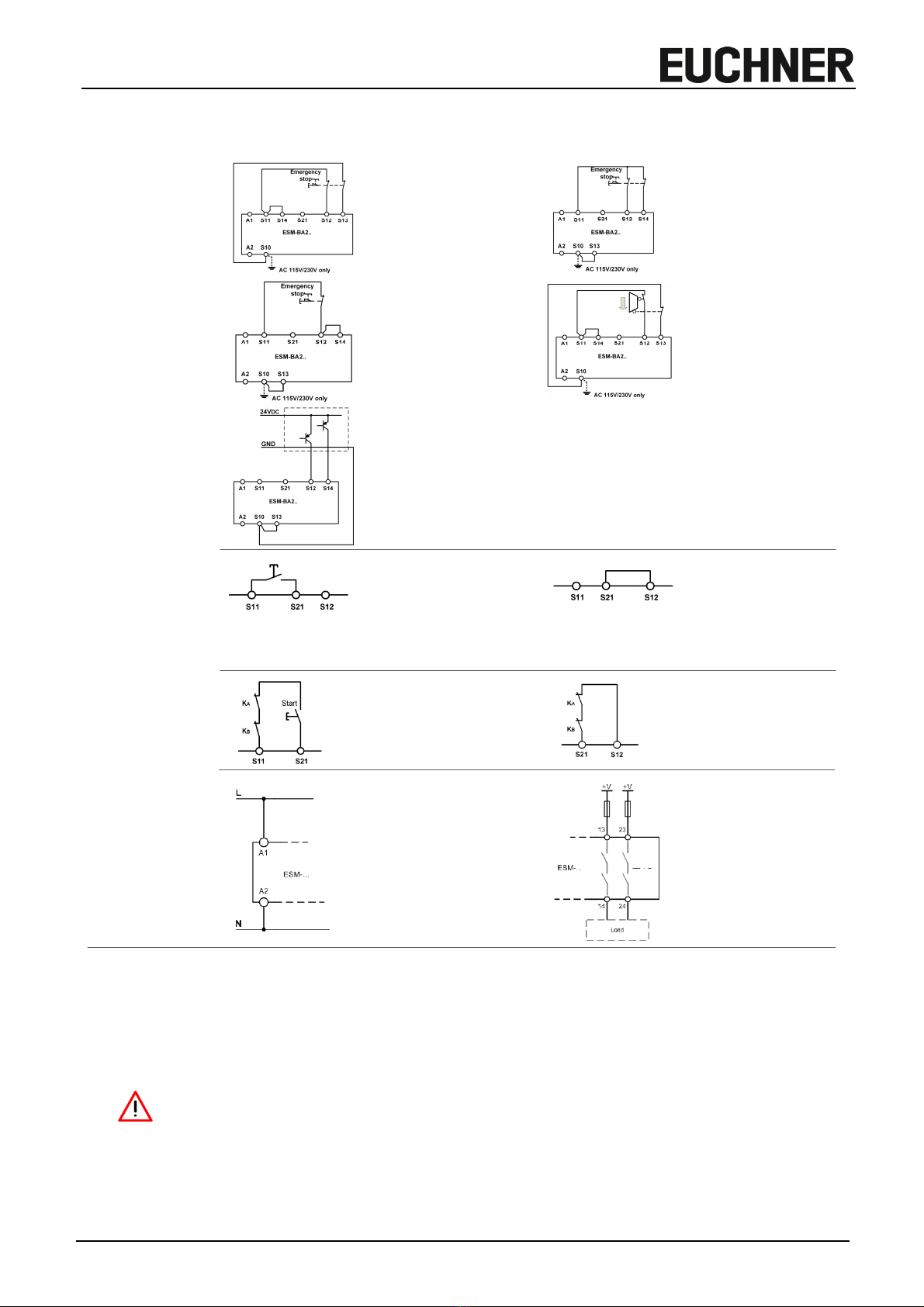
Fig. 1 Block diagram ESM-BA2..
Fig. 2 Installation / removal
Fig. 3 onnections
1: Power supply
2. Power supply
S11: DC 24 V control voltage
S10: Control line
S21: Start control line
S13: Control line
S14: Control line
S12: Control line
13-14: Safety contact 1
23-24: Safety contact 2
•
All relevant safety regulations and standards are to be
observed.
•
The overall concept of the control system in which the
device is incorporated must be validated by the user.
•
Failure to observe the safety regulations can result in
death, serious injury and serious damage.
•
Note down the version of the product (see label “Vx.x.x”)
and check it prior to every commissioning of a new de-
vice. If the version has changed, the overall concept of
the control system in which the device is incorporated
must be validated again by the user.
•
Installation and commissioning of the device must be
performed only by authorized personnel.
•
Observe the country-specific regulations when installing
the device.
•
The electrical connection of the device is only allowed to
be made with the device isolated.
•
The wiring of the device must comply with the instruc-
tions in this user information, otherwise there is a risk
that the safety function will be lost.
•
It is not allowed to open the device, tamper with the
device or bypass the safety devices.

2
User Information
EUCHNER GmbH + Co. KG Kohlhammerstraße 16 DE-70771 Lein elden-Echterdingen Tel. +49/711/75 97-0 Fax +49/711/75 33 16 www.euchner.de in o@euchner.de
Emergency Stop Safety Relay ESM-BA2..
V1.1.0
Note: The items listed under “Electrical connection” must be observed during commissioning.
Commissioning
Procedure
1. Wiring emergency stop circuit:
Wire the emergency stop circuit according to the required
Performance Level determined (see Fig. 1 to Fig. 5).
2. Wiring start circuit:
Wire the start circuit according to Fig. 6 or Fig. 7 to set the
starting behavior.
Warning:
If “Automatic start” is set, bear in mind that the safety
contacts will switch immediately after the power supply is
connected. If “Monitored manual start” is set, the start
button must be opened after wiring.
3. Wiring feedback loop:
If your application provides for external contactors or ex-
pansion modules, connect them to the device according to
Fig.8 or Fig. 9.
4. Wiring power supply:
Connect the power supply to terminals A1 and A2 (Fig. 10).
Warning: Wiring only in de-energized state.
5. tarting the device:
Switch on the operating voltage.
Warning:
If the “Automatic start” starting behavior is set, the safety
contacts will close immediately.
If the “Monitored manual start” starting behavior is set, close
the start button to close the safety contacts.
LE s K1 and K2 are lit.
6. Triggering safety function:
Open the emergency stop circuit by actuating the connec-
ted safety switch. The safety contacts open immediately.
7. Reactivation:
Close the emergency stop circuit. If “Automatic start” is
selected, the safety contacts will close immediately.
If the “Monitored manual start” starting behavior is set, close
the start button to close the safety contacts.
Fig. 6:
Monitored manual start.
It is monitored that the start
button was opened before the
emergency stop button closes.
(Prerequisite:
operating voltage must not be
interrupted.)
Fig. 7:
utomatic start.
Max perm. delay during
closing of the safety switches
on S12 and S13:
S12 before S13: 300 ms
S13 before S12: any
Warning:
Safety contacts switch
immediately when the
power supply is connected.
epending on the application or the result of the risk assessment according to EN ISO 13849-1, the device must be wired as
shown in Fig. 1 to Fig. 11.
pplications
Fig. 3:
Single-channel emergency stop
circuit with earth fault monito-
ring.
(category 1, up to PL c)
Fig. 2:
Two-channel emergency stop
circuit with earth fault monitoring.
(category 3, up to PL d)
Fig. 1:
Two-channel emergency stop
circuit with short circuit and earth
fault monitoring.
(category 4, up to PL e)
Fig. 4:
Two-channel sliding guard
monitoring with short circuit and
earth fault monitoring.
(category 4, up to PL e)
Emergency Stop
Circuit
Starting Beha ior
Fig. 8:
Feedback loop for monitored manual
start:
The feedback loop monitors contactors
or the expansion modules .
Feedback Loop
Fig. 9:
Feedback loop for automatic start:
The feedback loop monitors contac-
tors or the expansion modules .
Power supply
and
Safety contacts
Fig. 10:
Power supply 1 and 2.
(Power supply according to techn.
data )
Fig. 11:
Connecting load to safety contacts.
(Figure shows example.
Voltage „+V“ according to techn.
data)
Warning only for 24V- ersion:
In order to activate earth fault monitoring, the PE must be
connected only to the power supply unit in accordance with
EN60204-1.
Corresponded to the application, the starting circuit have to
be wired according to Fig. 6 or Fig. 7.
Fig. 5:
Two-channel emergency stop
with pnp-outputs/OSSD-outputs
with short circuit monitoring.
(category 4, up to PL e)

3
User Information
EUCHNER GmbH + Co. KG Kohlhammerstraße 16 DE-70771 Lein elden-Echterdingen Tel. +49/711/75 97-0 Fax +49/711/75 33 16 www.euchner.de in o@euchner.de
Emergency Stop Safety Relay ESM-BA2..
V1.1.0
Maintenance
The device must be checked once per month for proper
function and for signs of tampering and bypassing of the
safety function.
Techn. Data
Operating voltage ESM-BA201 ESM-BA202 ESM-BA203
AC/ C 24V AC 115V AC 230V
Rated supply frequency 50-60Hz
Permissible deviation + / - 10%
Power consumption DC 24V AC 230V
approx. 1.5W approx. 3.7 VA
Control voltage at S11 C 24 V
Control current S11...S14 approx. 40 mA
Safety contacts 2 NO contacts
Max. switching voltage AC 250 V
Safety contact breaking capacity (13-14, 23-24 *) AC: 250 V, 1500 VA, 6 A for ohmic load
(6 switching cycles/ min)
250 V, 3 A for AC-15
C: 24 V, 144 W, 6 A for ohmic load
(6 switching cycles/ min)
24 V, 3 A for C-13
Minimum contact load 24V, 20 mA
Contact fuses 10A gG
Line cross section 0.14 -2.5 mm2
Max. length of control line 1000 m with 0.75 mm2
Contact material AgSnO2
Contact service life mech. approx. 1 x 107
Test voltage 2.5 kV (control voltage/contacts)
Rated impulse withstand voltage, leakage path/air gap 4 kV ( IN V E 0110-1)
Rated insulation voltage 250 V
egree of protection IP20
Temperature range C 24 V: -15°C to +60°C *)
AC 230V/115V/24V: -15°C to +40°C
egree of contamination 2 ( IN V E 0110-1)
Overvoltage category 3 ( IN V E 0110-1)
Weight approx. 230 g
Mounting IN rail according to EN 60715 TH35
Note:
Additional data can be requested from the manufacturer for
applications that deviate from these conditions.
Safety
Characteristics
ccording to
EN ISO 13849-1
The device is certified according to EN ISO 13849-1 up to a
Performance Level of PL e.
Device cannot be switched on again after an emergency
stop:
•
Check whether the emergency stop circuit was closed
again.
•
Was the start button opened before closing of the
emergency stop circuit (with manual start)?
•
Is the feedback loop closed?
If the fault still exists, perform the steps listed under
“Commissioning Procedure”.
If these steps do not remedy the fault either, return the
device to the manufacturer for examination.
Opening the device is impermissible and will void the
warranty.
Device does not switch on:
•
Check the wiring by comparing it to the wiring diagrams.
•
Check the safety switch used for correct function and
adjustment.
•
Check whether the emergency stop circuit is closed.
•
Check whether the start button (with manual start) is
closed.
•
Check the operating voltage at 1 and 2.
•
Is the feedback loop closed?
What to Do in
Case of a Fault?
The device is otherwise maintenance free, provided that it
was installed properly.
Safety characteristics according to EN ISO 13849-1 for all ariants of ESM-BA2
Load (DC-13; 24V) <= 0,1A <= 1A <= 3A
T10d [years] 20 20 20
Category: 4 4 4
PL e e e
PFHd [1/h]: 1,2E-08 1,2E-08 1,2E-08
nop [cycle / year] <= 400.000 <= 100.000 <= 22.500
*) 20% Undervoltage: T
max
: 50 °C

4
User Information
EUCHNER GmbH + Co. KG Kohlhammerstraße 16 DE-70771 Lein elden-Echterdingen Tel. +49/711/75 97-0 Fax +49/711/75 33 16 www.euchner.de in o@euchner.de
Emergency Stop Safety Relay ESM-BA2..
V1.1.0
Dimension
Drawing
Subject to technical modi ications, no responsibility is accepted or the accuracy o this in ormation. © EUCHNER GmbH + Co. KG 090071-06-02/16 (Translation o the Original Operating Instructions)
Fixed
Terminals
Plug-In
Terminals
Dieses Handbuch passt für folgende Modelle
6
Andere EUCHNER Relais Handbücher

EUCHNER
EUCHNER ESM-BA7 Series Bedienungsanleitung

EUCHNER
EUCHNER ESM-BT4 Series Bedienungsanleitung

EUCHNER
EUCHNER ESM-BA7 Series Bedienungsanleitung

EUCHNER
EUCHNER ESM-BA2 Series Bedienungsanleitung

EUCHNER
EUCHNER ESM-BL2 Series Bedienungsanleitung

EUCHNER
EUCHNER ESM-BA3 Series Bedienungsanleitung

EUCHNER
EUCHNER ESM-CB Bedienungsanleitung

EUCHNER
EUCHNER ESM-2H2 Series Bedienungsanleitung

















