
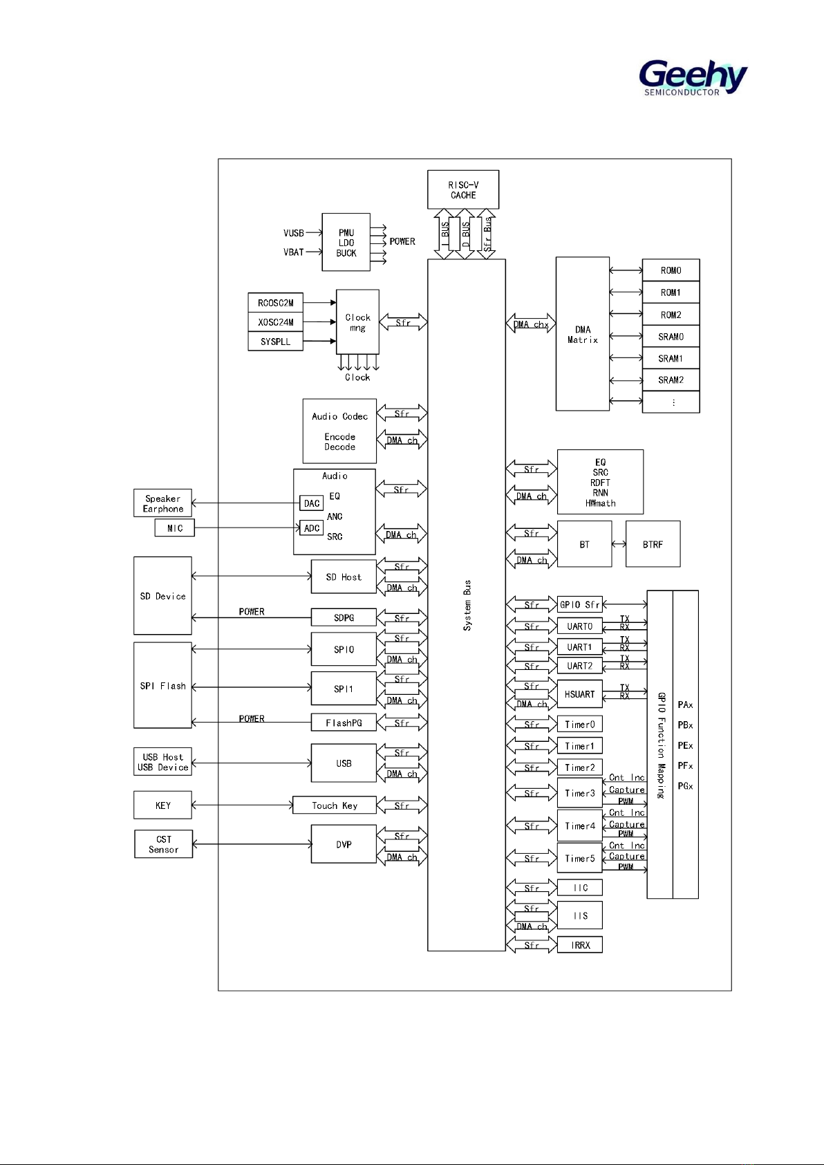
www.geehy.com Page 3
10.1 Features .................................................................................................................................................... 43
10.2 Special Function Registers ....................................................................................................................... 43
10.3 Independent Power RTC Registers ..........................................................................................................44
11 UART ................................................................................................................................ 50
11.1 Features .................................................................................................................................................... 50
11.2 User Guide ................................................................................................................................................ 50
11.2.1 UART Special Function Registers ................................................................................................................... 50
12 HSUART ........................................................................................................................... 53
12.1 Features .................................................................................................................................................... 53
12.2 User Guide ................................................................................................................................................ 53
12.2.1 SYNC configure ............................................................................................................................................... 53
12.2.2 TX 1 byte with buffer ........................................................................................................................................ 53
12.2.3 TX n byte with DMA ......................................................................................................................................... 54
12.2.4 RX 1 byte with buffer ....................................................................................................................................... 54
12.2.5 RX n byte with DMA &loop buffer disable ........................................................................................................54
12.2.6 DMA RX TIMER MODE: .................................................................................................................................. 55
12.2.7 Application Note ...............................................................................................................................................55
12.3 HSUART Special Function Registers ....................................................................................................... 58
13 SPI .................................................................................................................................... 62
13.1 Features .................................................................................................................................................... 62
13.2 User Guide ................................................................................................................................................ 62
13.3 SPI Special Function Registers ................................................................................................................ 64
14 IIC ..................................................................................................................................... 66
14.1 Features .................................................................................................................................................... 66
14.2 User Guide ................................................................................................................................................ 66
14.3 IIC Special Function Registers ..................................................................................................................67
15 ADC .................................................................................................................................. 69
15.1 Features .................................................................................................................................................... 69
15.2 Channel select ...........................................................................................................................................69
15.3 User Guide ................................................................................................................................................ 69
15.4 ADC_CTL Special Function Registers ......................................................................................................70
16 DAC .................................................................................................................................. 75
16.1 Feature ...................................................................................................................................................... 75
16.2 Control use ................................................................................................................................................ 75
17 USB .................................................................................................................................. 76