8
2. Modifiying factory settings
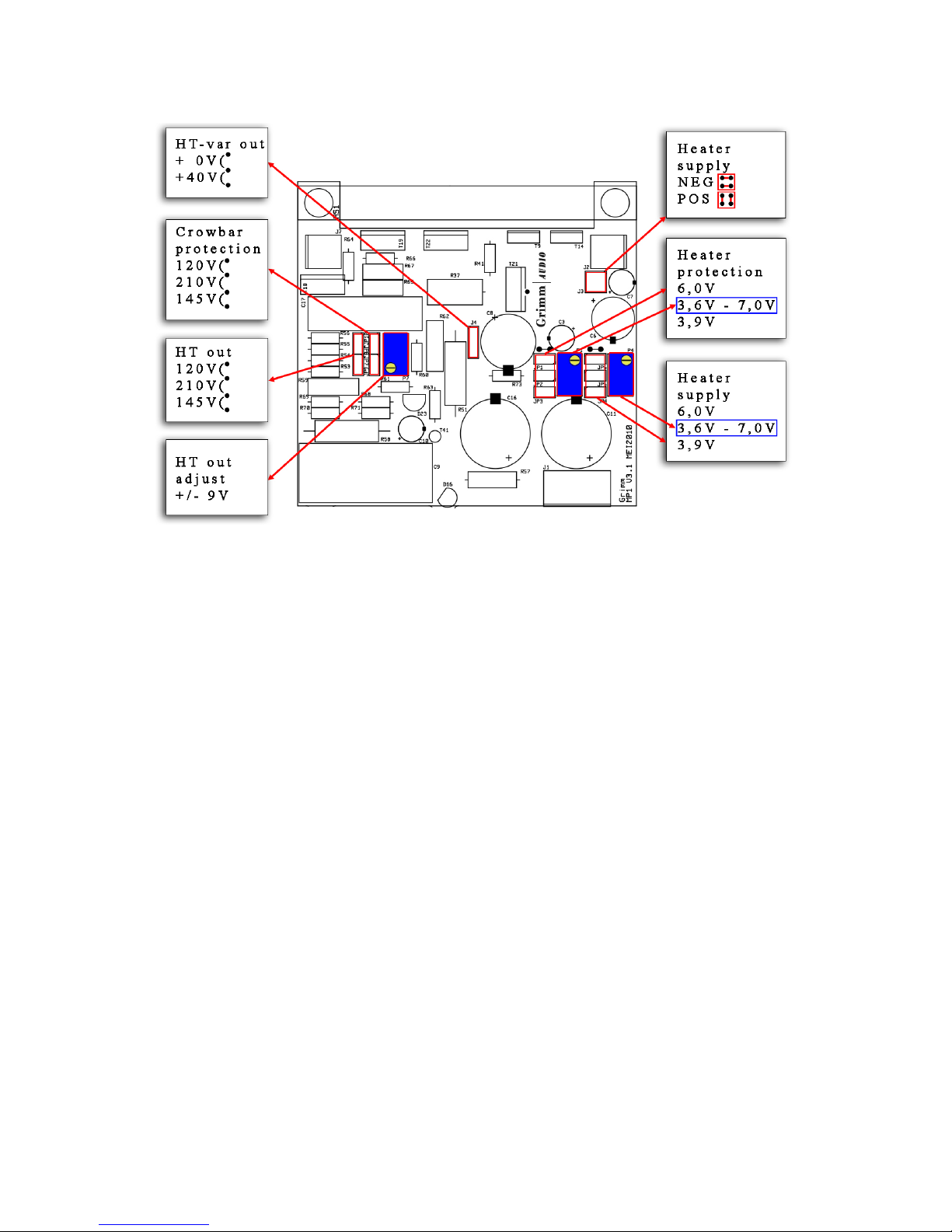
YourMP1isfactorysettothesupplyvoltagesofthemicrophonespecifiedinyour
order.IncaseyouneedtoadjusttheMP1tothesupplyvoltagesofadifferent
microphone,therearevariousinternalsettingstofacilitatethis.Wehavetowarn
youhoweverthatselectingawrongvoltagewillveryprobablyleadtodamageof
the(sometimesveryexpensive)tube.Sounlessyouareanexperiencedengineeror
likelivingdangerously,wedonotadvisetochangethefactoryvoltagesettings!In
anycaseGrimmAudiocannotacceptliabilityfordamagetomicrophones.Forthose
peoplethatstillwanttochangetheinternalsettings,pleasereadthefollowingin-
structionscarefully.
Inappendix1alistcanbefoundofknownmicrophonetypeswiththeirfactory
advicedsupplyvoltages.Shouldyourmicrophonenotbelisted,pleaseconsultthe
originalmanufacturer.PleasealsocheckthisMP1manualonGrimmAudio’sweb-
site,itmighthavehadanupdateofthemicrophonelist.Threepresethighvolt-
ageareavailablefromtheMP1:120,145and210V.Thesearesetinternallyusing
jumpersandnotbyexternalcontrols,toavoidcostlymistakeswhileamicrophone
isconnected.Atrimpotallowssome(+/-8%)adjustmentofthesevoltages.TheHT
supplyisinherentlyshort-circuitproofasitisashuntsupply.Asanextrasafetya
“crowbarcircuit”willshutdownthecurrentsourceincasetheoutputvoltageex-
ceedsthenominalvaluebymorethan12%duetomalfunctioning.However,Grimm
Audiocannotacceptliabilityincaseofdamagetomicrophonesshouldeventhe
protectioncircuitfail.
Fortheheatervoltagetwopresetvaluesareavailable:6.0and3.9V.Thesevalues
arechoseninconjunctiontowhatisprescribedformostclassicalmicrophones.
Theytooaresetbyinternaljumpers.Athirdjumperpositionenablesatrimpotand
allowstheheatervoltagetobesetatanydesiredvaluebetween3.6and7.0V.In
addition,theoutputpolaritycanbereversedassomemicsrequirenegativeheater
voltage.Noiseisverylow:typ.<-120dBV(<1uV),animprovementofatleast
30dBoverindustrystandardvoltageregulators.Theoutputisshort-circuitproof,
thecurrentlimitsat0.5A.Asanextrasafetyacrowbarcircuithasbeenaddedto
protectthemicagainstunforseenfailuresshouldtheheatervoltageexceedthe
nominalvalueby10%(incaseofthevariableheatervoltagesettingasecondtrim-
potallowstheusertosetanappropriatethreshold).However,GrimmAudiocannot
acceptliabilityincaseofdamagetomicrophonesshouldeventheprotectioncircuit
fail.
Check the voltages output of your MP1
HowtheMP1isset,caneasilybemeasuredfromtheoutside:abluetestsocket
allowsthemeasurementoftheheatervoltage,aredsocketgivesaccestotheHT
dividedbij10(forsafetyreasons);ablacksocketpovidesagroundreference.These