
8
Français
Application
• GrohFlexTM est une universel siège provisoire- pour les
thermostats et les robinets de régulation. Type d'utilisation
est spécifiée par les différents types du kit pour le montage
final. Pour planifier la tuyauterie, choisir le type d'installation
aux pages 5 et 6.
Utilisation possible avec
• Accumulateurs sous pression
• Chauffe-eau instantanés à contrôle thermique
• Chauffe-eau instantanés à contrôle hydraulique
Un fonctionnement avec des accumulateurs sans pression
(chauffe-eau à écoulement libre) n’est pas possible!
Caractéristiques techniques
• Robinet d’arrêt intégral
• Pression dynamique:
- min 1 bar
- recommandée 1 à 5 bars
Installer un réducteur de pression lorsque la pression est
supérieure à 5 bars
• Pression de service maxi 8 bars
• Pression d’épreuve maxi 35 bars
• Température
- maxi. (entrée d’eau chaude) 80 °C
• Raccord d’eau froide - à droite
chaude - à gauche
Installation
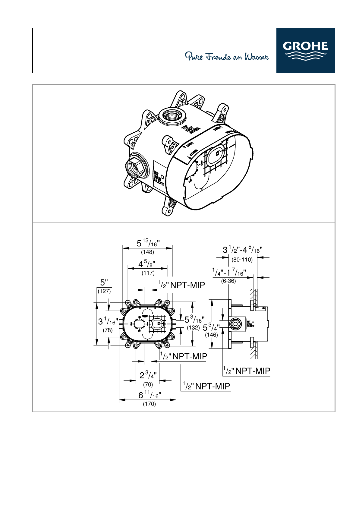
Tenir compte de la cote du schéma sur la première page.
Préparer des réservations pour le siège provisoire et des
saignées pour la tuyauterie.
Différentes possibilités de montage, voir les trous de montage
correspondants dans la fig. [1] et [2] sur la page 7 et première
page.
Pour le montage
• à la mure utiliser des trous de derrière, voir fig. [1].
• au placoplâtre utiliser des trous avant, voir fig. [2].
Aligner la siège
Placer un niveau à bulle d’air sur les ongletst du gabarit
de montage (boîte bleue), voir fig. [1].
Poser la siège provisoire avec le gabarit (boîte bleue)
• Le mur fini doit affleurer dans la zone (A) du gabarit
de montage (boîte bleue), voir fig. [3] et [4].
• Le raccordement d’eau chaude doit être effectué à gauche,
celui d’eau froide à droite, voir fig. [3].
Raccorder la tuyauterie,voir fig. [3] et [4].
Vérifiez les options d'installation.
Pour les combinaisons possibles, voir pages 5 et 6.
Il est fortement déconseillé de procéder à une soudure
des tuyauteries et du boîtier par brasage.
Ouvrir l’arrivée d’eau froide et d’eau chaude et vérifier
l’étanchéité des raccords de robinetterie.
Purger les tuyauteries, voir fig. [5] et [6].
1.Retirer le capot, voir fig. [5].
2.Ouvrir l’arrivée d’eau froide et d’eau chaude. Cette siège
provisoire est combiné avec un d’arrêt intégral pour
l‘ouverture et de clôture, voir fig. [6]. Purger soigneusement
les tuyauteries.
Enduire complètement le mur et le carreler
Ne pas raccourcir le gabarit de montage (boîte bleue) avant
l’installation finale.