
- 6-
FRANÇAIS - Traduit à partir des instructions originales
Ce manuel donne les indications pour l’installation,
l’utilisation et le réglage de la soupape, il en fait donc
partie intégrante et doit être lu attentivement avant de
toute activité et conservé soigneusement.
Le non-respect de ces instructions peut causer des
pannes prématurées et provoquer des situations de
danger. De plus, cela entraîne la perte de validité de la
garantie.
1 INFORMATIONS GÉNÉRALES
1.1 La soupape de régulation automatique est un dispositif
à tarage manuel et actionné à la pression qui, en fonction
du réglage, limite la pression de la pompe/installation en
évacuant l’excédent d’eau. De plus, quand la sortie du
fluide est bloquée, la soupape décharge complètement le
débit en laissant sous pression la partie de l’installation en
aval de la soupape et en réduisant la pression dans la
partie de l’installation en amont de la soupape.
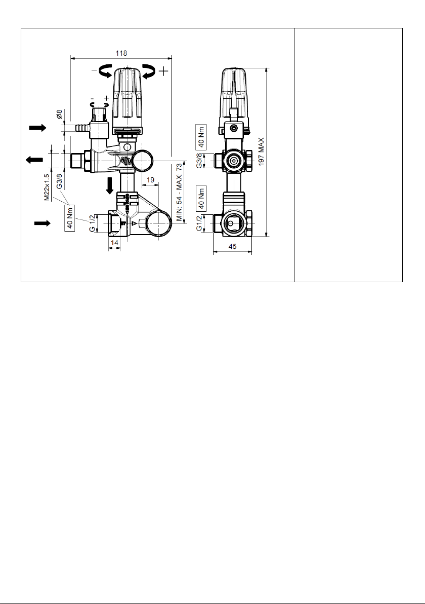
2 INSTRUCTIONS POUR LE TARAGE : Les positions
indiquées dans les instructions suivantes se réfèrent à
celles du catalogue pièces détachées (page 2).
2.1 Relier la soupape à l’installation hydraulique et
procéder comme décrit ci de suite:
2.2 Dégager la fourchette ou la chape rep.20 et déposer le
bouton rep.19
2.3 Actionner l’installation après avoir ouvert le pistolet ou
le dispositif de commande eau. S’assurer que l’air contenu
dans l’installation est fait sortir complètement.
2.4 À l'aide du pistolet ou du dispositif de commande de
l'eau ouvert, commencer la régulation de la pression en
vissant le dispositif de réglage rep.1 jusqu'à obtenir la
pression maximale désirée. Entrecouper la régulation par
des manoeuvres d'ouverture et de fermeture du pistolet ou
du dispositif de commande. Après avoir atteint la pression
maximale désirée, effectuer encore quelques manoeuvres
d'ouverture et de fermeture. Contrôler à nouveau la
pression et, si nécessaire, la corriger.
2.5 Desserrer la vis sans tête ou le goujon rep. 8, dévisser
la bague rep. 7 jusqu'en butée sur le dispositif de réglage
rep. 1, resserrer la vis sans tête ou le goujon rep.8
2.6 Monter le bouton rep.19 et engager la fourchette ou
chape rep. 20
2.7 Pour obtenir des pressions de service inférieures à la
pression maximale, dévisser le bouton rep.19
En cas de doutes, n’hésitez pas à contacter le service
après-vente de Interpump Group.
ATTENTION: Pendant l’utilisation, ne jamais
dépasser les valeurs maximums de pression,
débit et température indiquées dans le mode
d’emploi et/ou sur la soupape.Copyright
Le contenu de ce mode d’emploi est propriété de
Interpump Group. Les instructions contiennent des
descriptions techniques et des illustrations qui ne
peuvent pas être copiées et/ou reproduites entièrement
ou en partie ni transmises à de tiers sous quelque
forme que ce soit et de toute façon sans l’autorisation
par écrit du propriétaire. Les transgresseurs seront
poursuivis aux termes de la loi par des actions
appropriées.
Les informations contenues dans ce manuel peuvent être
changées sans préavis.