CAREFULLY READ THE INSTRUCTIONS CONTAINED IN THIS MANUAL SINCE THEY PROVIDE IMPORTANT
INFORMATION RELATIVE TO SAFETY DURING INSTALLATION, USE, AND MAINTENANCE.
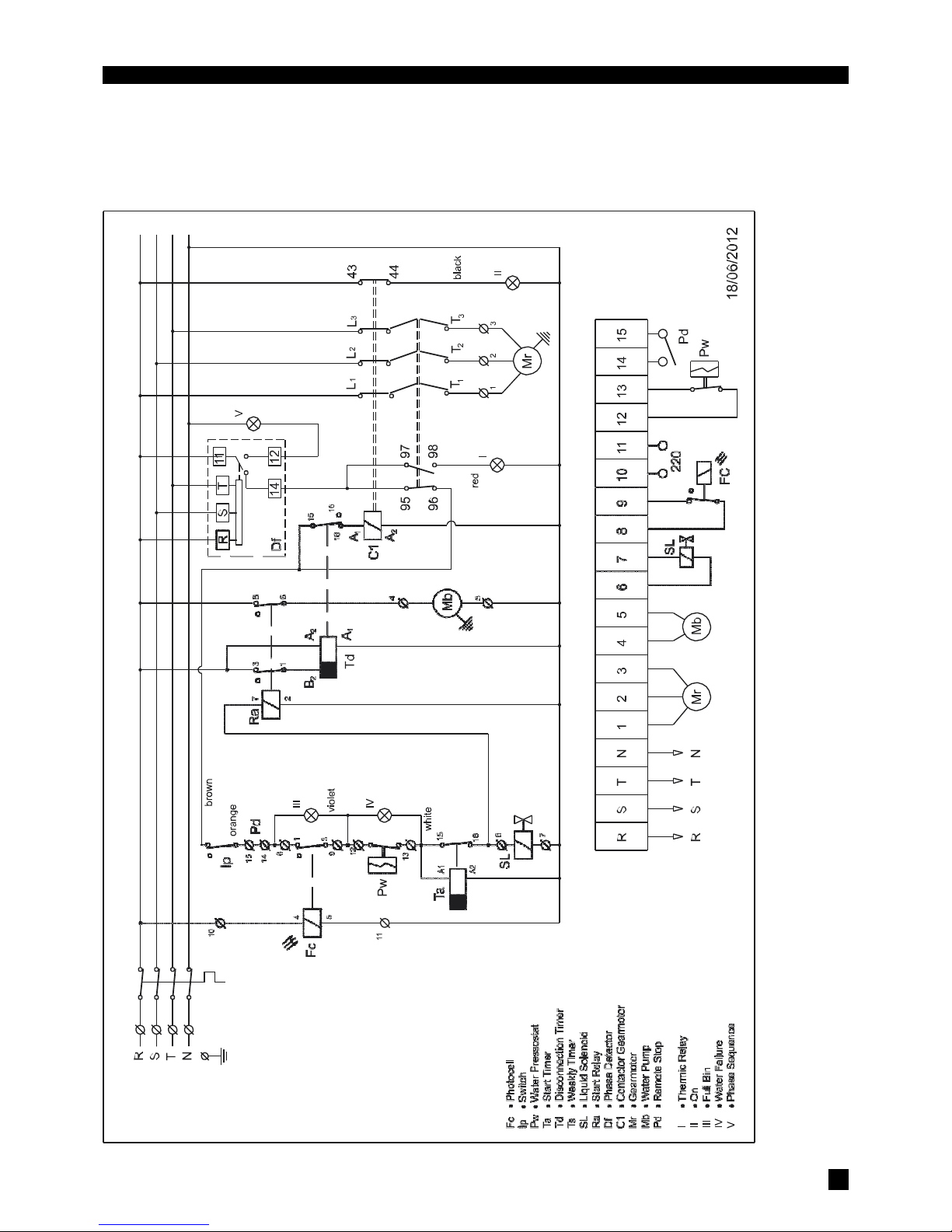
THIS APPLIANCE SHOULD BE INSTALLED BY APPROVED TECHNICAL SERVICE PERSONNEL.
INTRODUCTION
Thank you for choosing SCALA - SC Ice Maker.
You have purchased one of the most reliable ice-making products on the market today. Carefully read the instructions contained
in this manual since they provide important information relative to safety during installation, use, and maintenance.
1. Warnings
This appliance should be installed by approved Technical Service Personnel.
This plug should be accessible at all times.
To reduce the risk of electrical shock, ALWAYS disconnect the machine BEFORE cleaning or maintaining the equipment. Do
not attempt to install, service, or modify this machine. Improper use by other than specially trained technicians is extremely
dangerous and may result in a fire or electric shock.
This machine should not be placed outdoors or exposed to rain.
Connect to drinking water mains.
This appliance is not intended for use by young children or infirm persons without supervision.
Young children should be supervised to ensure that they do not play with the appliance.
IMPORTANT!
DO NOT ATTEMPT TO SERVICE THIS MACHINE AS IT IS DANGEROUS AND COULD CAUSE SEVERE
DAMAGE TO THE UNIT.
SERVICE SHOULD ONLY BE CARRIED OUT BY TRAINED, QUALIFIED PERSONNEL.
WE STRONGLY RECOMMEND USING ONLY ORIGINAL REPLACEMENT PARTS AVAILABLE FROM AN
AUTHORIZED DISTRIBUTOR.
WASTE AND OTHER MATERIAL SHOULD BE DISPOSED OF ACCORDING TO LOCAL REGULATIONS AND
PROCEDURES FOR WASTE DISPOSAL.
CLEANING AND MAINTENANCE ARE NOT COVERED BY THE WARRANTY.
4