
5
dc1587f
DEMO MANUAL DC1587
Information furnished by Linear Technology Corporation is believed to be accurate and reliable.
However, no responsibility is assumed for its use.Linear Technology Corporation makes no representation
that the interconnection of its circuits as described herein will not infringe on existing patent rights.
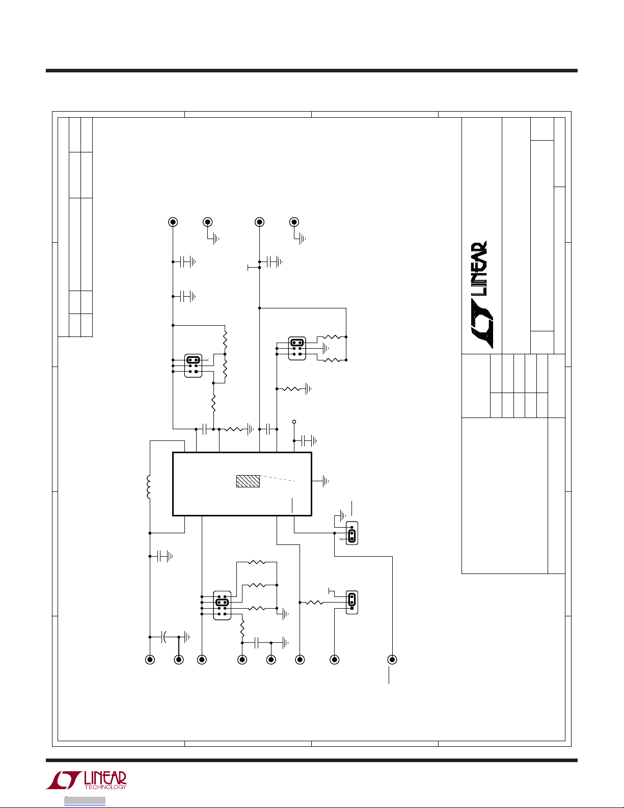
SCHEMATIC DIAGRAM
5
5
4
4
3
3
2
2
1
1
D D
C C
B B
A A
CDRH3D18NP-100N
MPPC
0.4V
2V
DIODE
VPGOOD
VLDO
PGOOD SHDN
ON
OFF
0805
BOOST
5V
1.8V
3.3V
LDO
1.5V
2.2V
3V
1.8V / 3.3V / 5V
1.5V / 2.2V / 3V
@6mA
0805
0805 0805
0.2V - 5V
4V
2. INSTALL SHUNTS AS SHOWN.
1. ALL RESISTORS ARE IN 0402
ALL CAPACITORS ARE IN 0402
NOTE: UNLESS OTHERWISE SPECIFIED
352'8&7,21 )5$1+
0603
0603
LDO
LDO
6,=(
'$7(
,&12 5(9
6+((7 2)
7,7/(
$33529$/6
3&%'(6
$33(1*
TECHNOLOGY )D[
0LOSLWDV&$
3KRQH
0F&DUWK\%OYG
/7&&RQILGHQWLDO)RU&XVWRPHU8VH2QO\
&86720(5127,&(
/,1($57(&+12/2*<+$60$'($%(67())25772'(6,*1$
&,5&8,77+$70((76&86720(56833/,('63(&,),&$7,216
+2:(9(5,75(0$,167+(&86720(565(63216,%,/,7<72
9(5,)<3523(5$1'5(/,$%/(23(5$7,21,17+($&78$/
$33/,&$7,21&20321(1768%67,787,21$1'35,17('
&,5&8,7%2$5'/$<2870$<6,*1,),&$17/<$))(&7&,5&8,7
3(5)250$1&(255(/,$%,/,7<&217$&7/,1($5
7(&+12/2*<$33/,&$7,216(1*,1((5,1*)25$66,67$1&(
7+,6&,5&8,7,635235,(7$5<72/,1($57(&+12/2*<$1'
6&+(0$7,&
6833/,(')2586(:,7+/,1($57(&+12/2*<3$576
6&$/( 121(
ZZZOLQHDUFRP
7XHVGD\1RYHPEHU
9(5</2:9,167(383&219(57(5
-:
)5$1+
1$
/7&(''
'(02&,5&8,7$
:,7+0$;,08032:(532,17&21752/$1'/'2
6,=(
'$7(
,&12 5(9
6+((7 2)
7,7/(
$33529$/6
3&%'(6
$33(1*
TECHNOLOGY )D[
0LOSLWDV&$
3KRQH
0F&DUWK\%OYG
/7&&RQILGHQWLDO)RU&XVWRPHU8VH2QO\
&86720(5127,&(
/,1($57(&+12/2*<+$60$'($%(67())25772'(6,*1$
&,5&8,77+$70((76&86720(56833/,('63(&,),&$7,216
+2:(9(5,75(0$,167+(&86720(565(63216,%,/,7<72
9(5,)<3523(5$1'5(/,$%/(23(5$7,21,17+($&78$/
$33/,&$7,21&20321(1768%67,787,21$1'35,17('
&,5&8,7%2$5'/$<2870$<6,*1,),&$17/<$))(&7&,5&8,7
3(5)250$1&(255(/,$%,/,7<&217$&7/,1($5
7(&+12/2*<$33/,&$7,216(1*,1((5,1*)25$66,67$1&(
7+,6&,5&8,7,635235,(7$5<72/,1($57(&+12/2*<$1'
6&+(0$7,&
6833/,(')2586(:,7+/,1($57(&+12/2*<3$576
6&$/( 121(
ZZZOLQHDUFRP
7XHVGD\1RYHPEHU
9(5</2:9,167(383&219(57(5
-:
)5$1+
1$
/7&(''
'(02&,5&8,7$
:,7+0$;,08032:(532,17&21752/$1'/'2
6,=(
'$7(
,&12 5(9
6+((7 2)
7,7/(
$33529$/6
3&%'(6
$33(1*
TECHNOLOGY )D[
0LOSLWDV&$
3KRQH
0F&DUWK\%OYG
/7&&RQILGHQWLDO)RU&XVWRPHU8VH2QO\
&86720(5127,&(
/,1($57(&+12/2*<+$60$'($%(67())25772'(6,*1$
&,5&8,77+$70((76&86720(56833/,('63(&,),&$7,216
+2:(9(5,75(0$,167+(&86720(565(63216,%,/,7<72
9(5,)<3523(5$1'5(/,$%/(23(5$7,21,17+($&78$/
$33/,&$7,21&20321(1768%67,787,21$1'35,17('
&,5&8,7%2$5'/$<2870$<6,*1,),&$17/<$))(&7&,5&8,7
3(5)250$1&(255(/,$%,/,7<&217$&7/,1($5
7(&+12/2*<$33/,&$7,216(1*,1((5,1*)25$66,67$1&(
7+,6&,5&8,7,635235,(7$5<72/,1($57(&+12/2*<$1'
6&+(0$7,&
6833/,(')2586(:,7+/,1($57(&+12/2*<3$576
6&$/( 121(
ZZZOLQHDUFRP
7XHVGD\1RYHPEHU
9(5</2:9,167(383&219(57(5
-:
)5$1+
1$
/7&(''
'(02&,5&8,7$
:,7+0$;,08032:(532,17&21752/$1'/'2
5(9,6,21+,6725<
'(6&5,37,21
'$7(
$33529('
(&2
5(9
5(9,6,21+,6725<
'(6&5,37,21
'$7(
$33529('
(&2
5(9
5(9,6,21+,6725<
'(6&5,37,21
'$7(
$33529('
(&2
5(9
E8
PGOOD
E8
PGOOD
E12
GND
E12
GND
C4
1uF
16V
C4
1uF
16V
R7
200K
1%
R7
200K
1%
E9
VPGOOD
E9
VPGOOD
R9
549K
1%
R9
549K
1%
E10
SHDN
E10
SHDN
JP2JP2
1 2
3 4
5 6
87
C7
4.7uF
16V
C7
4.7uF
16V
R6
40.2K
1%
R6
40.2K
1%
R4
499K
1%
R4
499K
1%
L1
10uH
L1
10uH
R12
1.1M
1%
R12
1.1M
1%
R10
100K
R10
100K
R8
402K
1%
R8
402K
1%
JP4JP4
1
2
3
C10
10nF
C10
10nF C6
33pF
C6
33pF
R11
274K
1%
R11
274K
1%
R2
750K
1%
R2
750K
1%
R3
845K
1%
R3
845K
1%
E7
GND
E7
GND
E1
+VIN
E1
+VIN
E2
GND
E2
GND
JP1JP1
1 2
3 4
5 6
JP5JP5
1
2
3
C8
1uF
16V
C8
1uF
16V
E3
BOOST OUTPUT
E3
BOOST OUTPUT
C5
33pF
C5
33pF
Exposed Pad
Solder Side
U1
LTC3105EDD
Exposed Pad
Solder Side
U1
LTC3105EDD
FB 1
SW 7
PGOOD
8
VIN
6
GND
11
AUX 10
SHDN
4
FBLDO 3
VOUT 9
LDO 2
MPPC
5
R5
0
R5
0
E11
DIODE
E11
DIODE
+
TANT
C2
(OPT.)
+
TANT
C2
(OPT.)
R1
392K
1%
R1
392K
1%
JP3JP3
1 2
3 4
5 6
E5
GND
E5
GND
C1
10uF
6.3V
C1
10uF
6.3V
C3
10uF
16V
C3
10uF
16V
E4
MPPC
E4
MPPC
E6
LDO OUTPUT
E6
LDO OUTPUT
Downloaded from Arrow.com.Downloaded from Arrow.com.Downloaded from Arrow.com.Downloaded from Arrow.com.Downloaded from Arrow.com.