2
ITALIANO ENGLISH
SIN.NT.010.7 – M40FA610A/A Issued 03.2011
INTRODUZIONE
La presente Nota Tecnica fornisce informazioni generali di
installazione ed uso relativamente al regolatore Marelli Motori il
cui codice è riportato nel presente documento, montato su
generatori Marelli Motori del tipo indicato nel paragrafo
“APPLICAZIONE” (che segue).
Prima di avviare il generatore e di effettuare qualsiasi tipo di
operazione sulla regolazione, leggere con attenzione e nella
loro interezza tutte le istruzioni contenute nella presente Nota
Tecnica.
NOTA IMPORTANTE: Non è intenzione della presente Nota
Tecnica coprire tutte le possibili varianti applicative o
d’installazione, né fornire dati o informazioni a supporto di ogni
possibile contingenza. Gli schemi di collegamento forniti con il
generatore, il Manuale d’Uso e Manutenzione dello stesso e le
eventuali informazioni aggiuntive fornite da personale tecnico
qualificato Marelli Motori integrano e completano la presente
Nota.
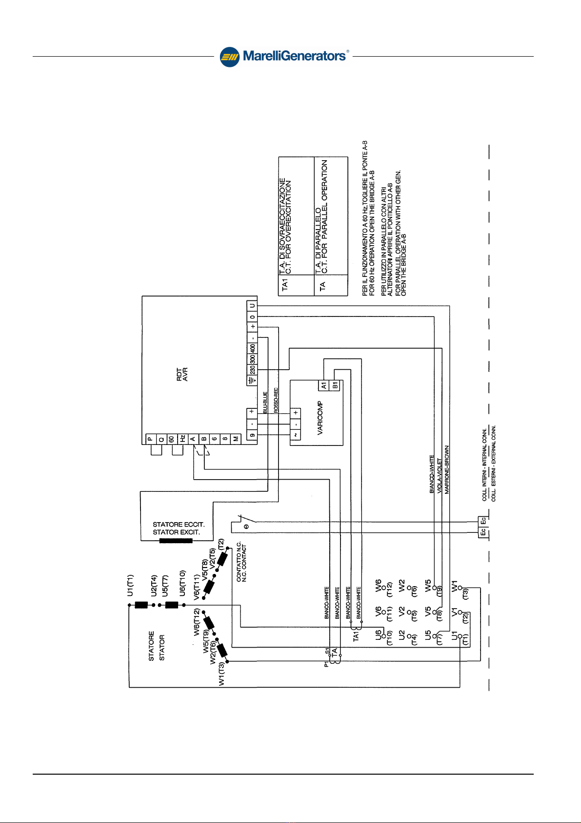
In particolare, gli schemi riportati in questo documento
forniscono solo un esempio delle modalità di collegamento e
funzionamento del dispositivo; essi non coprono tutti i possibili
casi applicativi e non sostituiscono gli schemi di collegamento
normalmente forniti con il generatore.
Se dovessero rendersi necessarie ulteriori informazioni
sull’applicazione, rivolgersi al Servizio Marelli di Assistenza
Cliente, i cui dati di riferimento sono riportati a fondo pagina.
PRECAUZIONI DI SICUREZZA
ATTENZIONE: quando la scheda di
regolazione è alimentata (macchina in
rotazione) è presente una tensione letale per
l’uomo sulla parte superiore del dispositivo (lato
connessioni) e su tutte le parti elettricamente connesse ad
esso. Sono inoltre presenti sulla scheda componenti che
possono raggiungere durante il normale esercizio delle
temperature elevate e pericolose per l’uomo in caso di contatto
diretto. Qualsiasi operazione su cablaggio e/o installazione
meccanica del regolatore deve essere svolta da
personale qualificato e informato, a generatore
fermo e assicurandosi che ci sia stato un tempo sufficiente
al componente di regolazione per recuperare una
temperatura di sicurezza.
Qualsiasi operazione di taratura deve essere
svolta, con macchina in funzionamento a
vuoto, da personale qualificato e informato,
utilizzando strumenti idonei a garantire la sicurezza
elettrica (ad esempio cacciavite isolato) e indossando tutti i
dispositivi di protezione individuale necessari (in
particolare occhiali e guanti di protezione).
Marelli Motori declina ogni responsabilità per danni al
regolatore, all’impianto o alle persone, o per mancato guadagno
o perdite di denaro, o fermo di impianti, causati
dall’inosservanza delle istruzioni di sicurezza e/o di
installazione/utilizzo riportate nella presente Nota Tecnica.
INTRODUCTION
This Technical Note provides general installation and operating
information exclusively concerning the Marelli Motori regulator
code specified in the document, mounted on the Marelli Motori
synchronous generators specified in the next paragraph
“APPLICATION”.
Before the generator start and any types of regulation
operation, read carefully and completely this Technical Note.
IMPORTANT NOTE: It is not the intention of this document to
cover all the installation or connection diagram variations, nor
does this manual provide information for every possible
contingency. The connection drawings provided with the
generator, the generator user manual and all the technical
information provided by Marelli Motori Technical Personnel can
integrate this Note.
In particular, the connection drawings into this document are
provided only for explanation purposes. They do not cover all
the application cases and not substitute the connection
drawings usually provided with the generator.
Should further information be required, please contact After
Sales Department (see the reference at the end of the page).
SAFETY PRECAUTIONS
WARNING: when the regulation device is
energized (generator running), a lethal
voltage is present at the top panel
(connection side) and at all the parts electrically connected
to it. Furthermore, there are components into the card that can
reach high working temperatures, with high danger for the user
in case of direct contact.
Every wiring and/or mechanical installation
operation on the regulator must be performed only
in generator stop conditions, and only by skilled
personnel. Furthermore, pay attention to wait a time
interval sufficient for the device cooling-down.
Every regulation setting operation must be
performed with generator running in no load
conditions, by skilled personnel, using tools
suitable to assure the user safety (i.e. isolated screwdriver,
protection glasses and gloves).
Marelli Motori is under no liability for any damages which may
occur to the AVR, the plant or the persons, or for lost earnings,
or financial loss, or system stoppages, due to missed out
Technical Note reading (both safety and installation/operating
instructions).
AFTER MARKET DEPARTMENT
MARELLI MOTORI S.p.A.
Tel: +39 0444 479775 Fax: +39 0444 479757
Web: www.marellimotori.com