5
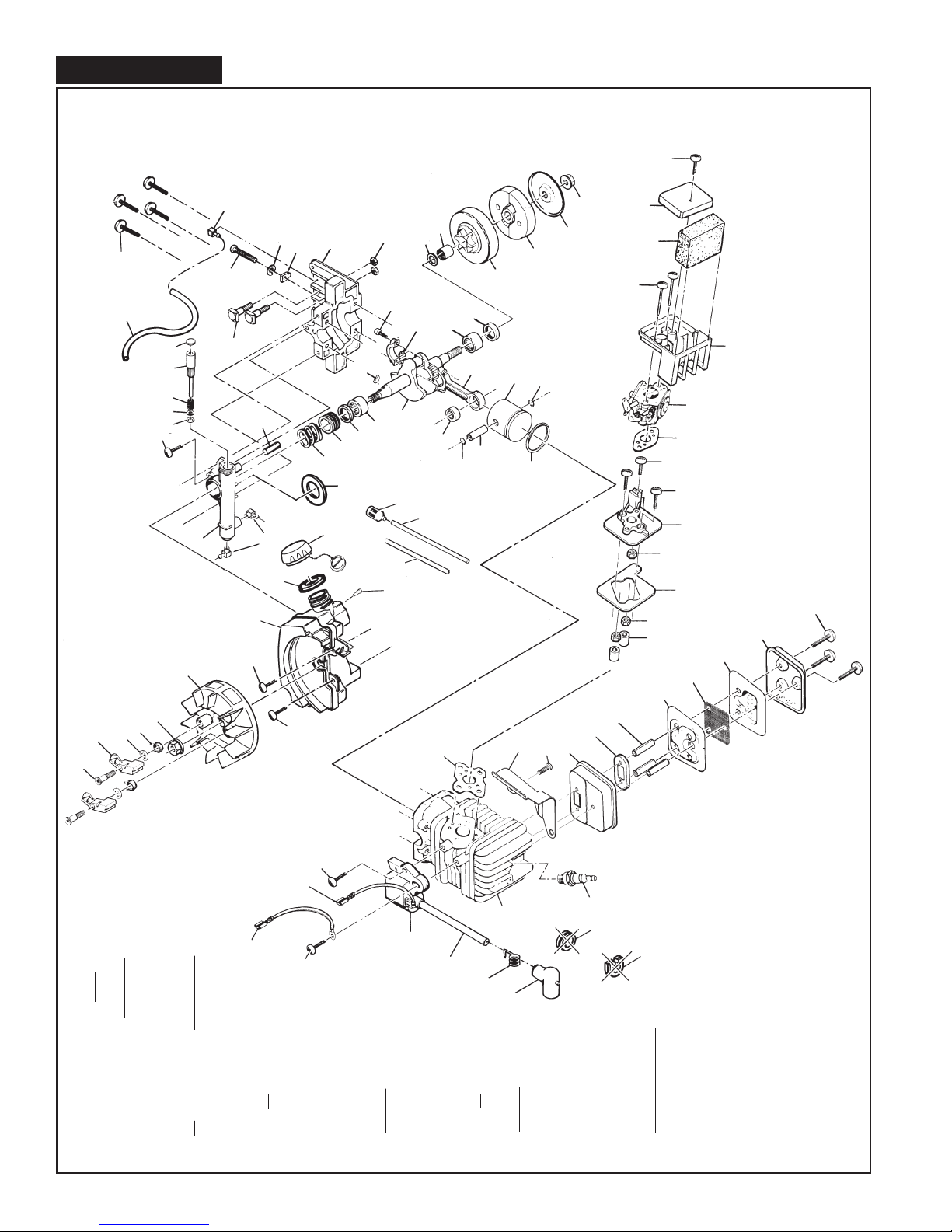
FIGURE 2
POWERHEAD ASSEMBLY
1 A 301304 Oil Pump Asy 1
2 B 322182 . Fitting 2
3 A 301084 . Kit, Gear/Plunger Asy 1
4 A 110582 .. Washer 1
5 - -- -- .. O-Ring 1
6 - -- -- .. Spring 1
7 - -- -- .. Pin, Dowel 1
8 B 322187 .. Plug, Oil Pump 1
9 A 111226 . Screw, 10-24 x .62 Tr Hd Torx 2
10 A 224814 Worm Gear 1
11 A 224840 Spring, Compression 1
12 A 300295 Seal, Foam, Oil Pump 1
13 A 300288 Connecting Hose 1
14 A 301284 Short Block Asy 1
15 A 83856-01 . Bolt, Bar 2
16 B 300257 . Fitting 1
17 A 111083 . Screw, 12-24 x 1.0 Hx Wshr Hd 4
18 C 323923 . Baffle, Air 1
19 A 111054 . Screw, 10-24x.625 1
20 A 110676 Nut, Hx 1/4-28 Flange 2
21 - -- -- Crankshaft/Bearing Asy 1
22 A 213282 . Bearing, C’shaft 2
23 A 83859 . Seal, C’shaft Oil 2
24 - -- -- Connecting Rod/Bearing Asy 1
25 - -- -- . Screw, Conn Rod 2
26 - -- -- . Set, Roller Pins 1
27 B 302220 Flywheel/Pawl Asy 1
28 A 300763-01 . Kit, Flywheel Pawls 2
29 A 216982 .. Spring, Starter Pawl 2
30 C 111131 .. Washer, Sp .469 OD x .222 ID 2
31 - -- -- .. Pawls 2
32 A 322721 .. Pin, Starter Pawl 2
33 A 102164 Key, Flywheel 1
14 - -- -- Kit, Piston, 38cc 1
35 - -- -- . Bearing, Needle- Drawn Cup 1
36 - -- -- . Pin, Piston 1
37 - -- -- . Ring, Snap 2
38 - -- -- . Piston, Ring, 38cc 1
39 A 110961 Nut, Hx 5/16-24 1
40 A 217936 Screw, Tr 10-24 x .75 Torx 2
41 B 300555 Wire Asy, Ground 1
42 B 300556 Wire Asy, Stop Switch 1
43 A 302138 Ignition Asy 1
44 A 223884 . Kit, Plug Wire 1
45 A 102556 .. Connector 1
46 A 95266 .. Boot 1
47 B 110995 .. Grommet 1
48 B 215533-01 .. Grommet 1
49 A 322208 Spark Plug RDJ7Y 1
50 B 301045 Muffler Asy 1
51 - -- -- . Body 1
52 - -- -- . Plate, Reinforcing 1
53 - -- -- . Spacer 3
54 - -- -- . Baffle, Inner Muffler 1
55 B 300286 . Screen, Spark Arrester 1
56 - -- -- . Baffle, Outer 1
57 - -- -- . Cover, Muffler 1
58 B 111093 . Screw, 10-24 x 1.75 Tr Hd Torx 3
59 A 300265 Gasket, Insulator 1
60 A 224820 Insulator, Carburetor 1
61 A 218315 Nut, Hx 10-24 3
62 A 322188 Spacer, Rubber 2
63 A 224850 Seal, Foam 1
64 B 217937 Screw, Tr 10-24 x 1.00 Torx 2
65 A 217936 Screw, Tr 10-24 x .75 Torx 1
66 A 300293 Gasket, Carburetor 1
67 - FIGURE 4 Carburetor/Choke Asy 1
68 A 218083 Screw, Tr 10-24 x 2.0 Torx 2
69 C 224824 Box, Air Filter 1
70 A 224831 Filter, Air 1
71 B 224825 Shield, Carburetor 1
72 A 111055 Screw, 10-14 x .625 Plastite 1
73 A 268656-33
Gas Bar Adj Screw Nut & Ring
1
74 - -- -- . Ring, Retaining 1
75 - -- -- . Nut, Bar Adjusting 1
76 A 302768 Drum/Sprocket/Bearing Asy 1
77 A 91117 . Bearing 1
78 B 215259 Washer, Sprocket 1
79 A 301463 Kit, Clutch Asy 1
80 B 300276 Plate, Dust 1
81 A 111079 Nut, Clutch, 5/16-24 LH 1
82 A 301834 Fuel Tank Asy 1
83 A 300289 . Hose, Fuel Pickup 1
84 A 216985 . Filter, Fuel 1
85 A 322199 . Valve, Duckbill 1
86 A 300290 . Hose, Primer Retain 1
87 A 300564 Cap, Fuel Asr 1
88 - -- -- . Gasket, Fuel Cap 1
ITEM STK PART UNITS
NO. CODE NUMBER DESCRIPTION PER ASY ITEM STK PART UNITS
NO. CODE NUMBER DESCRIPTION PER ASY
32/35cc piston and cylinder are no longer available;
for replacement parts, the 38cc Shortblock Asy, PN 301284,
must be used.
ontents of 38cc Shortblock Asy, PN 301284
Not used on these models