
Page 6of 9
6. Maintenance
No action after turning on themachine
1). Check the plug whether it connects properly or whether it is broken.
2). Check the power switch or temp. & time controller whether it is broken.
3). Check the fuse whether it has been burnt out.
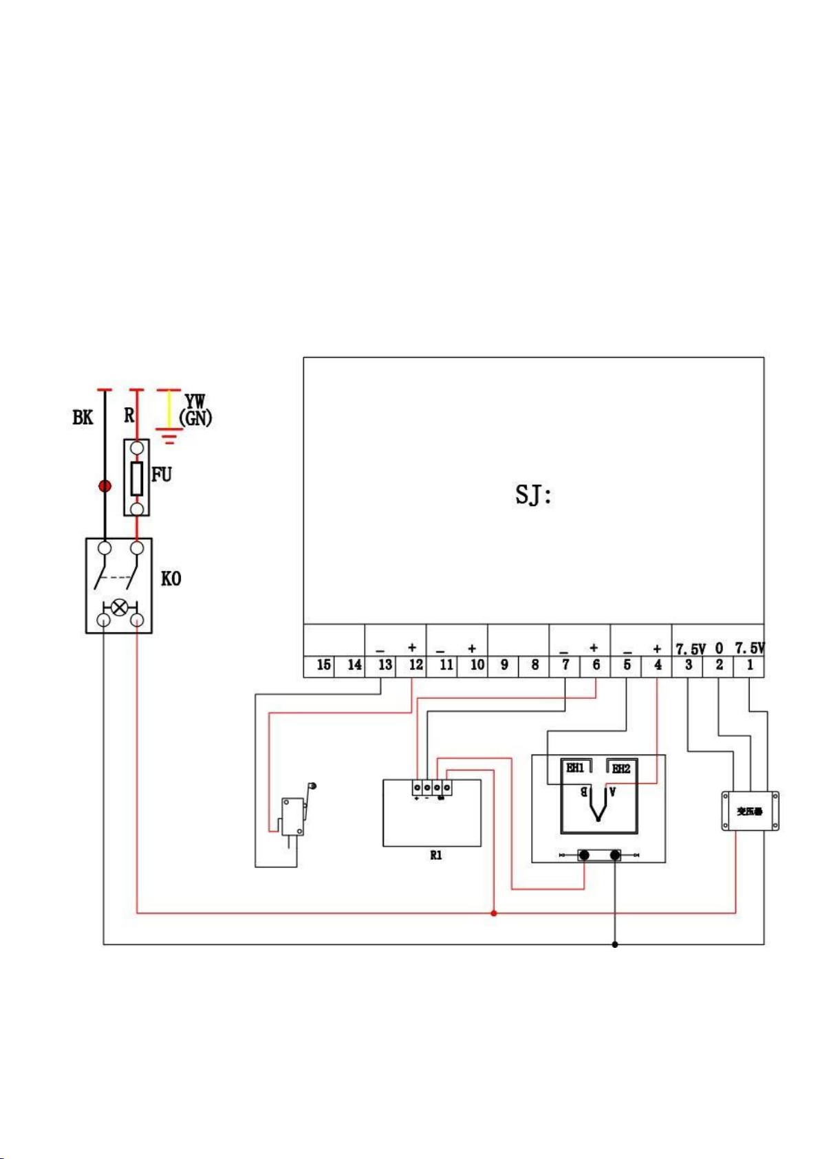
4). The indicating light is on, but no display on screen, check the 5 cables to the Railway transformer. If it
any are lose, this is showing the problem is a poor connection. If they are connected well, this is showing
that the Transformer is faulty.
After turning the power switch on, the light is illuminated, but the Temperature controller only
displays –L-- and there are no other changes.
Check the connection of Thermocouple whether it is loose. Or if the Thermocouple is broken.
After turning the power switch on, the light is illuminated, but the Temperature controller only displays –H--
and there are no other changes.
Check the temperature controller as to if the internals are damp, if this isn't the case, the controller is broken.
After turning the power switch on, the light is illuminated, but the Temperature controller displays incomplete
data.
Check the display screen to see if there is any visible damage, or if the cables to the display have become loose
(Secure the cables if so).
The machine is working but the timer isn't working: After pressing the time limit switch, the time controller
shows nocountdown.
1). Check the connection of the time limit switch as to whether it is loose.
2). Check the switch whether it’s pressed properly.
3). If above steps are not the problem, it's possible the time limit switch is broken.
The heat platen is heating well, but the Time Controller countdown even the platen is not pressed down.
Checking the two cables of Limit Switch whether they are connected mistakenly. If the connection is reversed, the
problem would exist.
The setting temp and time becomes abnormal after exchanging the heatplaten
1). Please reset the temp and time referring the operation process manual.
Other notice
1). In order to prolong the machine service life, please add lubrication oil regularly on the joints.
2). In order to keep the heat platen's good transfer effect, you need to protect the heat platen carefully whether
you are using it or not.
3). Please store the machine in a dry place.
4). If you are not able to solve the electrical parts problem, please kindly contact us at
support@ukcutter.co.uk