
TRI-SEAL QUARTER-FLEX BUTTERFLY VALVE
4
MATERIALS OF CONSTRUCTION - ANSI CLASS 150
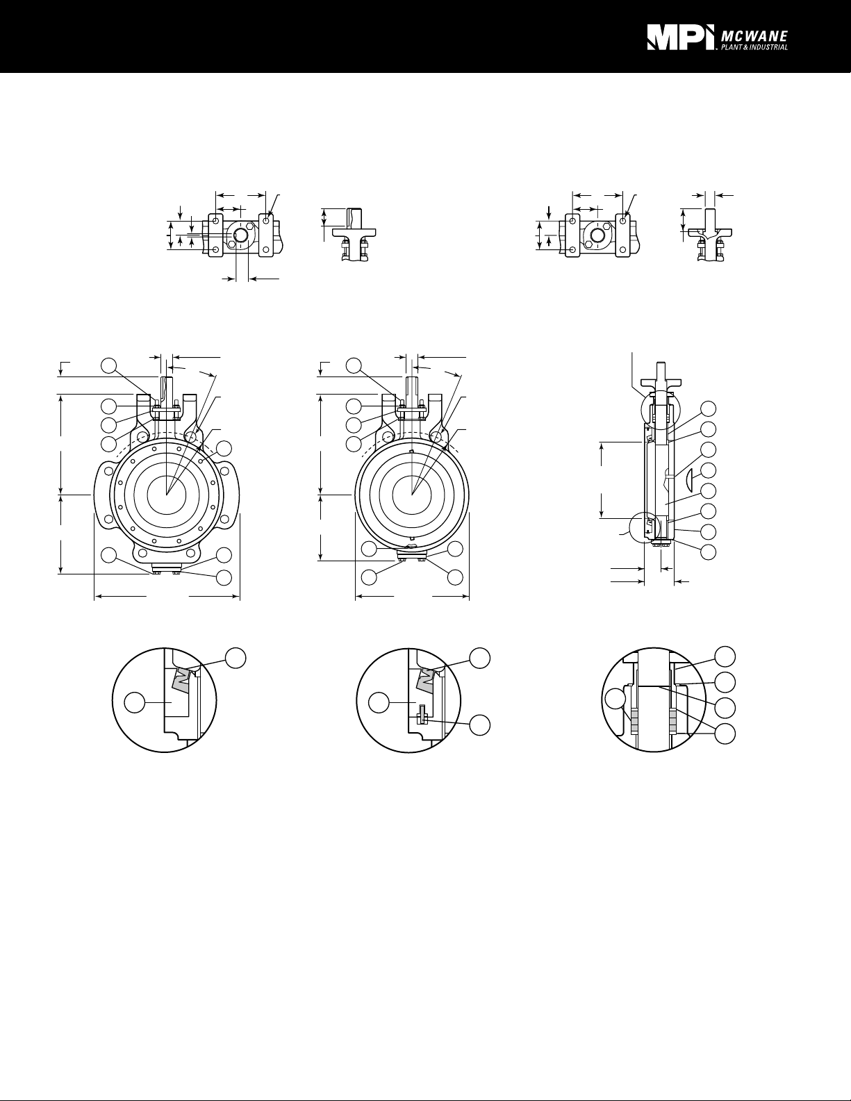
Dimensions (inches) - ANSI Class 150
Wafer Style
Seat Detail
Stem Detail
Keyed Stem
10"-24" Cl. 150
8"-12" Cl. 300
Flatted Stem
2
1
/
2
"- 8" Cl. 150
3"- 6" Cl. 300
Lug Style
Seat Detail
20 10
27
13
12
13
14
3
2
1
12
4
9
6
8
8
7
6
14
22
21
20
24
22
21
19
18
17
16
19
18
17
16
5
A-
Dia.
C
B
G
Dia.
D
E
T
V-
Dia.
Thru
N
Flats
U
Y
V-
Dia.
Thru
U
R
Y
TX
P
S
J
1
-
Dia. Thru
W-
Qty.
K-
Dia.
J-
Dia.
(2) Thru Holes
See Stem Detail
See Seat Detail
K-
Dia.
H
˚
H
˚
L-
Dia.
L-
Dia.
F
D
1
E
F
A
1
-
Dia.
Lug Style Wafer Style
Size
Dimension (in.) - ANSI Class 150
A A1 B C D D1 E F G H J J1 K L N P R S T U V W X Y
2.5
4.69 6.75 1.06 1.88 3.00 3.00 4.75 1.00 2.19 45.00 .69
5
/
8
-11 5.50 .56 .38 — — 1.078 1.50 3.25 .344 4 .75 1.63
3
5.19 7.25 1.06 1.88 3.25 3.31 5.13 1.00 2.81 45.00 .69
5
/
8
-11 6.00 .56 .38 — — 1.078 1.50 3.25 .344 4 .75 1.63
4
6.50 8.88 1.06 2.13 3.94 4.94 6.25 1.00 3.88 22.50 .69
5
/
8
-11 7.50 .63 .50 — — 1.078 2.00 3.50 .406 8 1.00 1.75
5
7.56 10.00 1.25 2.25 4.56 5.44 7.06 1.00 4.75 22.50 .81
3
/
4
-10 9.00 .88 .63 — — 1.078 2.00 3.50 .406 8 1.00 1.75
6
8.63 11.00 1.25 2.25 5.00 5.88 7.63 1.00 5.75 22.50 .81
3
/
4
-10 9.50 .88 .63 — — 1.078 2.00 3.50 .406 8 1.00 1.75
8
10.81 13.50 1.44 2.50 6.19 7.00 9.63 1.75 7.63 22.50 .81
3
/
4
-10 11.75 1.13 .88 — — 1.828 2.56 4.00 .563 8 1.28 2.00
10
12.88 16.00 1.63 2.81 7.25 8.44 10.22 2.94 9.69 15.00 .94
7
/
8
-9 14.25 1.13 — .25 .984 2.25 3.25 4.75 .563 12 1.63 2.38
12
15.25 19.00 1.75 3.19 8.75 10.00 11.94 3.00 11.69 15.00 .94
7
/
8
-9 17.00 1.25 — .38 1.033 2.25 3.50 5.00 .688 12 1.75 2.50
14
16.75 21.00 1.88 3.63 9.88 10.88 13.19 3.00 12.81 15.00 1.06 1-8 18.75 1.38 — .38 1.156 2.25 4.75 5.63 .688 12 2.38 2.81
16
19.88 23.50 2.19 4.00 11.28 12.59 14.34 4.56 14.78 11.25 1.13 1-8 21.25 1.50 — .38 1.28 3.63 5.13 7.00 .688 16 2.56 3.50
18
21.00 25.00 2.47 4.50 13.38 13.38 16.44 4.81 16.75 11.25 1
1
/
8
-8 1
1
/
8
-8 22.75 1.75 — .50 1.47 4.00 5.50 8.00 .813 16 2.75 4.00
20
23.00 27.50 2.47 5.00 14.81 14.81 18.00 4.81 18.72 9 1
1
/
8
-8 1
1
/
8
-8 25.00 1.75 — .50 1.47 4.00 5.50 8.00 .813 20 2.75 4.00
24
27.75 32.00 3.03 6.06 16.63 16.63 20.25 4.44 22.63 9 1
1
/
8
-8 1
1
/
8
-8 29.50 2.75 — .75 2.38 4.00 9.00 11.00 .813 20 4.50 5.50
30
34 38.75 4.25 8.50 29.88 29.88 33.13 10.31 28 6.25 1
1
/
4
-8 1
1
/
4
-8 36.00 2.992 — .75 2.562 4.50 6.38 6.38
3
/
4
-10 28 3 3
36 39.25 47.25 4.19 8.38 27.38 27.38 37.00 11.00 34.0 5.63 1
1
/
2
-8
1
1
/
2
-8 4.75 3.999
—
1.0 3.437 4.50 6.50 9.50 1-8 32 3.25 4.75
Dimensions (inches) - ANSI Class 150
Wafer Style
Seat Detail
Stem Detail
Keyed Stem
10"-24" Cl. 150
8"-12" Cl. 300
Flatted Stem
2
1
/
2
"- 8" Cl. 150
3"- 6" Cl. 300
Lug Style
Seat Detail
20 10
27
13
12
13
14
3
2
1
4
9
6
8
8
7
6
14
22
21
20
24
22
21
19
18
17
16
19
18
17
16
5
A-
Dia.
C
B
G
Dia.
D
E
T
V-
Dia.
Thru
N
Flats
U
Y
V-
Dia.
Thru
U
R
Y
X
TX
P
SS
J
1
-
Dia. Thru
W-
Qty.
K-
Dia.
J-
Dia.
(2) Thru Holes
See Stem Detail
See Seat Detail
K-
Dia.
H
˚
H
˚
L-
Dia.
L-
Dia.
F
D
1
E
F
A
1
-
Dia.
Lug Style Wafer Style
Size
Dimension (in.) - ANSI Class 150
A A1 B C D D1 E F G H J J1 K L N P R S T U V W X Y
2.5
4.69 6.75 1.06 1.88 3.00 3.00 4.75 1.00 2.19 45.00 .69
5
/
8
-11 5.50 .56 .38 — — 1.078 1.50 3.25 .344 4 .75 1.63
3
5.19 7.25 1.06 1.88 3.25 3.31 5.13 1.00 2.81 45.00 .69
5
/
8
-11 6.00 .56 .38 — — 1.078 1.50 3.25 .344 4 .75 1.63
4
6.50 8.88 1.06 2.13 3.94 4.94 6.25 1.00 3.88 22.50 .69
5
/
8
-11 7.50 .63 .50 — — 1.078 2.00 3.50 .406 8 1.00 1.75
5
7.56 10.00 1.25 2.25 4.56 5.44 7.06 1.00 4.75 22.50 .81
3
/
4
-10 9.00 .88 .63 — — 1.078 2.00 3.50 .406 8 1.00 1.75
6
8.63 11.00 1.25 2.25 5.00 5.88 7.63 1.00 5.75 22.50 .81
3
/
4
-10 9.50 .88 .63 — — 1.078 2.00 3.50 .406 8 1.00 1.75
8
10.81 13.50 1.44 2.50 6.19 7.00 9.63 1.75 7.63 22.50 .81
3
/
4
-10 11.75 1.13 .88 — — 1.828 2.56 4.00 .563 8 1.28 2.00
10
12.88 16.00 1.63 2.81 7.25 8.44 10.22 2.94 9.69 15.00 .94
7
/
8
-9 14.25 1.13 — .25 .984 2.25 3.25 4.75 .563 12 1.63 2.38
12
15.25 19.00 1.75 3.19 8.75 10.00 11.94 3.00 11.69 15.00 .94
7
/
8
-9 17.00 1.25 — .38 1.033 2.25 3.50 5.00 .688 12 1.75 2.50
14
16.75 21.00 1.88 3.63 9.88 10.88 13.19 3.00 12.81 15.00 1.06 1-8 18.75 1.38 — .38 1.156 2.25 4.75 5.63 .688 12 2.38 2.81
16
19.88 23.50 2.19 4.00 11.28 12.59 14.34 4.56 14.78 11.25 1.13 1-8 21.25 1.50 — .38 1.28 3.63 5.13 7.00 .688 16 2.56 3.50
18
21.00 25.00 2.47 4.50 13.38 13.38 16.44 4.81 16.75 11.25 1
1
/
8
-8 1
1
/
8
-8 22.75 1.75 — .50 1.47 4.00 5.50 8.00 .813 16 2.75 4.00
20
23.00 27.50 2.47 5.00 14.81 14.81 18.00 4.81 18.72 9 1
1
/
8
-8 1
1
/
8
-8 25.00 1.75 — .50 1.47 4.00 5.50 8.00 .813 20 2.75 4.00
24
27.75 32.00 3.03 6.06 16.63 16.63 20.25 4.44 22.63 9 1
1
/
8
-8 1
1
/
8
-8 29.50 2.75 — .75 2.38 4.00 9.00 11.00 .813 20 4.50 5.50
30
34 38.75 4.25 8.50 29.88 29.88 33.13 10.31 28 6.25 1
1
/
4
-8 1
1
/
4
-8 36.00 2.992 — .75 2.562 4.50 6.38 6.38
3
/
4
-10 28 3 3
36 39.25 47.25 4.19 8.38 27.38 27.38 37.00 11.00 34.0 5.63 1
1
/
2
-8
1
1
/
2-
8 4.75 3.999
—
1.0 3.437 4.50 6.50 9.50 1-8 32 3.25 4.75
Dimensions (inches) - ANSI Class 150
Wafer Style
Seat Detail
Stem Detail
Keyed Stem
10"-24" Cl. 150
8"-12" Cl. 300
Flatted Stem
2
1
/
2
"- 8" Cl. 150
3"- 6" Cl. 300
Lug Style
Seat Detail
20 10
27
13
12
13
14
12
4
9
6
8
8
7
6
14
22
21
20
24
22
21
19
18
17
16
19
18
17
16
5
A-
Dia.
C
B
G
Dia.
D
E
T
V-
Dia.
Thru
N
Flats
U
Y
V-
Dia.
Thru
U
R
Y
X
TX
P
SS
J
1
-
Dia. Thru
W-
Qty.
K-
Dia.
J-
Dia.
(2) Thru Holes
See Stem Detail
See Seat Detail
K-
Dia.
H
˚
H
˚
L-
Dia.
L-
Dia.
F
D
1
E
F
A
1
-
Dia.
Lug Style Wafer Style
Size
Dimension (in.) - ANSI Class 150
A A1 B C D D1 E F G H J J1 K L N P R S T U V W X Y
2.5
4.69 6.75 1.06 1.88 3.00 3.00 4.75 1.00 2.19 45.00 .69
5
/
8
-11 5.50 .56 .38 — — 1.078 1.50 3.25 .344 4 .75 1.63
3
5.19 7.25 1.06 1.88 3.25 3.31 5.13 1.00 2.81 45.00 .69
5
/
8
-11 6.00 .56 .38 — — 1.078 1.50 3.25 .344 4 .75 1.63
4
6.50 8.88 1.06 2.13 3.94 4.94 6.25 1.00 3.88 22.50 .69
5
/
8
-11 7.50 .63 .50 — — 1.078 2.00 3.50 .406 8 1.00 1.75
5
7.56 10.00 1.25 2.25 4.56 5.44 7.06 1.00 4.75 22.50 .81
3
/
4
-10 9.00 .88 .63 — — 1.078 2.00 3.50 .406 8 1.00 1.75
6
8.63 11.00 1.25 2.25 5.00 5.88 7.63 1.00 5.75 22.50 .81
3
/
4
-10 9.50 .88 .63 — — 1.078 2.00 3.50 .406 8 1.00 1.75
8
10.81 13.50 1.44 2.50 6.19 7.00 9.63 1.75 7.63 22.50 .81
3
/
4
-10 11.75 1.13 .88 — — 1.828 2.56 4.00 .563 8 1.28 2.00
10
12.88 16.00 1.63 2.81 7.25 8.44 10.22 2.94 9.69 15.00 .94
7
/
8
-9 14.25 1.13 — .25 .984 2.25 3.25 4.75 .563 12 1.63 2.38
12
15.25 19.00 1.75 3.19 8.75 10.00 11.94 3.00 11.69 15.00 .94
7
/
8
-9 17.00 1.25 — .38 1.033 2.25 3.50 5.00 .688 12 1.75 2.50
14
16.75 21.00 1.88 3.63 9.88 10.88 13.19 3.00 12.81 15.00 1.06 1-8 18.75 1.38 — .38 1.156 2.25 4.75 5.63 .688 12 2.38 2.81
16
19.88 23.50 2.19 4.00 11.28 12.59 14.34 4.56 14.78 11.25 1.13 1-8 21.25 1.50 — .38 1.28 3.63 5.13 7.00 .688 16 2.56 3.50
18
21.00 25.00 2.47 4.50 13.38 13.38 16.44 4.81 16.75 11.25 1
1
/
8
-8 1
1
/
8
-8 22.75 1.75 — .50 1.47 4.00 5.50 8.00 .813 16 2.75 4.00
20
23.00 27.50 2.47 5.00 14.81 14.81 18.00 4.81 18.72 9 1
1
/
8
-8 1
1
/
8
-8 25.00 1.75 — .50 1.47 4.00 5.50 8.00 .813 20 2.75 4.00
24
27.75 32.00 3.03 6.06 16.63 16.63 20.25 4.44 22.63 9 1
1
/
8
-8 1
1
/
8
-8 29.50 2.75 — .75 2.38 4.00 9.00 11.00 .813 20 4.50 5.50
30
34 38.75 4.25 8.50 29.88 29.88 33.13 10.31 28 6.25 1
1
/
4
-8 1
1
/
4
-8 36.00 2.992 — .75 2.562 4.50 6.38 6.38
3
/
4
-10 28 3 3
36 39.25 47.25 4.19 8.38 27.38 27.38 37.00 11.00 34.0 5.63 1
1
/
2
-8
1
1
/
2-
8 4.75 3.999
—
1.0 3.437 4.50 6.50 9.50 1-8 32 3.25 4.75
Dimensions (inches) - ANSI Class 150
Wafer Style
Seat Detail
Stem Detail
Keyed Stem
10"-24" Cl. 150
8"-12" Cl. 300
Flatted Stem
2
1
/
2
"- 8" Cl. 150
3"- 6" Cl. 300
Lug Style
Seat Detail
13
12
13
14
3
2
1
12
4
9
6
8
8
7
6
14
22
21
20
24
22
21
19
18
17
16
19
18
17
16
5
A-
Dia.
C
B
G
Dia.
D
E
T
V-
Dia.
Thru
N
Flats
U
Y
V-
Dia.
Thru
U
R
Y
X
TX
P
SS
J
1
-
Dia. Thru
W-
Qty.
K-
Dia.
J-
Dia.
(2) Thru Holes
See Stem Detail
See Seat Detail
K-
Dia.
H
˚
H
˚
L-
Dia.
L-
Dia.
F
D
1
E
F
A
1
-
Dia.
Lug Style Wafer Style
Size
Dimension (in.) - ANSI Class 150
A A1 B C D D1 E F G H J J1 K L N P R S T U V W X Y
2.5
4.69 6.75 1.06 1.88 3.00 3.00 4.75 1.00 2.19 45.00 .69
5
/
8
-11 5.50 .56 .38 — — 1.078 1.50 3.25 .344 4 .75 1.63
3
5.19 7.25 1.06 1.88 3.25 3.31 5.13 1.00 2.81 45.00 .69
5
/
8
-11 6.00 .56 .38 — — 1.078 1.50 3.25 .344 4 .75 1.63
4
6.50 8.88 1.06 2.13 3.94 4.94 6.25 1.00 3.88 22.50 .69
5
/
8
-11 7.50 .63 .50 — — 1.078 2.00 3.50 .406 8 1.00 1.75
5
7.56 10.00 1.25 2.25 4.56 5.44 7.06 1.00 4.75 22.50 .81
3
/
4
-10 9.00 .88 .63 — — 1.078 2.00 3.50 .406 8 1.00 1.75
6
8.63 11.00 1.25 2.25 5.00 5.88 7.63 1.00 5.75 22.50 .81
3
/
4
-10 9.50 .88 .63 — — 1.078 2.00 3.50 .406 8 1.00 1.75
8
10.81 13.50 1.44 2.50 6.19 7.00 9.63 1.75 7.63 22.50 .81
3
/
4
-10 11.75 1.13 .88 — — 1.828 2.56 4.00 .563 8 1.28 2.00
10
12.88 16.00 1.63 2.81 7.25 8.44 10.22 2.94 9.69 15.00 .94
7
/
8
-9 14.25 1.13 — .25 .984 2.25 3.25 4.75 .563 12 1.63 2.38
12
15.25 19.00 1.75 3.19 8.75 10.00 11.94 3.00 11.69 15.00 .94
7
/
8
-9 17.00 1.25 — .38 1.033 2.25 3.50 5.00 .688 12 1.75 2.50
14
16.75 21.00 1.88 3.63 9.88 10.88 13.19 3.00 12.81 15.00 1.06 1-8 18.75 1.38 — .38 1.156 2.25 4.75 5.63 .688 12 2.38 2.81
16
19.88 23.50 2.19 4.00 11.28 12.59 14.34 4.56 14.78 11.25 1.13 1-8 21.25 1.50 — .38 1.28 3.63 5.13 7.00 .688 16 2.56 3.50
18
21.00 25.00 2.47 4.50 13.38 13.38 16.44 4.81 16.75 11.25 1
1
/
8
-8 1
1
/
8
-8 22.75 1.75 — .50 1.47 4.00 5.50 8.00 .813 16 2.75 4.00
20
23.00 27.50 2.47 5.00 14.81 14.81 18.00 4.81 18.72 9 1
1
/
8
-8 1
1
/
8
-8 25.00 1.75 — .50 1.47 4.00 5.50 8.00 .813 20 2.75 4.00
24
27.75 32.00 3.03 6.06 16.63 16.63 20.25 4.44 22.63 9 1
1
/
8
-8 1
1
/
8
-8 29.50 2.75 — .75 2.38 4.00 9.00 11.00 .813 20 4.50 5.50
30
34 38.75 4.25 8.50 29.88 29.88 33.13 10.31 28 6.25 1
1
/
4
-8 1
1
/
4
-8 36.00 2.992 — .75 2.562 4.50 6.38 6.38
3
/
4
-10 28 3 3
36 39.25 47.25 4.19 8.38 27.38 27.38 37.00 11.00 34.0 5.63 1
1
/
2
-8
1
1
/
2-
8 4.75 3.999
—
1.0 3.437 4.50 6.50 9.50 1-8 32 3.25 4.75
Dimensions (inches) - ANSI Class 150
Wafer Style
Seat Detail
Stem Detail
Keyed Stem
10"-24" Cl. 150
8"-12" Cl. 300
Flatted Stem
2
1
/
2
"- 8" Cl. 150
3"- 6" Cl. 300
Lug Style
Seat Detail
20 10
27
13
12
13
14
3
2
1
12
4
9
6
8
8
7
6
14
22
21
20
24
22
21
19
18
17
16
19
18
17
16
5
A-
Dia.
C
B
G
Dia.
D
E
T
V-
Dia.
Thru
N
Flats
U
Y
V-
Dia.
Thru
U
R
Y
X
TX
P
SS
J
1
-
Dia. Thru
W-
Qty.
K-
Dia.
J-
Dia.
(2) Thru Holes
See Stem Detail
See Seat Detail
K-
Dia.
H˚
H˚
L-
Dia.
D
1
E
F
A
1
-
Dia.
Lug Style Wafer Style
Size
Dimension (in.) - ANSI Class 150
A A1 B C D D1 E F G H J J1 K L N P R S T U V W X Y
2.5
4.69 6.75 1.06 1.88 3.00 3.00 4.75 1.00 2.19 45.00 .69
5
/
8
-11 5.50 .56 .38 — — 1.078 1.50 3.25 .344 4 .75 1.63
3
5.19 7.25 1.06 1.88 3.25 3.31 5.13 1.00 2.81 45.00 .69
5
/
8
-11 6.00 .56 .38 — — 1.078 1.50 3.25 .344 4 .75 1.63
4
6.50 8.88 1.06 2.13 3.94 4.94 6.25 1.00 3.88 22.50 .69
5
/
8
-11 7.50 .63 .50 — — 1.078 2.00 3.50 .406 8 1.00 1.75
5
7.56 10.00 1.25 2.25 4.56 5.44 7.06 1.00 4.75 22.50 .81
3
/
4
-10 9.00 .88 .63 — — 1.078 2.00 3.50 .406 8 1.00 1.75
6
8.63 11.00 1.25 2.25 5.00 5.88 7.63 1.00 5.75 22.50 .81
3
/
4
-10 9.50 .88 .63 — — 1.078 2.00 3.50 .406 8 1.00 1.75
8
10.81 13.50 1.44 2.50 6.19 7.00 9.63 1.75 7.63 22.50 .81
3
/
4
-10 11.75 1.13 .88 — — 1.828 2.56 4.00 .563 8 1.28 2.00
10
12.88 16.00 1.63 2.81 7.25 8.44 10.22 2.94 9.69 15.00 .94
7
/
8
-9 14.25 1.13 — .25 .984 2.25 3.25 4.75 .563 12 1.63 2.38
12
15.25 19.00 1.75 3.19 8.75 10.00 11.94 3.00 11.69 15.00 .94
7
/
8
-9 17.00 1.25 — .38 1.033 2.25 3.50 5.00 .688 12 1.75 2.50
14
16.75 21.00 1.88 3.63 9.88 10.88 13.19 3.00 12.81 15.00 1.06 1-8 18.75 1.38 — .38 1.156 2.25 4.75 5.63 .688 12 2.38 2.81
16
19.88 23.50 2.19 4.00 11.28 12.59 14.34 4.56 14.78 11.25 1.13 1-8 21.25 1.50 — .38 1.28 3.63 5.13 7.00 .688 16 2.56 3.50
18
21.00 25.00 2.47 4.50 13.38 13.38 16.44 4.81 16.75 11.25 1
1
/
8
-8 1
1
/
8
-8 22.75 1.75 — .50 1.47 4.00 5.50 8.00 .813 16 2.75 4.00
20
23.00 27.50 2.47 5.00 14.81 14.81 18.00 4.81 18.72 9 1
1
/
8
-8 1
1
/
8
-8 25.00 1.75 — .50 1.47 4.00 5.50 8.00 .813 20 2.75 4.00
24
27.75 32.00 3.03 6.06 16.63 16.63 20.25 4.44 22.63 9 1
1
/
8
-8 1
1
/
8
-8 29.50 2.75 — .75 2.38 4.00 9.00 11.00 .813 20 4.50 5.50
30
34 38.75 4.25 8.50 29.88 29.88 33.13 10.31 28 6.25 1
1
/
4
-8 1
1
/
4
-8 36.00 2.992 — .75 2.562 4.50 6.38 6.38
3
/
4
-10 28 3 3
36 39.25 47.25 4.19 8.38 27.38 27.38 37.00 11.00 34.0 5.63 1
1
/
2
-8
1
1
/
2
-
8 4.75 3.999
—
1.0 3.437 4.50 6.50 9.50 1-8 32 3.25 4.75
Dimensions (inches) - ANSI Class 150
Wafer Style
Seat Detail
Stem Detail
Keyed Stem
10"-24" Cl. 150
8"-12" Cl. 300
Flatted Stem
2
1
/
2
"- 8" Cl. 150
3"- 6" Cl. 300
Lug Style
Seat Detail
20 10
27
13
12
13
14
3
2
1
12
4
9
6
8
8
7
6
14
22
21
20
24
22
21
19
18
17
16
19
18
17
16
5
A-
Dia.
C
B
G
Dia.
D
E
T
V-
Dia.
Thru
N
Flats
U
Y
X
S
S
J
1
-
Dia. Thru
W-
Qty.
K-
Dia.
J-
Dia.
(2) Thru Holes
See Stem Detail
See Seat Detail
K-
Dia.
H
˚
H
˚
L-
Dia.
L-
Dia.
F
D
1
E
F
A
1
-
Dia.
Lug Style Wafer Style
Size
Dimension (in.) - ANSI Class 150
A A1 B C D D1 E F G H J J1 K L N P R S T U V W X Y
2.5
4.69 6.75 1.06 1.88 3.00 3.00 4.75 1.00 2.19 45.00 .69
5
/
8
-11 5.50 .56 .38 — — 1.078 1.50 3.25 .344 4 .75 1.63
3
5.19 7.25 1.06 1.88 3.25 3.31 5.13 1.00 2.81 45.00 .69
5
/
8
-11 6.00 .56 .38 — — 1.078 1.50 3.25 .344 4 .75 1.63
4
6.50 8.88 1.06 2.13 3.94 4.94 6.25 1.00 3.88 22.50 .69
5
/
8
-11 7.50 .63 .50 — — 1.078 2.00 3.50 .406 8 1.00 1.75
5
7.56 10.00 1.25 2.25 4.56 5.44 7.06 1.00 4.75 22.50 .81
3
/
4
-10 9.00 .88 .63 — — 1.078 2.00 3.50 .406 8 1.00 1.75
6
8.63 11.00 1.25 2.25 5.00 5.88 7.63 1.00 5.75 22.50 .81
3
/
4
-10 9.50 .88 .63 — — 1.078 2.00 3.50 .406 8 1.00 1.75
8
10.81 13.50 1.44 2.50 6.19 7.00 9.63 1.75 7.63 22.50 .81
3
/
4
-10 11.75 1.13 .88 — — 1.828 2.56 4.00 .563 8 1.28 2.00
10
12.88 16.00 1.63 2.81 7.25 8.44 10.22 2.94 9.69 15.00 .94
7
/
8
-9 14.25 1.13 — .25 .984 2.25 3.25 4.75 .563 12 1.63 2.38
12
15.25 19.00 1.75 3.19 8.75 10.00 11.94 3.00 11.69 15.00 .94
7
/
8
-9 17.00 1.25 — .38 1.033 2.25 3.50 5.00 .688 12 1.75 2.50
14
16.75 21.00 1.88 3.63 9.88 10.88 13.19 3.00 12.81 15.00 1.06 1-8 18.75 1.38 — .38 1.156 2.25 4.75 5.63 .688 12 2.38 2.81
16
19.88 23.50 2.19 4.00 11.28 12.59 14.34 4.56 14.78 11.25 1.13 1-8 21.25 1.50 — .38 1.28 3.63 5.13 7.00 .688 16 2.56 3.50
18
21.00 25.00 2.47 4.50 13.38 13.38 16.44 4.81 16.75 11.25 1
1
/
8
-8 1
1
/
8
-8 22.75 1.75 — .50 1.47 4.00 5.50 8.00 .813 16 2.75 4.00
20
23.00 27.50 2.47 5.00 14.81 14.81 18.00 4.81 18.72 9 1
1
/
8
-8 1
1
/
8
-8 25.00 1.75 — .50 1.47 4.00 5.50 8.00 .813 20 2.75 4.00
24
27.75 32.00 3.03 6.06 16.63 16.63 20.25 4.44 22.63 9 1
1
/
8
-8 1
1
/
8
-8 29.50 2.75 — .75 2.38 4.00 9.00 11.00 .813 20 4.50 5.50
30
34 38.75 4.25 8.50 29.88 29.88 33.13 10.31 28 6.25 1
1
/
4
-8 1
1
/
4
-8 36.00 2.992 — .75 2.562 4.50 6.38 6.38
3
/
4
-10 28 3 3
36 39.25 47.25 4.19 8.38 27.38 27.38 37.00 11.00 34.0 5.63 1
1
/
2
-8
1
1
/
2
-8 4.75 3.999
—
1.0 3.437 4.50 6.50 9.50 1-8 32 3.25 4.75
Dimensions (inches) - ANSI Class 150
Wafer Style
Seat Detail
Stem Detail
Keyed Stem
10"-24" Cl. 150
8"-12" Cl. 300
Flatted Stem
2
1
/
2
"- 8" Cl. 150
3"- 6" Cl. 300
Lug Style
Seat Detail
20
14
22
21
19
18
17
16
A-
Dia.
D
E
T
V-
Dia.
Thru
N
Flats
U
Y
V-
Dia.
Thru
U
R
Y
X
TX
P
SS
J
1
-
Dia. Thru
W-
Qty.
K-
Dia.
J-
Dia.
(2) Thru Holes
See Stem Detail
See Seat Detail
K-
Dia.
H˚
L-
Dia.
F
D
1
E
F
A
1
-
Dia.
Lug Style Wafer Style
Size
Dimension (in.) - ANSI Class 150
A A1 B C D D1 E F G H J J1 K L N P R S T U V W X Y
2.5
4.69 6.75 1.06 1.88 3.00 3.00 4.75 1.00 2.19 45.00 .69
5
/
8
-11 5.50 .56 .38 — — 1.078 1.50 3.25 .344 4 .75 1.63
3
5.19 7.25 1.06 1.88 3.25 3.31 5.13 1.00 2.81 45.00 .69
5
/
8
-11 6.00 .56 .38 — — 1.078 1.50 3.25 .344 4 .75 1.63
4
6.50 8.88 1.06 2.13 3.94 4.94 6.25 1.00 3.88 22.50 .69
5
/
8
-11 7.50 .63 .50 — — 1.078 2.00 3.50 .406 8 1.00 1.75
5
7.56 10.00 1.25 2.25 4.56 5.44 7.06 1.00 4.75 22.50 .81
3
/
4
-10 9.00 .88 .63 — — 1.078 2.00 3.50 .406 8 1.00 1.75
6
8.63 11.00 1.25 2.25 5.00 5.88 7.63 1.00 5.75 22.50 .81
3
/
4
-10 9.50 .88 .63 — — 1.078 2.00 3.50 .406 8 1.00 1.75
8
10.81 13.50 1.44 2.50 6.19 7.00 9.63 1.75 7.63 22.50 .81
3
/
4
-10 11.75 1.13 .88 — — 1.828 2.56 4.00 .563 8 1.28 2.00
10
12.88 16.00 1.63 2.81 7.25 8.44 10.22 2.94 9.69 15.00 .94
7
/
8
-9 14.25 1.13 — .25 .984 2.25 3.25 4.75 .563 12 1.63 2.38
12
15.25 19.00 1.75 3.19 8.75 10.00 11.94 3.00 11.69 15.00 .94
7
/
8
-9 17.00 1.25 — .38 1.033 2.25 3.50 5.00 .688 12 1.75 2.50
14
16.75 21.00 1.88 3.63 9.88 10.88 13.19 3.00 12.81 15.00 1.06 1-8 18.75 1.38 — .38 1.156 2.25 4.75 5.63 .688 12 2.38 2.81
16
19.88 23.50 2.19 4.00 11.28 12.59 14.34 4.56 14.78 11.25 1.13 1-8 21.25 1.50 — .38 1.28 3.63 5.13 7.00 .688 16 2.56 3.50
18
21.00 25.00 2.47 4.50 13.38 13.38 16.44 4.81 16.75 11.25 1
1
/
8
-8 1
1
/
8
-8 22.75 1.75 — .50 1.47 4.00 5.50 8.00 .813 16 2.75 4.00
20
23.00 27.50 2.47 5.00 14.81 14.81 18.00 4.81 18.72 9 1
1
/
8
-8 1
1
/
8
-8 25.00 1.75 — .50 1.47 4.00 5.50 8.00 .813 20 2.75 4.00
24
27.75 32.00 3.03 6.06 16.63 16.63 20.25 4.44 22.63 9 1
1
/
8
-8 1
1
/
8
-8 29.50 2.75 — .75 2.38 4.00 9.00 11.00 .813 20 4.50 5.50
30
34 38.75 4.25 8.50 29.88 29.88 33.13 10.31 28 6.25 1
1
/
4
-8 1
1
/
4
-8 36.00 2.992 — .75 2.562 4.50 6.38 6.38
3
/
4
-10 28 3 3
36 39.25 47.25 4.19 8.38 27.38 27.38 37.00 11.00 34.0 5.63 1
1
/
2
-8
1
1
/
2
-
8 4.75 3.999
—
1.0 3.437 4.50 6.50 9.50 1-8 32 3.25 4.75
Dimensions (inches) - ANSI Class 150
Wafer Style
Seat Detail
Stem Detail
Keyed Stem
10"-24" Cl. 150
8"-12" Cl. 300
Flatted Stem
2
1
/
2
"- 8" Cl. 150
3"- 6" Cl. 300
Lug Style
Seat Detail
20
10
27
9
6
8
8
7
6
14
22
21
20
24
22
21
19
18
17
16
19
18
17
16
5
A-
Dia.
C
B
G
Dia.
D
E
T
V-
Dia.
Thru
N
Flats
U
Y
V-
Dia.
Thru
U
R
Y
X
TX
P
SS
J
1
-
Dia. Thru
W-
Qty.
K-
Dia.
J-
Dia.
(2) Thru Holes
See Stem Detail
See Seat Detail
K-
Dia.
H˚
H˚
L-
Dia.
L-
Dia.
F
D
1
E
F
A
1
-
Dia.
Lug Style Wafer Style
Size
Dimension (in.) - ANSI Class 150
A A1 B C D D1 E F G H J J1 K L N P R S T U V W X Y
2.5
4.69 6.75 1.06 1.88 3.00 3.00 4.75 1.00 2.19 45.00 .69
5
/
8
-11 5.50 .56 .38 — — 1.078 1.50 3.25 .344 4 .75 1.63
3
5.19 7.25 1.06 1.88 3.25 3.31 5.13 1.00 2.81 45.00 .69
5
/
8
-11 6.00 .56 .38 — — 1.078 1.50 3.25 .344 4 .75 1.63
4
6.50 8.88 1.06 2.13 3.94 4.94 6.25 1.00 3.88 22.50 .69
5
/
8
-11 7.50 .63 .50 — — 1.078 2.00 3.50 .406 8 1.00 1.75
5
7.56 10.00 1.25 2.25 4.56 5.44 7.06 1.00 4.75 22.50 .81
3
/
4
-10 9.00 .88 .63 — — 1.078 2.00 3.50 .406 8 1.00 1.75
6
8.63 11.00 1.25 2.25 5.00 5.88 7.63 1.00 5.75 22.50 .81
3
/
4
-10 9.50 .88 .63 — — 1.078 2.00 3.50 .406 8 1.00 1.75
8
10.81 13.50 1.44 2.50 6.19 7.00 9.63 1.75 7.63 22.50 .81
3
/
4
-10 11.75 1.13 .88 — — 1.828 2.56 4.00 .563 8 1.28 2.00
10
12.88 16.00 1.63 2.81 7.25 8.44 10.22 2.94 9.69 15.00 .94
7
/
8
-9 14.25 1.13 — .25 .984 2.25 3.25 4.75 .563 12 1.63 2.38
12
15.25 19.00 1.75 3.19 8.75 10.00 11.94 3.00 11.69 15.00 .94
7
/
8
-9 17.00 1.25 — .38 1.033 2.25 3.50 5.00 .688 12 1.75 2.50
14
16.75 21.00 1.88 3.63 9.88 10.88 13.19 3.00 12.81 15.00 1.06 1-8 18.75 1.38 — .38 1.156 2.25 4.75 5.63 .688 12 2.38 2.81
16
19.88 23.50 2.19 4.00 11.28 12.59 14.34 4.56 14.78 11.25 1.13 1-8 21.25 1.50 — .38 1.28 3.63 5.13 7.00 .688 16 2.56 3.50
18
21.00 25.00 2.47 4.50 13.38 13.38 16.44 4.81 16.75 11.25 1
1
/
8
-8 1
1
/
8
-8 22.75 1.75 — .50 1.47 4.00 5.50 8.00 .813 16 2.75 4.00
20
23.00 27.50 2.47 5.00 14.81 14.81 18.00 4.81 18.72 9 1
1
/
8
-8 1
1
/
8
-8 25.00 1.75 — .50 1.47 4.00 5.50 8.00 .813 20 2.75 4.00
24
27.75 32.00 3.03 6.06 16.63 16.63 20.25 4.44 22.63 9 1
1
/
8
-8 1
1
/
8
-8 29.50 2.75 — .75 2.38 4.00 9.00 11.00 .813 20 4.50 5.50
30
34 38.75 4.25 8.50 29.88 29.88 33.13 10.31 28 6.25 1
1
/
4
-8 1
1
/
4
-8 36.00 2.992 — .75 2.562 4.50 6.38 6.38
3
/
4
-10 28 3 3
36 39.25 47.25 4.19 8.38 27.38 27.38 37.00 11.00 34.0 5.63 1
1
/
2
-8
1
1
/
2
-
8 4.75 3.999
—
1.0 3.437 4.50 6.50 9.50 1-8 32 3.25 4.75