
Contents
1. About the H2Air 5
1.1 Included Items 5
1.2 Specifications 6
1.3 Device Layout 6
1.3.1 Wiring Connection Table 7
1.3.2 Dip Switch Function Table 7
2. Installing the Device 8
2.1 Basic Principles 8
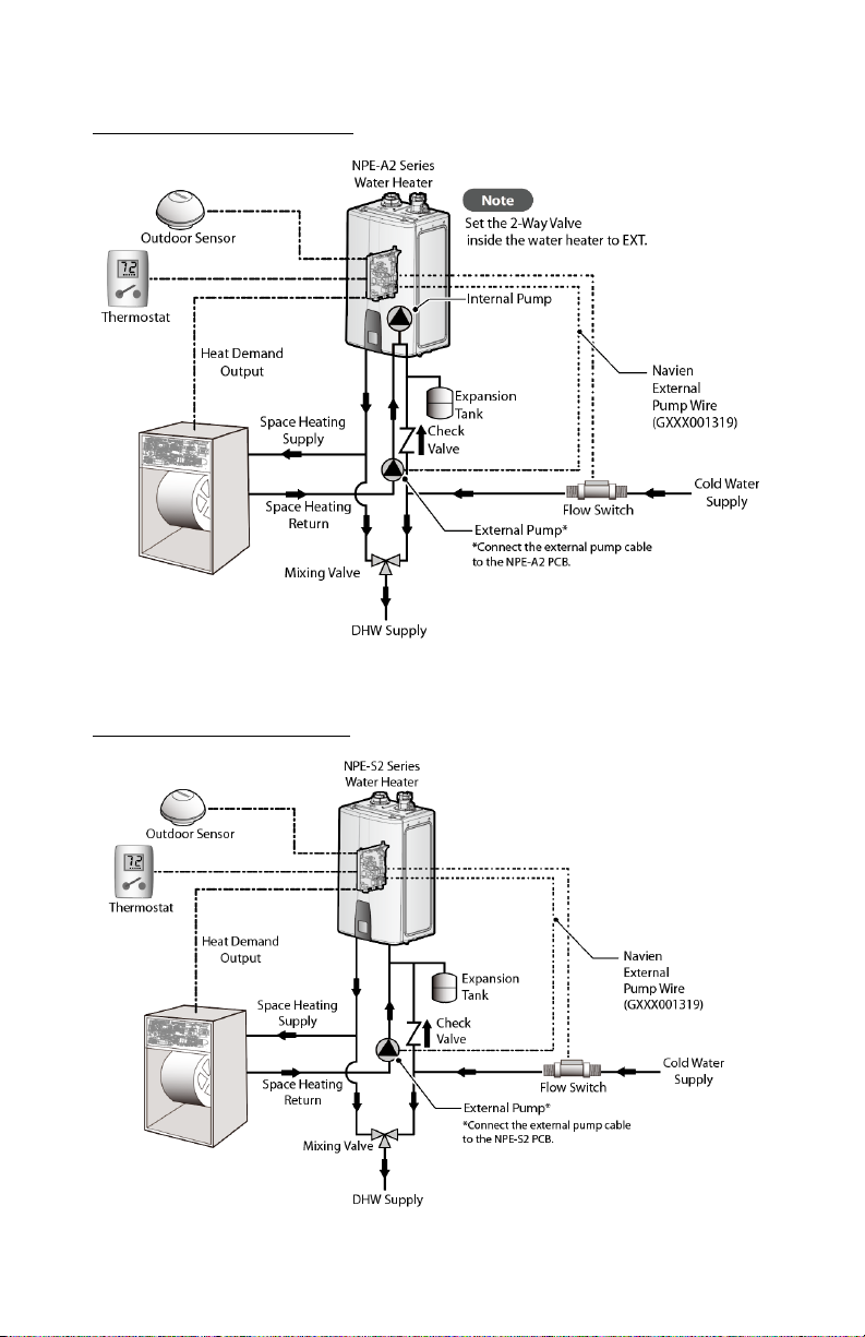
2.2 Installing the Device in Water Heaters 11
3. Wiring the Device 14
3.1 System Wiring Examples 14
3.1.1 1-Stage Thermostat / 2-Stage Control Heating System 14
3.1.2 1-Stage Thermostat / 1-Stage Control Heating System 15
3.1.3 2-Stage Thermostat / 2-Stage Control Heating System 15
3.1.4 Configuring the Cooling System (for a Heating / Cooling Combo System) 16
3.2 Cable Connections 17
3.2.1 Connecting the Outdoor Temperature Sensor Cable 17
3.2.2 Connecting the Thermostat Cables 18
3.2.3 Connecting the Flow Switch Cables 18
3.2.4 Connecting the Main Control Connector 19
4. Configuring the Device 20
4.1 System Air Removal 20
4.2 Pump Control Options 20
4.3 DHW Priority Options 23
4.3.1 DHW Priority Mode 23
4.3.2 Simultaneous DHW and Space Heating Mode 23
5. Parameter Table 24
5.1 NPE-A and NPN Parameter Table 24
5.2 NPE-A2/S2 Parameter Table 25
5.2.1 Parameter Settings 25
5.2.2 Application Settings 26