DIRECTIVES D’INSTALLATION
LIRE ET CONSERVER CES DIRECTIVES
SYSTÈME D’INTERPHONE POUR LE
MAISON OU LE BUREAU
Ce type de système comprend des haut-parleurs pour
l’interphone et un ou des haut-parleurs de porte. UTILISER UN
MAXIMUM DE DIX (10) HAUT-PARLEURS INTERIEURS
DISTANTS ET DE DEUX (2) HAUT-PARLEURS DE PORTE.
Des haut-parleurs d’interphone pour l’extérieur sont également
offerts. Différents appareils optionnels peuvent en outre être
raccordés à l’amplificateur, notamment: source radio/musicale,
carillon électronique.
SOURCE RADIO/MUSICALE – Système radio-interphone
NuTone distinct.
CARILLON ELECTRONIQUE – Carillon électronique ou
musical NuTone raccordé à l’amplificateur pour assurer la
diffusion des tonalités du carillon dans les haut-parleurs de
l’interphone.
NOTE: Les modèles de carillon IA-28 et IA-29 ne peuvent pas
être raccordés au IMA-516.
CHOSES À NE PAS FAIRE LORS DE
L'INSTALLATION
1. Ne pas placer les haut-parleurs intérieurs sur des murs
extérieurs.
2. Ne pas placer plus d'un haut-parleur dans une pièce
3. Ne pas placer plus d'un haut-parleur sur le mur séparant deux
pièces. Les haut-parleurs ne doivent pas êntre installés sur le
mur mitoyen séparant deux pièces.
4. Ne pas placer un aut-parleur de façon qu'il soit face à un
autre haut-parleur, même si ce dernier est situé, par exemple,
dans une piéce donnant sur l'entrée.
5. Ne pas placer les haut-parleurs derriére une porte ou là ou
sera placé un meuble.
6. Ne pas installer l'amplificateur à un endroit où la la
température sera supérieure à 120ºF ou inférieurer à 23ºF.
CÂBLAGE
ATTENTION: Ce système est conçu pour être utilisé avec des
fils et câbles NuTone. Aucun autre type de fil ne doit être utilisé.
Le fait d'utiliser d'autres fils que les fils NuTone pourrait nuire au
fonctionnement de l'appareil.
*NuTone Modèle IW-6 – Sert à raccorder l'amplifacteur et les
huat-parleurs de l'interphone. Le IW-6 est un câble à trois
paires torsadées (trois paires de fils calibre 22, torasadées,
avec code de couleur).
*NuTone Modèle IW-2 – Sert aux connexions indiquees dans
les illustrations. Le IW-2 est un câble à une paire torasadées,
constituée de fils calibre 22.
IMPORTANT
1. Respecter les codes du bâitment en vigueur.
2. Faire passer tous les fils du système le plus loins possible (au
moins à 12 po) des câbles d'alimentation, des rhéostats des
thermostats, etc.
3. S'assurer que l'amplificateur est bein mis à la terre.
IMPORTANT
NuTone n'est pas responsable du mauvais fonctionnement du
radio-interphone attribuable à des interférence produites par les
rhéostats, les dipositifs d'éclairage flourescent et les autres
appareils électriques similaries. De tels interférences doivent
être éliminés à la source. Pour réduire au minimum les risque
d'intereférence, les câbles des haut-parleurs distants doivant
être situés à au moins 12 po de tout câble d'alimentation c.a.
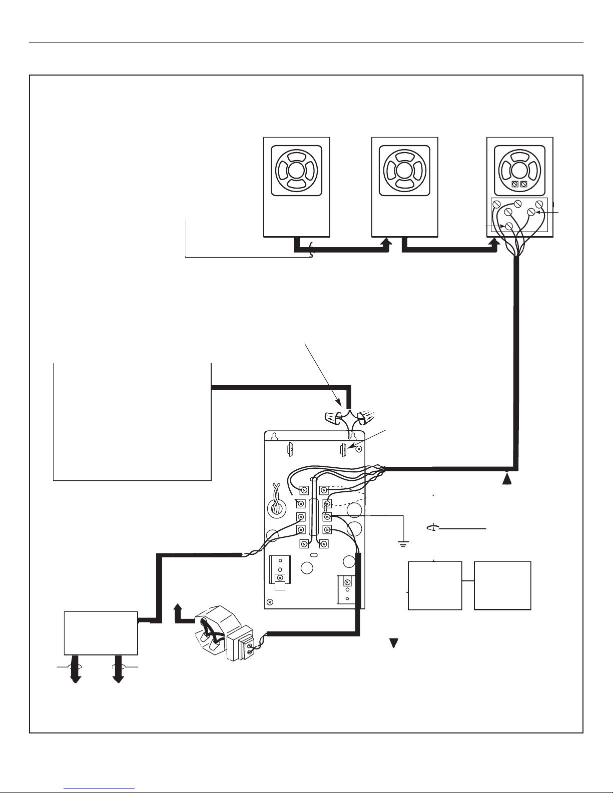
Amplificateur Central
MODÈLE IMA-516
TABLEAU DE RÉFÉRENCE–HAUT-PARLEUR
(Utiliser bôitiers et fils recommandés pour chaque modèle)
NUMÉRO DE MODÉLE DESCRIPTION
Haut-parleurs intérieurs pour interphone
Série ISB-53 Haut-parleur avec commandes. Installation encastrée
avec bôitier IR-3 ou affleurante avec boîtier IA-15.
IS-75 Haut-parleurs de recherche de personnes de 5 po, rond
et concave. Installation encastrée avec bôitier IR-75.
IS-76 Haut-parleur de recherche de personnes de 8 po, rond.
Installation affleurante avec boIitier IR-70.
Série ISA-78 Haut-parleur de recherche de personnes de 8 po, rond.
Installation affleurante avec boIitier IR-80.
IC-501 Commande du volume pour haut-parleurs intérieurs de
recherche de personnes IS-75, IS-76 ou ISA-78.
Haut-parleurs extérieurs pour interphone
ISB-53LW Haut-parleur avec commandes, installation en surface.
ISA-77 Haut-parleur de recherche de personnes de 8 po,
installation en surface.
IS-79 Haut-parleur de recherche de personnes de 8 po.
Installation affleurante avec bôitier IR-9.
Haut-parleurs d’entrée
Série IS-67 Haut-parleur d’entrée avec bouton-poussoir moulé
illuminé. Installation affleurante avec bôitier IR-9.
SérieIS-69 Haut-parleur d’entrée avec bouton-poussoir illuminé;
cadre métallique classique. Installation affleurante avec
bôitier IR-6.
ISA-63 Haut-parleur d’entrée sans bouton-poussoir, moulé.
Installation en surface.
ISB-64 Haut-parleur d’entrée avec bouton-poussoir moulé, non
illuminé. Installation en surface.
IA-70 Cadre installé en surface pour haut-parleur d’entrée
affleurant.