
Intelligent Surveillance Solution
Table of Contents
page - 1
T
TA
AB
BL
LE
E
O
OF
F
C
CO
ON
NT
TE
EN
NT
TS
S
TABLE OF CONTENTS......................................................................................................1
6000S/7000S SERIES ........................................................................................................2
Product Specification...............................................................................................2
System Requirement .................................................................................................2
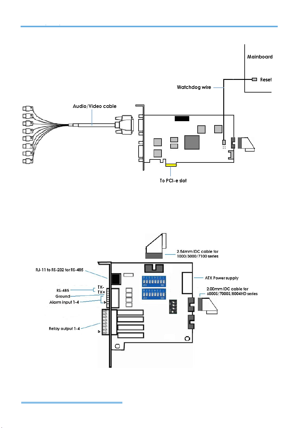
Hardware Installation................................................................................................4
Maximum I/O Cards support for 6000S/7000S...................................................6
7100 SERIES.......................................................................................................................7
Product Specification...............................................................................................7
System Requirement .................................................................................................7
Hardware Installation................................................................................................8
8000HD SERIES ...............................................................................................................10
Product Specification.............................................................................................10
System Requirement ...............................................................................................10
Hardware Installation..............................................................................................11
DRIVER INSTALLATION..................................................................................................13
SOFTWARE INSTALLATION...........................................................................................15
SOFTWARE INSTALLATION –EXPRESS MODE..........................................................21
SOFTWARE INSTALLATION –FAILOVER AGENT (STANDARD MODE) ...............24
SOFTWARE INSTALLATION –FAILOVER AGENT (EXPRESS MODE).....................29
APPENDIX - MINIMUM HARDWARE REQUIREMENT ..............................................33