Digital Multicircuit Protector S8M 5
Construction and Nomenclature
■Nomenclature
Note: 1. For detailed display methods, refer to Status Indicators on
page 13.
2. Configured from independent circuits, and either sinking or
sourcing applications are possible.
3. Indicators 1 to 4 will not light except when the current is
being displayed.
4. Press for at least 3 s to enable operation.
5. Except for the S8M-CP04.
4 5 6 7 1
14
10
11
3
8
9
13
12
2
4 Tripping alarm output (TRP)
5 Alarm output (ALM)
6 Over-temperature output (TMP)
7 External tripping input (TRG)
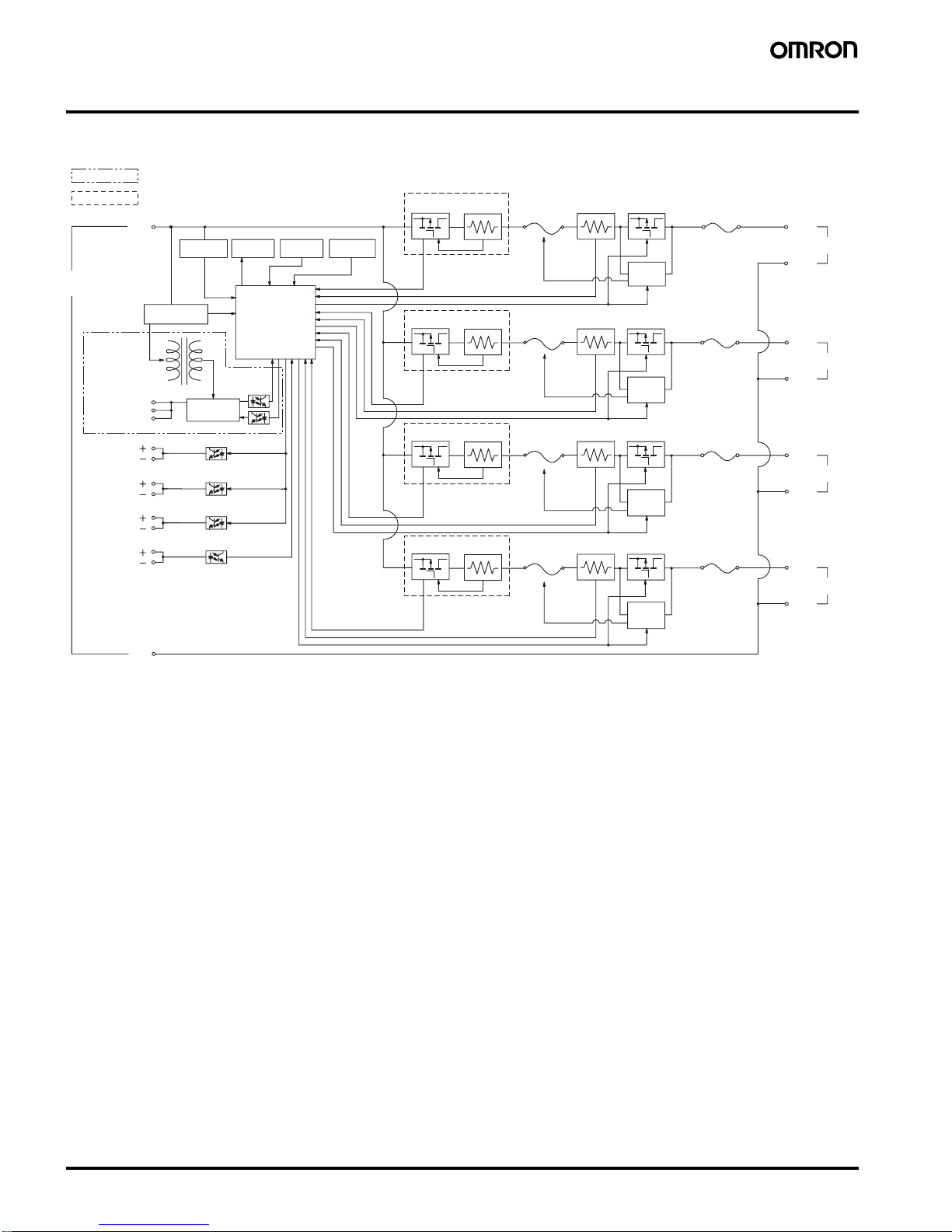
Internal circuit configuration
Note: The S8M-CP04-RS is shown above.
No. Name Function
1 Power Input Terminals
(+V), (−V) Connect to the input line.
2 Branch Output
Terminals (+V), (−V) Connect to the load lines.
Up to four branch outputs can be
connected.
3 Status Indicators
(Red, Green) Indicate the connection and cutoff
status for each branch output.
Cut off: Red, Connected: Green (See
note 1.)
4 Tripping Alarm Output
(+, −)Output (transistor: OFF) when the
error tripping operation functions.
(See note 2.)
5 Alarm Output (+, −) Output (transistor: OFF) when a set
value for alarm detection is exceeded.
(See note 2.)
6 Over-temperature
Output (+, −)Output (transistor: OFF) when a set
value for over-temperature detection
is exceeded. (See note 2.)
7 External Tripping Input
(+, −)The tripping operation can be
executed with an externally input
signal.
8 Seven-segmentDisplay
(Red) Displays measured values and set
values.
9 Unit Indicators
(Orange) V Lit when the input voltage is being
displayed.
A Lit when the output current is being
displayed.
Flashes when the peak output current
is being displayed.
kh Lit when the run time is being
displayed.
°C Lit when the temperature is being
displayed.
s Lit when setting the sequence time.
1 to 4 Lit or flashing when displaying branch
output information. (See note 3.)
10 Mode Key Used to change the parameter being
displayed or to reset the peak hold
current value.
11 Up Key Used to move to different setting
modes or to increase a set value.
12 Down Key Used to move to different setting
modes or to decrease a set value.
13 Reset Key (RST) Used when connecting branch
outputs for tripping operation. (See
note 4.)
14 Communications
Terminals (RD, SD, SG) Connect to the communications lines
(RS-232C). (See note 5.)