-
8
-
«Traduit à partir des instructions originales»
CE MANUEL VOUS DONNE LES INDICATIONS POUR
L’INSTALLATION, L’UTILISATION ET L’ENTRETIEN DE
LA SOUPAPE, IL EN FAIT DONC PARTIE INTÉGRANTE
ET DOIT ÊTRE LU ATTENTIVEMENT AVANT DE TOUTE
ACTIVITÉ ET CONSERVÉ SOIGNEUSEMENT.
RESPECTER RIGOUREUSEMENT LES INSTRUCTIONS
CONTENUES DANS CE MANUEL POUR UN EMPLOI EN
SÉCURITÉ ET EFFICACE DE LA SOUPAPE.
LE NON-RESPECT DE CES INSTRUCTIONS PEUT
CAUSER DES PANNES PRÉMATURÉES ET
PROVOQUER DES SITUATIONS DE DANGER. DE
PLUS, CELA ENTRAÎNE LA PERTE DE VALIDITÉ DE LA
GARANTIE.
1- INFORMATIONS GÉNÉRALES
1.1- La soupape de sécurité S723 est un dispositif
à tarage manuel et actionné à la pression qui, en fonction
du réglage, évacue l’excédent d’eau quand la pression à
l’intérieur de la pompe/installation dépasse la valeur de
tarage, ainsi réduisant la pression. Le rétablissement des
conditions d’utilisation normales se produit en arrêtant et
ensuite en actionnant de nouveau l’installation.
La soupape a été conçue pour protéger les pompes
volumétriques ou les parties (telles que les récipients et les
tuyauteries) présentes dans les installations hydrauliques
avec de l’eau à haute pression jusqu’à la catégorie II.
1.2- Puisque la soupape S723 est utilisée avec une
pompe/installation pour eau à haute pression, qu’on
appellera ci de suite seulement « installation », la mise en
place et l’utilisation doivent être appropriées au type
d’installation utilisé et se conformer aux normes de sécurité
en vigueur dans le pays où la soupape est utilisée.
1.3- Avant d’installer et d’utiliser la soupape pour la
première fois, on conseille de contrôler que celle-ci n’est
pas endommagée et de vérifier que les caractéristiques
nominales correspondent à celles d’utilisation. Dans le cas
contraire, n’utilisez pas la soupape et contactez le service
après-vente de Interpump Group pour avoir des
renseignements.
1.4- Avant d’utiliser la soupape, s’assurer que l’installation
avec laquelle celle-ci est utilisée a été déclarée conforme
aux dispositions des Directives et/ou normes relatives.
2- EMBALLAGE
2.1- Effectuer la manutention des emballages en respectant
les instructions indiquées sur les emballages mêmes et/ou
fournies par le constructeur.
2.2- Au cas où la soupape n’est pas utilisée
immédiatement, il faut la stocker dans son emballage
intégral et la ranger à l’abri des intempéries, de l’humidité
excessive et de la lumière directe du soleil. Il est
conseillable aussi d’interposer des palettes en bois ou autre
matériel entre le sol et l’emballage, afin d’éviter le contact
direct avec le sol.
2.3- Éliminer les parties de l’emballage conformément aux
dispositions des lois en vigueur.
3- INSTRUCTIONS POUR L’INSTALLATION :
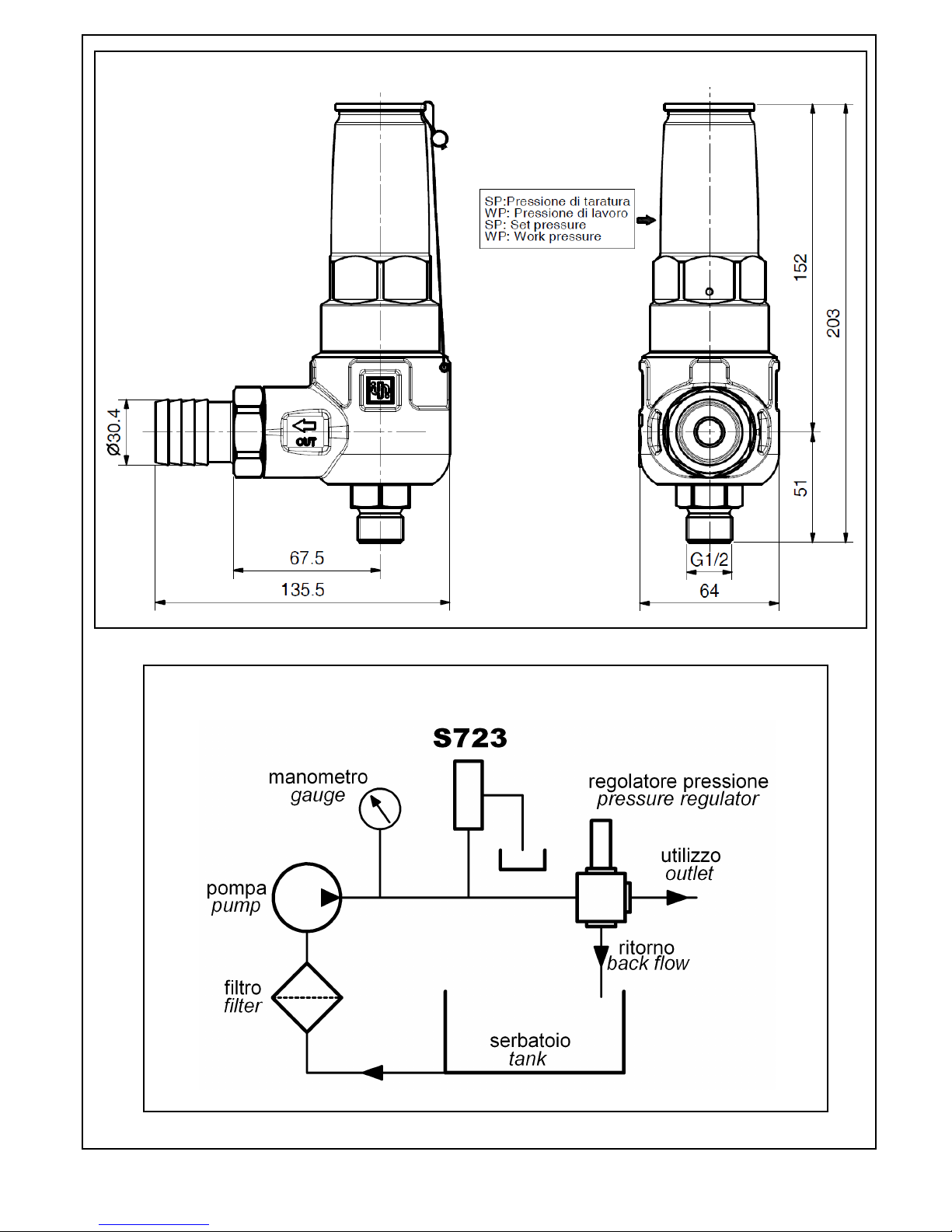
3.1- La pression de tarage SP est réglée et fixée par
scellement par Interpump Group et ne peut pas être
changée. Les valeurs de la pression de tarage et de la
pression maximum de fonctionnement conseillée WP
sont indiqués sur la soupape.
3.2- Le débit maximum dépend de la pression de tarage et
est compris entre 15 et 230 l/min. La valeur exacte est
indiquée sur la soupape.
3.3- La pression de tarage est la pression à la quelle la
soupape s’ouvre, qui correspond à la valeur maximum de
pression que l’installation peut atteindre.
3.4- L’installation doit être effectuée par un personnel
qualifié et autorisé, ayant la compétence nécessaire pour
travailler à des installations à haute pression et qui aient
connaissance des instructions d’utilisation et de sécurité
indiquées dans ce mode d’emploi.
3.5- Serrer les raccords comme indiqué :
Raccord G1/2 – couple de serrage 90 Nm ±5%.
Pour assurer l’étanchéité, interposer entre les raccords une
rondelle métallique avec bague en caoutchouc ou placer un
matériau pour scellement approprié sur le filet.
ATTENTION: Pendant l’utilisation, ne jamais
dépasser les valeurs maximums de
pression, débit et température indiquées
dans le mode d’emploi et/ou sur la soupape.
ATTENTION: Pour une protection efficace de
l’installation, on conseille d’installer la
soupape près de la pompe et de vérifier
l’absence de dispositifs d’arrêt.