Table of Contents
1. Unpacking...................................................................................................................................... 3
2. Physical view and features......................................................................................................... 4
2.1 Front view APPC-15XP R23 ............................................................................................... 4
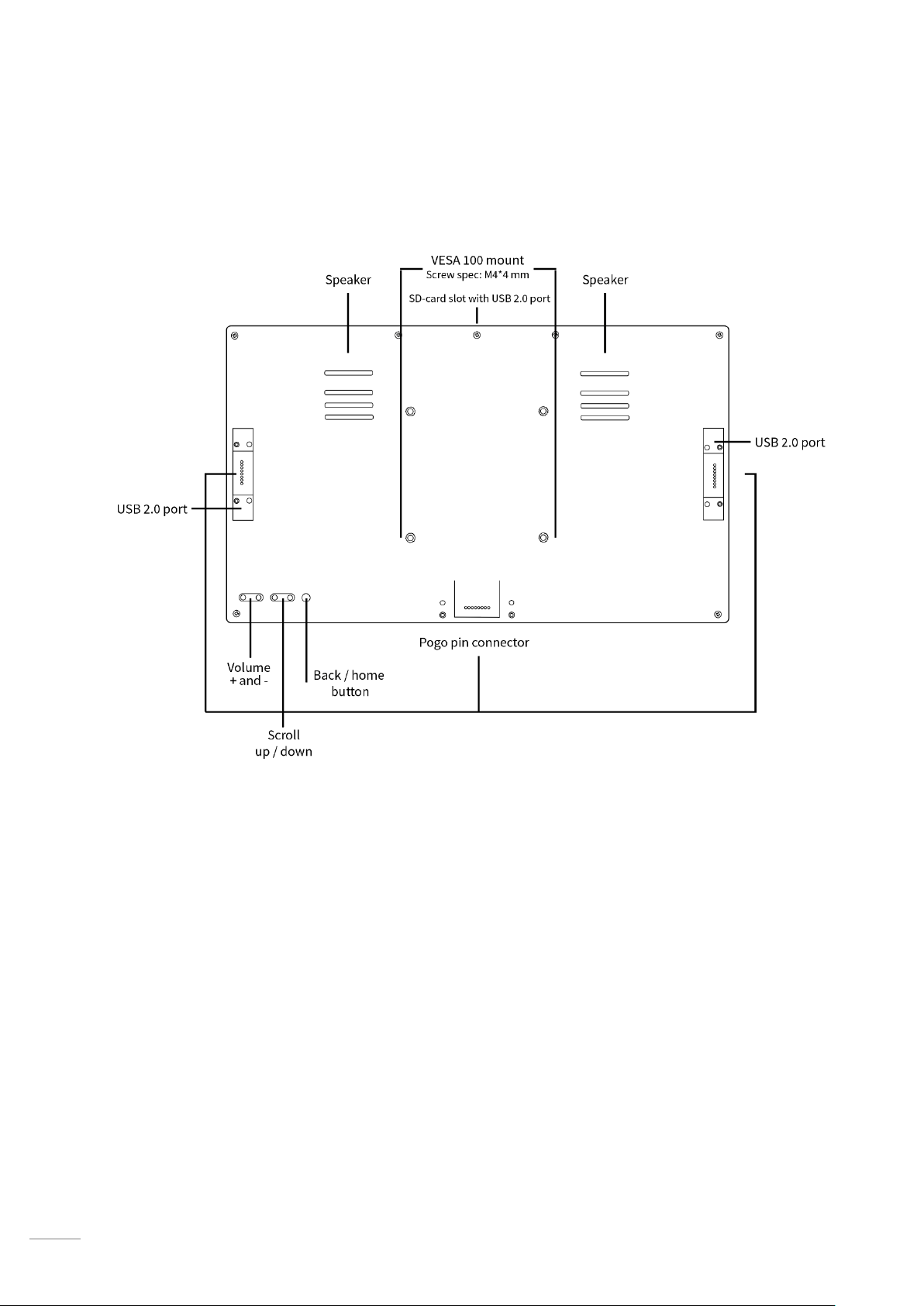
2.3 I/O ports and buttons APPC-15XP R23 back & bottom............................................... 5
2.4 APPC-15XP R23 adapter (optional).................................................................................. 7
3. Powering on the product............................................................................................................ 8
4. Product functionality ................................................................................................................ 10
5. Support and cleaning ................................................................................................................ 12
5.1 Support ................................................................................................................................. 12
5.2 Cleaning................................................................................................................................. 12
6. Technical specifications............................................................................................................ 14
7. Pixel defect policy ...................................................................................................................... 15
7.1 Pixels and sub-pixels........................................................................................................... 15
7.2 Types of pixel defects + dot definition ............................................................................. 15
7.3 Bright dot defects............................................................................................................... 16
7.4 Dark dot defects ................................................................................................................. 16
7.5 Pixel defect tolerances....................................................................................................... 16
7.6 Mura ...................................................................................................................................... 17
8. Warranty..................................................................................................................................... 18
9. Safety instructions.................................................................................................................... 19
10. Declaration and statements ................................................................................................. 22
10.2 FCC Declaration of Conformity (U.S. only) ................................................................... 22
10.3 Waste Electrical and Electronic Equipment-WEEE..................................................... 23
10.4 Software end user license agreement .......................................................................... 24