01
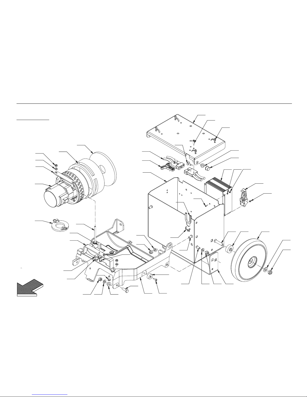
REF PART NO. DESCRIPTION QTY REF PART NO. DESCRIPTION QTY
1 202475 SPRING 1 26 409150 WASHER 2
2 204329 SPACER 3 27 409156 WASHER 1
3 206829 FLANGE 1 28 409175 WASHER 1
4 212363 ENTRETOISE 1 29 409212 WASHER 1
5 212364 BUSHING 1 30 409236 SHIM 3
6 212365 SPACER 1 31 409328 SHIM 1
7 212375 FLANGE 1 32 GB14-409831 COVER 1
8 212413 PIN 1 33 410443 NUT 1
9 213120 SUPPORT 1 34 415783 SCREW 3
10 213121 SUPPORT 1 35 416431 SCREW 2
11 213122 TIGHTENER 1 36 420647 SUPPORT 1
12 213170 PULLEY 1 37 GB14-421111 BELT 1
13 213251 PIPE 1 38 GB14-421121 SOLENOID VALVE 1
14 213391 PIPE 1 39 421576 PIPE 1
15 407663 SCREW 4 41 GB-421743 MALE COUPLING 1
16 408420 BEARING 3 42 422091 SPLASH GUARD 1
17 408435 BEARING 2 43 422183 COCK 1
18 408506 SCREW 2 44 422184 ELBOW 1
19 408674 SCREW 1 45 422186 FITTING 1
20 408966 SCREW 1 46 422187 COVER 1
21 408983 SCREW 3 47 422206 BUSHING 1
22 408986 SCREW 1 48 422462 CARBON BRUSH 4
23 409080 LOCK NUT 2 49 422660 MOTOR 1
24 409082 LOCK NUT 1 50 422790 CARBON BRUSH HOLDER 1
25 409085 LOCK NUT 4
SINGLE BRUSH BASE ASSEMBLY