Rezontech RFD-3000 Bedienungsanleitung

Flame detector ( Triple IR )
RFD-3000 User’s Manual
Rezontech co., ltd

Co.,Ltd. Triple IR Flame Detector RFD-3000
Document No. Manual–3000 (Rev. 01) March 2012
- 1 -
TABLE OF CONTENTS page.
1 Product Overview
1.1 Product Introduction
1.2 Contents of User Manual
1.3 Revision History
1.4 Warranty
4
4
5
5
2 Technical Specifications
2.1 Electrical Specifications
2.1.1 Operating Voltage and Power Consumption
2.1.2 Relay Ouput
2.1.3 0-20mA Current Ouput
2.1.4 RS485 Communication
2.1.5 LED indicator
2.2 Mechanical Specifications
2.3 Environmental Specifications
6
6
6
6
6
7
8
9
3 Installation
3.1 Unpacking & Checking
3.1.1 Product Compositions
3.1.2 Components
3.1.2.1 Fundamental components
3.1.2.2 Spare components
3.1.3 Necessary tools
3.2 Selection of Installation Location
3.2.1 Cone of Vision
3.2.1.1 Fuel
3.2.1.2 Cone of Vision
3.2.2 Range of Detection
3.2.2.1 Detection Range of Fuels
3.2.2.2 Detection Range of False Alarm
3.2.3 Environment points to be considered when use
3.3 Installation and Electrical Wiring
3.3.1 Selection of Cable and Wiring Conduit
3.3.1.1 Standard for Electrical Wiring
3.3.1.2 Cable Gland Specification
3.3.2 Using of bracket during installation
3.3.2.1 Bracket Specification
3.3.2.2 Combination of Product & Bracket
3.3.2.3 Tightening Torque
10
10
10
10
10
11
12
12
12
12
13
13
13
14
15
15
15
15
15
15
16

Co.,Ltd. Triple IR Flame Detector RFD-3000
Document No. Manual–3000 (Rev. 01) March 2012
- 2 -
3.3.3 Electrical Wiring
3.3.3.1 Terminal Blocks
3.3.3.2 Terminal Label and Connection
3.3.3.3 Relay Output
3.3.3.4 0-20mA Current Output
3.3.3.5 RS485 Communication
3.3.3.6 External Recovery
3.3.3.7 External Self-Diagnosis Test
3.3.4. Setting of Product
3.3.4.1 Programmable switches and jumper.
3.3.4.2 Sensitivity setting
3.3.4.3 Setting of Delay Time
3.3.4.4 Setting of Output Signals
- Setting of Alarm signal Latch
- Setting of Warning RELAY Output
- Setting of Fault RELAY Output
- Setting of Current Output
3.3.4.5 Setting of Self Diagnosis Function
3.3.4.6 Setting of Communication Configuration
- Setting of RS485 Communication Enable
- Setting of Detector Address
- Setting of Baud Rate
17
17
18
19
23
24
25
26
27
27
28
29
30
32
33
4 Operation
4.1 Product Inspection
4.1.1 Inspection of Installation Conditions
4.2 Initial Operation of Product
4.3 Safety Handling
4.4 Product Testing
4.4.1 Product Testing by using : TL3000
35
35
36
36
37
37
5 Maintenance & Troubleshooting
5.1 Tools of Maintenance and Products Training
5.2 Maintenance Procedures
5.2.1 Cleaning the Detector
5.2.2 Periodic Maintenance Procedures
5.2.3 Maintenance Recording
39
39
39
39
39

Co.,Ltd. Triple IR Flame Detector RFD-3000
Document No. Manual–3000 (Rev. 01) March 2012
- 3 -
5.3 Troubleshooting
5.3.1 The LED is not responding after the power supply is connected.
5.3.2 Orange LED blinking (2Hz)
5.3.3 Any of LEDs blinking (1Hz) or blinking(2Hz) with delay(0.5sec) repeatedly
5.3.4 When receiver unable to detect various signal
40
40
40
40
40
6 Customer Support
6.1 Contacts Information 41
7 Appendix
7.1 Abbreviation
7.2 Choosing of Wiring
7.2.1 Reference: Standard Chart for Power Supply Electrical Wiring during
setting (AWG Standard)
7.2.2 Things to be consider when choosing electrical wiring for power supply
7.3 Certification & Approvals
42
42
42
43
43

Co.,Ltd. Triple IR Flame Detector RFD-3000
Document No. Manual–3000 (Rev. 01) March 2012
- 4 -
1. Product Overview
1.1 Product Introduction
Model RFD-3000 from Rezontech Co., ltd. is Triple IR Band type flame detector. It
activates alarm signal or fire extinguishing system via fire or flame detection. This function
is available directly on output terminal of detector or via connected control circuit.
Various output methods are available for choice:
ㆍ Dry contact Relays (Fire, Fault, Warning)
ㆍ 4~20mA Current Output
ㆍ RS485 Communication
RFD-3000 is a product with additional Internal/External recovery feature which enables it
to be widely used in various applications.
1.2 Contents of User Manual
This operating manual describes detector and its features.
Its contents of 7 different sections as per stated on [Table 1] below .
Title Content
1. Product Overview General introduction, products overview, brief
introduction on each part
2. Technical Specification Electrical, mechanical and environmental specifications
3. Installation Wiring, mode select, proper installation
4. Operation Operation mode and user interface display
5. Maintenance &
Troubleshooting Maintenance and technical support procedure
6. Customer Support About This product will be customer service will
describe the information
7. Appendix Abbreviations, authentication, and parts will be describe
information about products
[Table 1] Contents of User Manual

Co.,Ltd. Triple IR Flame Detector RFD-3000
Document No. Manual–3000 (Rev. 01) March 2012
- 5 -
1.3 Revision History
Version Date of Revision Content Remarks
1.0 March, 2012 Registration of document
[Table 2] Revision of User Manual
1.4 Warranty
Rezontech warrants the Models RFD-3000 to be free from defects in workmanship or
material under normal use and service within two years from the date of shipment.
Rezontech will repair or replace without charge any such product found to be defective
during the warranty period. Full determination of the nature of, and responsibility for,
defective or damaged product will be made by Rezontech’ personnel.
Defective or damaged product must be shipped to Rezontech’ plant or representative from
which the original shipment was made. In all cases this warranty is limited to the cost of
the product supplied by Rezontech. The customer will assume all liability for the misuse
of this product by its employees or other personnel.
All warranties are contingent upon proper use in the application for which the product was
intended and does not cover products which have been modified or repaired without
Rezontech’s approval, or which have been subjected to neglect, accident, improper
installation or application, or on which the original identification marks have been removed
or altered.
Except for the express warranty stated above, Rezontech disclaims all warranties with
regard to the products sold, including all implied warranties of merchantability and fitness
and the express warranties stated herein are in lieu of all obligations or liabilities on the
part of Rezontech for damages including, but not limited to, consequential damages
arising out of, or in connection with, the performance of the product.

Co.,Ltd. Triple IR Flame Detector RFD-3000
Document No. Manual–3000 (Rev. 01) March 2012
- 6 -
2. Technical Specifications
2.1 Electrical Specifications
2.1.1 Operating Voltage and Power Consumption
ㆍ Recommended Operating Voltage : 24VDC
ㆍ Rating Voltage : 18VDC ~ 30VDC
ㆍ Max Input Voltage : 30VDC
ㆍ Max Consumption Power : 4.5W (at 30VDC )
ㆍ Normal Average Current : approximate 100mA (at 24VDC)
ㆍ Max Operating Current : approximate 150mA
(at 18VDC~30VDC, during detection of fire or self-diagnosis test)
2.1.2 Relay Output
ㆍ 3A 30VDC, 5A 125VAC, 3A 250VAC
ㆍ Dry contact
ㆍ A(Normal Open) or B(Normal Close)
2.1.3 0-20mA Current Output
ㆍ Non-isolation output, Common GND(-Power)
ㆍ Max. Terminating Resistance : 400Ω
ㆍ 0mA (+0.5mA) : Connection Fault, Low Power Fault
ㆍ 2mA (±0.5mA) : Self-diagnosis test Fault
ㆍ 4mA (±0.5mA) : Normal
ㆍ 8mA (±0.5mA) : Initialize Circuit Fault
ㆍ 12mA (±0.5mA) : Self-diagnosis Test Excution
ㆍ 16mA (±0.5mA) : Warning
ㆍ 20mA (±0.5mA) : Fire Detection
2.1.4 RS485 Communication
ㆍ Non-isolation output (2 wiring)
ㆍ Communication Speed : 4800, 9600, 19200, 38400bps (dip-switch selectable,)
Detector must be reset after change communication speed.

Co.,Ltd. Triple IR Flame Detector RFD-3000
Document No. Manual–3000 (Rev. 01) March 2012
- 7 -
2.1.5 LED Indicator
ㆍ Three LEDs(Green, Red, Orange) indicator
ㆍ Product reset and initializing process : Any of LEDs(Orange → Red → Green) blink
repeatedly and sequentially( counter-clockwise 3 sec)
ㆍ Normal : Green LED lighting
ㆍ Power supply fault : Orange LED blinking (2Hz)
ㆍ Self-diagnosis test fault : Any of LEDs simultaneously blinking (1Hz) at where
the channels having detection problem
ㆍ Initializing Circuit fault : Any of LEDs simultaneously blinking (2Hz) with delay
(0.5 sec) at where the channels having sensing circuit problem
ㆍ Warning : Red LED blinking (2Hz)
ㆍ Alarm : Red LED Lighting
Orange LED
Green LED Red LED
Grounding
[Figure 1] Detector Exterior and LED indicator, its location

Co.,Ltd. Triple IR Flame Detector RFD-3000
Document No. Manual–3000 (Rev. 01) March 2012
- 8 -
2.2 Mechanical Specifications
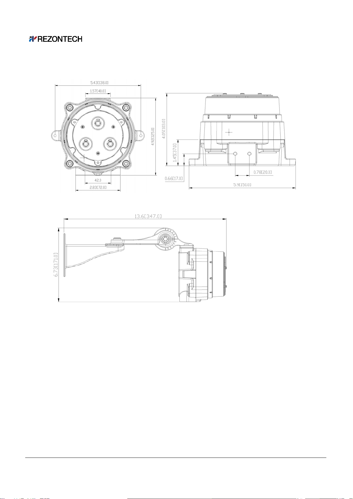
[Figure 2] Front view, inch[mm] [Figure 3] Side view, inch[mm]
[Figure 4] Combination of Detector with Bracket,
inch[mm]
ㆍ Enclosure (Material) : Aluminum alloy, Texture power coating
ㆍ Weight : Body - approximate 1.2 ㎏, Overall - approximate 2.2 ㎏
ㆍ Dimension(Body) : W5.9[150] × H4.1[103] × D4.9[125] (inch[mm])
ㆍ Dimension(Overall) : W5.9[150] × H6.7[171] × D13.6[347] (inch[mm])
ㆍ Color : Ivory
ㆍ Electrical connection (External) : 2 × 1/2″ PF
ㆍ Wire gauge (Power supply & Signal) : AWG #14 ( 2.08 ㎟ ) ~ #24( 0.205 ㎟ )
ㆍ Water and Dust Tight : IP67, NEMA Type 4X

Co.,Ltd. Triple IR Flame Detector RFD-3000
Document No. Manual–3000 (Rev. 01) March 2012
- 9 -
2.3 Environmental Specifications
ㆍ Operating Temperature : -40℃ ~ +75 ℃
ㆍ Storage Temperature : -50℃ ~ +80 ℃
ㆍ Humidity : Relative humidity 95%
Inhaltsverzeichnis
Andere Rezontech Sicherheitssensor Handbücher




















