
User Manual & Datasheet V 2.1
10 Installation and Handling
Guidelines
•PROBE - The mechanical construction of the probe
differs from application to application. Standard
methods of mounting are screwed or flanged. A
1" BSP Mounting Bush (standard) is provided for
screwing on to the container having a threaded
flange fitted with the probe has to be bolted on to
matching flanged welded to a pipe which in turn is
fixed to the container. The construction and size of
the mounting bush / flange as well as material of
mounting bush / flange depends on the application.
Depending on the application rod probes can be ei-
ther mounted from the top of the container or from
the side of the container. Rope probes have to be
mounted from the top only. For installing rod probes
from the top of the containers, sufficient clearance
between the roof and tank top is necessary as the
probe has to be hoisted-up over the tank top dur-
ing installation. Accurate length adjustments can be
made at site for part insulated rod or rope probes by
sawing off additional length from the bottom of the
probe. In the case of fully insulated probes, this is
not possible. If the container material is turbulent,
rope probe may sway excessively. They can be an-
chored to the container and a special weight with
the provision for anchoring is provided. The cable
entry gland in the case of side mounted rod probe
should always face downwards.
•ELECTRONIC INSERT - The Electronic Insert
ICA-3000A is fitted in the probe head by means of
single screw. It can operate satisfactorily up to a
ambient temp. of 80◦C. If the ambient temp. ex-
ceeds this the insert has to be mounted away from
the container in a special cast aluminium weather
proof housing and interconnected by screened cable.
Thereby the initial admittance is increased by the
amount of the admittance of the screened cable.
•EVALUATION UNIT - The Evaluation Unit is suit-
able for back panel mounting. Refer mounting de-
tails diagram for hole locations in the back panel and
drill holes accordingly. Remove instrument cover by
unscrewing the four screws provided on front cover.
Box fixing holes will be clearly visible on the box
bottom, above and below card. Mounting hardware
consisting of 4 nos.of M4 cheese head screws have
rubber ‘O’ rings to render the box dust tight after fit-
ting. After installation the cover should be re-fitted
to avoid dust ingression. The housing is suitable
for outdoor installation. However, in no case should
the instrument be subjected to temperature exceed-
ing 60◦C. Through the instrument can be installed
outdoors, it should never be subjected to direct sun
rays. Preferably a sun shade should be provided.
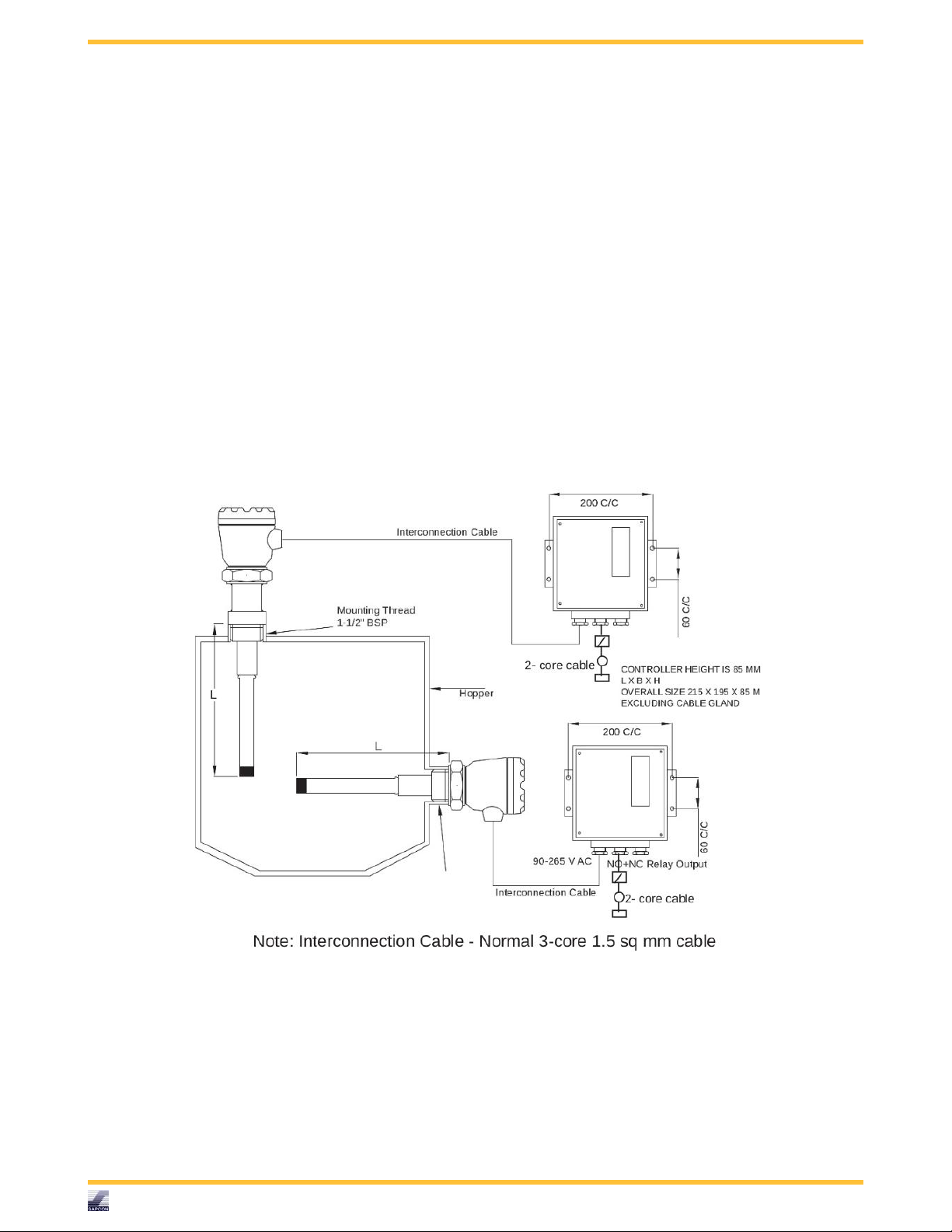
11 Connection
•ELECTRONIC INSERT - ICA-3000A : Ordinary
three core cable of core cross-section 1.5mm2& re-
sistance per core less than 25 ohms can be used to
connect the Electronic Insert to the Evaluation Unit
since only DC proportional to admittance change
is transmitted over the line. In the case of direct
mounting of Electronic Insert in the Probe, connec-
tion to the measuring electrode is made by the single
mounting screw. The ground wire is connected to
terminal 6 of the Insert. Wire from the shield elec-
trode is connected to terminals 5 of the Insert. Addi-
tional ground terminals is provided on the outside of
the housing for connecting to external earth. In case
the Insert is remotely mounted in a separate housing
the connection to the Evaluation Unit can be made
by ordinary three core cable as above but the con-
nection to the measuring and shield electrode should
be made with two core shield cable with teflon insu-
lation. The length of the cable should be restricted
to a maximum of 3 mtrs. as the admittance of the
cable adds up to the probe admittance.
•EVALUATION UNIT - Refer enclosed
drawing for connecting ICA-3000A to SLA-
122/222/322/622/722 connect appropriate mains
supply to terminals 1, 2 and 3 in the sequence Line
(L), Neutral (N) and Ground (G) respectively.In
case of 110 V AC operation, 110 V AC sticker is
pasted on the card.
CAUTION - Connecting 230 V AC mains to in-
struments meant for 110 V AC operation can cause
permanent damage.Terminals 4, 5 and 6 are Relay
output contacts of standard version.Terminals 7, 8
and 9 are optional Relay output contacts available
in special models.Contact position shown in the en-
closed diagram is in normal condition when green
LED glows.Terminals 12, 13 and 14 are for con-
necting to Electronic Insert-ICA 3000A.Terminals 12
and 14 supply 15 V DC for the operation of the
electronic circuitry in the Insert.Terminal 12 being
the DC ground (zero V) and terminal 14 (+15 V
DC).Terminal 13 receives the signal in the form of
DC Voltage variation proportional to the change in
admittance as a result of level change.Terminals 12,
13 and 14 of the Evaluation Unit should be con-
nected to terminals 2, 1 and 3 of the Electronic In-
sert respectively.Connections can be made by means
of ordinary 3 core cable of core cross-section not ex-
ceeding 2.5 mm2.
Maximum allowable cable length is that length
where in the resistance per core does not exceed
25 ohms.
•CONNECTION OF ALARM UNIT - Au-
dio/Visual alarm annunciators can be connected to
Sapcon Instruments Pvt.Ltd. R
8