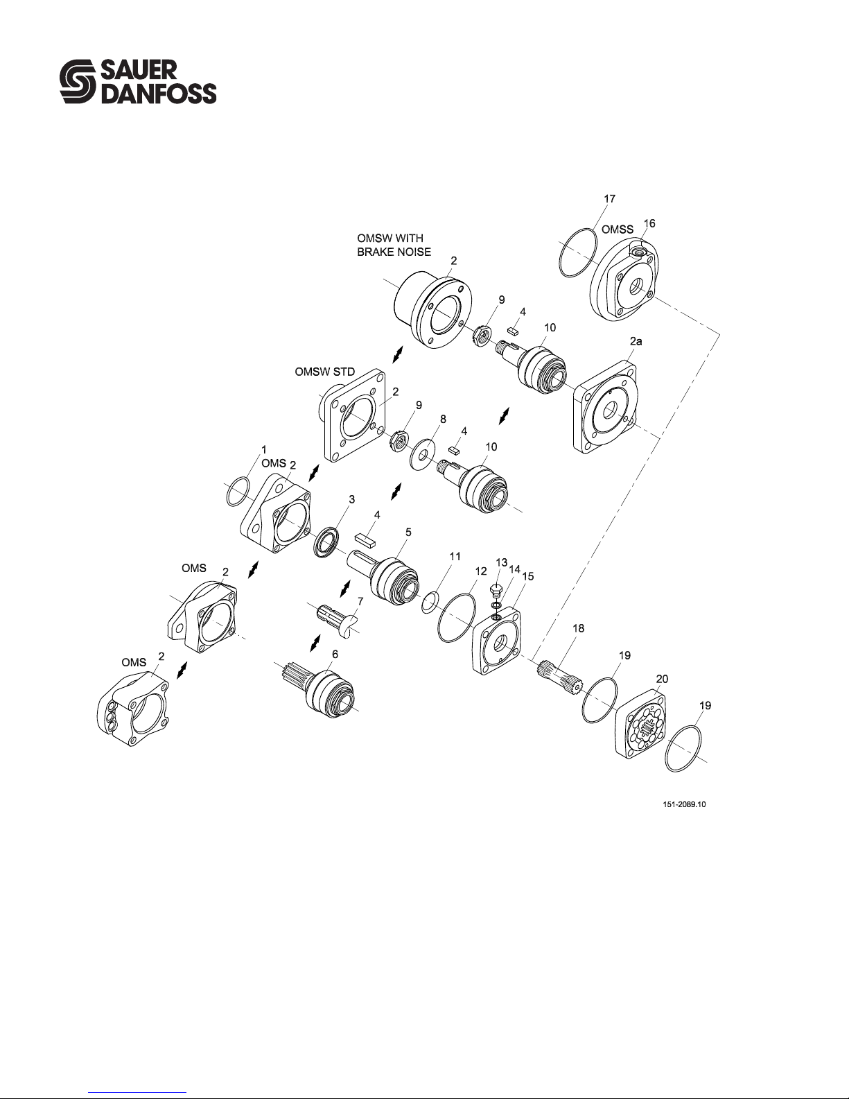
Spare Parts List
Spare Parts List Item Spare parts Number per motor
Code No.
1 Dust seal ring
(p.t.o. shaft)
35 • 42 • 3.5 mm [1.38 • 1.65 • 0.14 in] 633B3198 1
40 • 47 • 4.0 mm [1.57 • 1.85 • 0.16 in] 633B3356 1
2 Bearing housing
OMS Standard ange
OMS Standard ange and P.t.o. shaft
OMS Special ange
OMS A - 2 ange
OMS Magneto ange
OMS SAE B ange
OMSW Metric standard
OMSW SAE standard
OMSW with brake nose
151F1534
151F1549
151F1536
151F1685
151F1858
151F1864
151F1535
151F1620
151F1852
1
1
1
1
1
1
1
1
1
2a Mounting ange 151F1827 1
3Shaft seal
P.t.o. shaft
35 • 52 • 5 mm [1.38 • 2,05 • 0.20 in] NBR
35 • 52 • 5 mm [1.38 • 2,05 • 0.20 in] FPM
40 • 60 • 6 mm [1.57 • 2.36 • 0.24 in] NBR
633B3197
633B3196
633B3355
1
1
1
4Parallel key Metric:
Metric:
SAE:
SAE:
A 10 • 8 • 45 mm for 32 mm cyl. shaft
B 6 • 6 • 20 mm for tap. shaft
5/16 • 5/16 • 1 ¼ in for 1 ¼ in cyl.
and tapered shaft
¼ • ¼ • 1 ¼ in BS 46 for 1 in cylindrical shaft
682L8019
682L8021
151-4109
682L8036
1
1
1
1
5 Cylindrical shaft Metric:
SAE:
SAE:
Ø32 mm with bearings incl. item 4
Ø1 ¼ in with bearings incl. item 4
Ø1 in with bearings incl. item 4
151F0112
151F0118
151F0127
1
1
1
6Splined shaft Metric:
SAE:
SAE:
SAE:
1 ¼ in with bearings
1 ¼ in with bearings
1 in with bearings
0.875 in with bearings
151F0113
151F0119
151F0126
151F0138
1
1
1
1
7 P.t.o. shaft incl. bearing, DIN 9611 151F0116 1
8 Washer metric version only 20.5 • 44 • 4 mm 684X2530 1
9 Castellated nut Metric:
SAE:
M20 • 1.5 mm
1 - 20 UNEF
681X8235
151-4154
1
1
10 Tapered shaft Metric:
SAE:
35 mm with bearings incl. item 4, (8) and 9
1 ¼ in with bearings incl. item 4 and 9
151F0114
151F0115
1
1
11 Conical seal ring 633B9023 1
12 O-ring 70 • 2 mm [2.75 • 0.08] NBR 633B1379 1
13 Drain plug Metric:
SAE:
G ¼
7/16 - 20 UNF
151-1524
151-5439
1
1
14 Washer 684X2120 1
15 Intermediate plate Metric:
SAE:
151F1811
151F1812
1
1
16 Mounting ange for OMSS
Metric: 151F1817 1
17 O-ring for OMSS 100 • 3 mm [3.94 • 0.12 in] NBR 633B1486 1
18 Cardan shaft
OMS/OMSW/OMSS 80
OMS/OMSW/OMSS 100
OMS/OMSW/OMSS 125
OMS/OMSW/OMSS 160
OMS/OMSW/OMSS 200
OMS/OMSW/OMSS 250
OMS/OMSW/OMSS 315
OMS/OMSW/OMSS 400
OMS/OMSW/OMSS 500
l = 70 mm [2.75 in]
l = 73 mm [2.87 in]
l = 78 mm [3.07 in]
l = 84 mm [3.31 in]
l = 91 mm [3.58 in]
l = 99.5 mm [3.92 in]
l = 111 mm [4.37 in]
l = 124.5 mm [4.90 in]
l = 120.5 mm [4.74 in]
151F1461
151F1462
151F1463
151F1464
151F1769
151F1770
151F1829
151F1830
151F1861
1
1
1
1
1
1
1
1
1
19 O-ring 82.5 • 2 mm [3.25 • 0.08 in] NBR 633B1431 3