Installation instructions for solar charge regulator LRM 1218
9
Date: 22.07.2015
822.0213 MA / EN
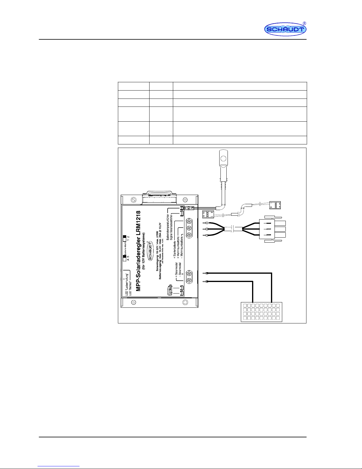
Pos. Name
XCable with electroblock connector:
-- X1 Brown Negative battery
-- X2 Red + Starter battery
-- X3 Black + Leisure area battery
YCable with DT .../LT ... control and display panel connector
-- Y1 Brown Leisure area battery signal
-- Y2 White Starter battery signal
G3 Solar module(s)
LRM 1218 Solar charge regulator
TF 50 A* Temperature sensor (special configuration, see also Section
5.5)
Establish the connection on the front of the solar charge regulator in the fol-
lowing order:
"1. Connect the electroblock with cable X (connection cable EBL ...
(charge currents for batteries), Fig. 2, Pos. 2).
"2. Connect the electroblock with cable Y (signals for display of charge
currents on DT ... / LT ..., Fig. 2, Pos. 1).
"3. Fit the right flat vehicle fuse (15A or 20 A; Fig. 1, Pos. 1 or 2) into the
”Solar” fuse on the EBL ...
"4. Finally, connect solar modules to the solar charge regulator. Use wire
end sleeves for this.
YThe correct fuse rating is printed on the front plate of the EBL... electro-
block. See also the block diagram in the operating instructions for the
electroblock.
YSteps 5. ... 9. ONLY when a TF 50 A temperature sensor is fitted (optio-
nal):
"5 Clamp the TF 50 A battery sensor to one of the terminals (preferable
the negative terminal) of the leisure area battery (note: this is NOT an
electrical connection -- only the temperature of the battery terminal is
read with this mechanical connection; this is virtually identical to the
internal temperature of the battery)
"6. Guide the cable through the vehicle to the LRM 1218 solar charge
regulator
"7. Plug the TF 50 A battery sensor connector into the LRM 1218 solar
charge regulator
"8. Secure the battery sensor cable at a suitable place (particularly near
the connector on the LRM 1218 to prevent the 2-pin connector from
coming loose)
"9. Unplug the ”Solar modules” and ”Leisure area and starter batteries”
connectors from the LRM 1218 and plug them back in again after 30
seconds. This ”registers” the sensor.
Disconnect in the reverse order.
Connection sequence
Disconnection