
Prima di dare inizio a qualsiasi azione
operativa è fatto obbligo provvedere
alla lettura del presente manuale di uso
installazione e manutenzione, in funzio-
ne delle attività da svolgere descritte
per il corretto utilizzo. La garanzia per
un buon funzionamento e di risponden-
za delle performance descritte della
centralina al servizio previsto, è stret-
tamente dipendente dalla corretta ap-
plicazione di tutte le istruzioni che sono
contenute in questo manuale, e ad una
buona progettazione dell’ impianto cen-
tralizzato.
Il presente libretto tecnico costitui-
sce parte integrante dell’apparecchio
acquistato e deve essere consegnato
agli operatori del settore incaricati del
montaggio.
Questa documentazione tecnica com-
prende tutte le informazioni necessarie
per il buon utilizzo e la migliore conser-
vazione del prodotto. Si raccomanda di
far installare l’apparecchiatura da per-
sonale qualificato e formato in modo
opportuno.
E’ buona regola leggere attentamente
il presente libretto prima di installare il
modulo, per programmare la manuten-
zione e comunque prima della messa in
servizio del modulo stesso.
La mancata osservanza delle presenti
istruzioni per il montaggio, il controllo
e la manutenzione può causare danni
alle persone ed all’ apparecchiatura
stessa.
Il costruttore si riserva il diritto di
modificare le caratteristiche tecniche e
costruttive onde migliorare il prodotto
stesso senza obbligo di preavviso.
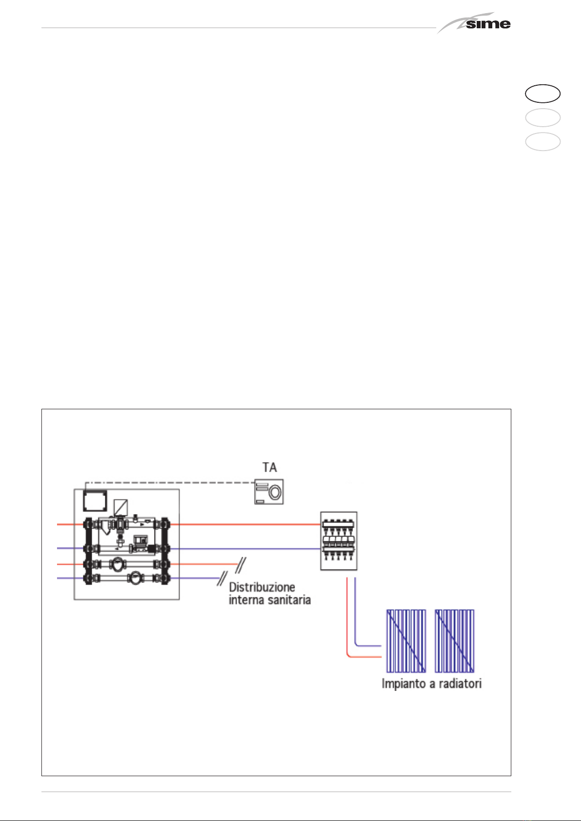
Il modulo termico SimeConn è elemen-
to di interfaccia tra abitazione di tipo
civile e impianto termico centralizzato
o rete di distribuzione cittadina (teleri-
scaldamento)
I fluidi interessati alla distribuzione al
modulo sono l’acqua di riscaldamento
/raffrescamento e l’acqua sanitaria
sia calda che fredda.
Questo tipo di apparecchiatura è
stata progettata per l’ installazione da
incasso a parete, realizzata in fase di
costruzione dell’ abitazione. Il pannello
esterno verniciato con il relativo telaio
rimane visibile e a filo muro.
MODALITÀ
DI IMPIEGO
E USO PREVISTO
Il modulo termico SimeConn è stato
progettato e prodotto per assolvere
le funzioni più richieste dagli utenti in
fatto semplicità d’uso e di autonomia
termica ed idraulica.
La funzione principale di questo tipo di
modulo è principalmente di regolazione
e di contabilizzazione termica, ed è
provvisto di contatore di energia e di
contalitri di acqua fredda e calda sani-
taria, che quantificano i consumi nelle
rispettive unità abitative, e vengono
alimentati da rete di distribuzione cen-
tralizzata con produzione acqua calda
sanitaria posta in centrale termica.
A valle del modulo può essere collegato
un qualsiasi impianto ad alta tempera-
tura o a bassa temperatura prodotta
in centrale termica.
Tutte le tipologie dei moduli di contabi-
lizzazione possono essere installati in
appositi vani tecnici o all’ interno, degli
alloggi stessi, e vengono collaudati,
cablati, tarati a banco.
LEGGERE ATTENTAMENTE
LE ISTRUZIONI RIPORTATE
PERICOLO
DI FOLGORAZIONE
PERICOLO DI
SCOTTATURE
PER ALTE TEMPERATURE
1 INTRODUZIONE ED INFORMAZIONI GENERALI
SIMBOLOGIA AVVERTENZE DI SICUREZZA