
Table of Contents
1600H T4F CAT/Perkins Addendum Table of Contents
02250251-632 R01
Subject to EAR, ECCN EAR99 and related export control restrictions. 3
Section 1: Description..............................................................................................5
1.1 Introduction & functional description................................................................................................5
1.2 Piping and instrumentation - Condensate management system.....................................................6
Section 2: Operation ................................................................................................9
2.1 Overview..........................................................................................................................................9
2.2 Shutdown procedure .......................................................................................................................9
Section 3: Maintenance..........................................................................................11
3.1 Overview........................................................................................................................................11
3.2 Troubleshooting.............................................................................................................................11
Section 4: Drawings ...............................................................................................13
4.1 Exhaust system.............................................................................................................................14
4.2 Exhaust pipe, 5 inches..................................................................................................................22
4.3 Exhaust pipe tail, 5 inches.............................................................................................................24
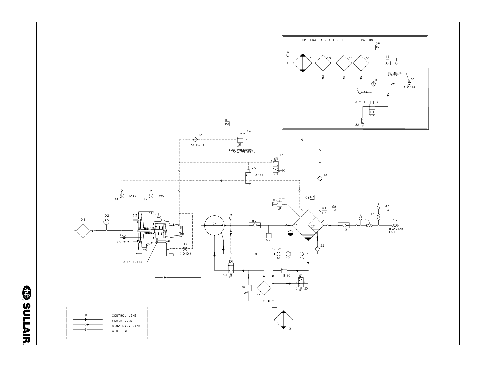
4.4 Discharge system - aftercooled/filtered with CMS.........................................................................28
4.5 Drains - aftercooled/filtered with CMS...........................................................................................34