
Table of Contents
1Safety Instructions.........................................................................................................................4
1.1 Installation ........................................................................................................................................ 4
1.2 Unpacking ......................................................................................................................................... 4
1.3 Conduit/Stopping Plug ....................................................................................................................... 4
2Product Description.......................................................................................................................5
2.1 Introduction ...................................................................................................................................... 5
2.2 Specifications..................................................................................................................................... 5
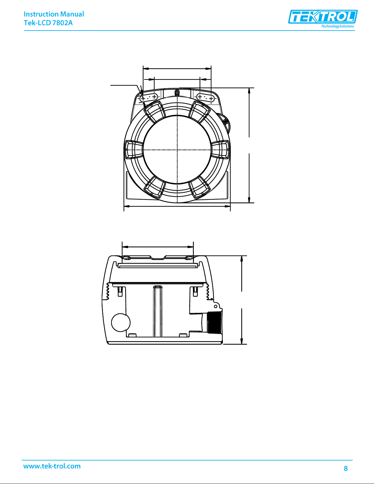
2.3 Dimensional Drawing......................................................................................................................... 8
2.4 Ordering Information ......................................................................................................................... 9
2.5 Mounting........................................................................................................................................... 9
3Connections ................................................................................................................................ 10
3.1 Input Signal & Backlight Connections................................................................................................ 11
3.2 External Reset Connection ............................................................................................................... 12
3.3 Open Collector Output Connections ................................................................................................. 13
4Setup and Programming .............................................................................................................. 14
4.1 Overview ......................................................................................................................................... 14
4.2 Through-Window Buttons ................................................................................................................ 14
4.3 Buttons and Display ......................................................................................................................... 15
4.4 Main Menu Display Functions & Messages ....................................................................................... 16
4.4.1 Main Menu ............................................................................................................................................. 17
4.4.2 Setting Numeric Values........................................................................................................................... 18
4.4.3 Setting Up the Meter (SETUP) ................................................................................................................ 18
4.4.4 Setting the Decimal Point (dEc_PT) ........................................................................................................ 19
4.4.5 Programming the Meter (PRoG)............................................................................................................. 20
4.4.6 Scaling the Meter (SCALE) ...................................................................................................................... 21
4.4.7 Calibrating the Meter (CAL).................................................................................................................... 22
4.4.8 Setting the Time Base (tbAsE)................................................................................................................ 23
4.4.9 Setting the Total Conversion Factor (totCF) ........................................................................................... 23
4.4.10 Manual or Automatic Total Reset Function (t rST)............................................................................. 24
4.4.11 Setting the Tag Display (tAG).............................................................................................................. 25
4.4.12 Setting Up the Password (PASSWRD) .................................................................................................... 26
4.4.13 Disabling Password Protection........................................................................................................... 26
4.4.14 Service Feature (SERVICE)................................................................................................................... 27
4.5 Advanced Features Menu & Display Messages.................................................................................. 28
4.5.1 Advanced Features Menu....................................................................................................................... 29
4.5.2 Alarm & Pulse Output (OUTPUT)............................................................................................................... 30
4.5.3 Alarm Output (Alrm) ................................................................................................................................ 30
4.5.4 Pulse Output K-Factor (PulsE)................................................................................................................. 31
4.5.5 Advanced Function Selection (FUNCTN) ................................................................................................... 31
4.5.6 Multi-Point Linearization (lnEAr) ............................................................................................................ 31
4.5.7 Manual Entry (SCALE) ............................................................................................................................. 31
4.5.8 External Calibration (CAL)....................................................................................................................... 31