
INSTALLATION
6
ELECTRICAL
Power
The SPK300L receives electrical power from either:
(1) a system power supply (26 to 32 volts DC on line connector pins 2 (+) and 1 (com) (1 or two channel operation); or
(2) a local power supply option (14 to 26 volts DC). A user station requires 18 to 33 volts to be a 10,000 ohm bridging imped-
ance across the powering line, but the station can otherwise operate (as in the local power option) from 12 to 33 volts.
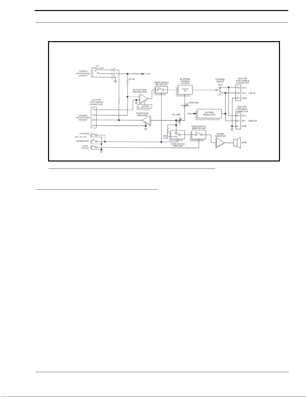
When using a local power supply option, each channel requires a 200 ohm load. See Figure 1-1. It is necessary to do this only
once for each channel string.
Model SPK300L current requirements range from 30 to 100 mA; Since, in (1), above, the power and communications signals
may share conductors, it may be necessary to overcome power losses by increasing conductor size over long runs (over 1/2
mile (804 m)). Typical operating distance for one SPK300L station is 1/2 mile (.80 km), and for one SPK300L, 1/3 mile (0.53
km) using a normal # 22 AWG conductor size.
Signal
The required number of conductors to interconnect user stations is as follows (For standard unbalanced TW user stations):
# of Channels # of Conductors
12*
13**
23***
*Using a TW power supply (and possibly operating on a TW system).
**Using a non-TW power supply.
***Using a TW power supply and operating on a TW two channel system.
Use shielded cable to interconnect user stations in areas of possible electrical interference, (areas such as those near: digital
equipment, high current primary power conductors ("mains"), transformers, transmitters, and lamp dimmers).
Most two channel applications may use either standard microphone cable (for convenience) or two-twisted-pair cable
(considerably less expensive than microphone cable). Standard wire size for the TW Intercom System is #22 gauge wire for
interconnection. For permanent installations it is recommended that each channel should have individually shielded twisted
pair of at least #22 gauge wire, such as Belden #8723 for 2 channels. Connect the shield to system common but do not tie the
shield to chassis, earth or connector shell ground.
Crosstalk Control
In the TW Intercom System all channels share a common circuit ground return. Crosstalk due to common ground resistance
can be lowered by reducing the common ground resistance. Reduction of ground resistance can occur as a side benefit of
using shielded cable, since the shield drains can be tied together and electrically parallel the circuit ground. Another way of
lowering resistive crosstalk is to "homerun" all interconnecting cables to a central or "home" location. In this configuration,
the ground path is short and the corresponding ground resistance is small. Crosstalk due to mutual capacitance occurs when
the signal on one wire of a twisted pair couples into the other wire. Separating the two conductors with a shield greatly
reduces the capacitive crosstalk.
To reduce both capacitive and resistive crosstalk and to afford a degree of RF and electrostatic shielding, use a cable which has
a shielded twisted pair for each channel. Each pair consists of a conductor for the channel, a conductor for circuit ground
return and a shield around the two conductors. The shield is accessed via a drain conductor. This drain conductor and the
shield can augment the circuit grounds and thus lower the ground resistance.