
10007572
TBREF Electric Fireplace
3
14. Do not strike the fireplace glass.
15. Always use a certified electrician for installation.
16. Disconnect all power coming to fireplace at main
service panel before performing any cleaning or
maintenance.
17. Do not install this fireplace on carpet or vinyl floors,
as discoloration may occur.
18. SAVE THESE INSTRUCTIONS.
General Information
1. Read all instructions before using this appliance.
2. This appliance is hot when in use. To avoid burns, do
not let bare skin touch hot surfaces. If provided, use
handles when moving this appliance. Keep combus-
tible materials, such as furniture, pillows, bedding,
papers, clothes and curtains at least
3 feet (1 m) from the front of this appliance.
CAUTION: Extreme caution is necessary
when any heater is used by or near chil-
dren or invalids, and whenever the heater
is left operating and unattended.
3. Do not operate any heater if the appliance malfunc-
tions, or if it has been dropped or damaged in any
manner.
4. Any repairs to this fireplace should be carried out by
a qualified service person.
5. Under no circumstances should this fireplace be
modified. Parts having to be removed for servicing
must be replaced prior to operating this fireplace
again.
6. Do not use outdoors.
7. This heater is not intended for use in bathrooms,
laundry areas and similar indoor locations. Never
locate this appliance where it may fall into a bathtub
or other water container.
8. This appliance, when installed, must be electrically
grounded in accordance with local codes, or, in the
absence of local codes, with the current CSA C22.1
Canadian Electrical Code; for U.S.A. installations,
follow local codes and the National Electrical Code,
ANSI/ NFPA NO. 70.
9. Do not insert or allow foreign objects to enter any
ventilation or exhaust opening, as this may cause an
electric shock or fire, or damage the appliance.
10. To prevent a possible fire, do not block air intake or
exhaust in any manner. Do not use on soft surfaces
(e.g., beds) where openings may become blocked.
11. This appliance has hot and arcing or sparking parts
inside. Do not use it in areas where gasoline, paint or
flammable liquids are used or stored. This fireplace
should not be used as a drying rack for clothing, nor
should Christmas stockings or decorations be hung
in the area of it.
12. Use this appliance only as described in this manual.
Any other use not recommended by the manufactur-
er may cause fire, electric shock or injury to persons.
13. Do not burn wood or other materials in this fireplace.
Installation Instructions
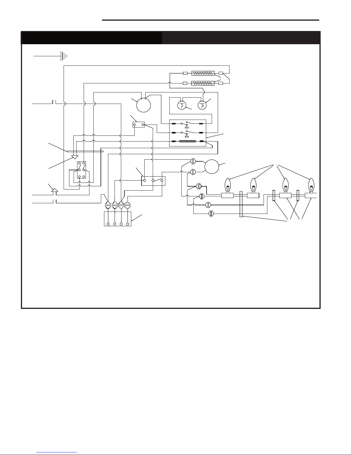
Wiring
Ensure the power conversion/switch (if
equipped) is in the proper position for re-
quired supply voltage prior to connecting
the unit to power supply.
Do not use this fireplace if any part of it
has been under water. Immediately call a
qualified service technician to inspect the
fireplace and replace any part of the elec-
trical system that has been under water.
A qualified electrician must perform any
electrical wiring of this appliance. This wir-
ing must be done in accordance with local
codes, and/or in Canada, with the current
CSA C22.1 Canadian Electrical code; for
U.S.A. installation, National Electrical Code
ANSI/NFPA No. 70.
NOTES: The unit is shipped from the factory config-
ured for 120 Volt operation.
Ensure the power conversion switch is in the
proper position for the required supply voltage.
All wiring must be completed prior to installing the
unit.
Electrical Connection
1. Loosen the screws securing junction box cover.
2. Remove knockouts in the box cover to use a cable
clamp.
3. Place the unit in position in the opening. Level it with
shims if necessary, and attach the unit to the frame
using the nailing flanges provided.
4. The unit is factory wired for 120 Volt power supply.
If 208/240 Volt operation is required, flip the switch
located on junction box and reconfigure the wiring
as covered on page 7. Wires L1, L2, N, and G are
located inside the junction box.
5. Wire a dedicated, properly fused, 20 Amp rated
circuit for appropriate voltage (120 or 208/240).
6. Place all connectors inside junction box and replace
the cover to ensure connections are tight.