
WARNING
CALIFORNIA
Proposition65Warning
Thisproductcontainsachemicalorchemicals
knowntotheStateofCaliforniatocausecancer,
birthdefects,orreproductiveharm.
ThisproductcomplieswithallrelevantEuropeandirectives.
Fordetails,pleaseseetheDeclarationofIncorporation(DOI)
atthebackofthispublication.
Introduction
Theverticutterkitsaremountedonaride-onmachineand
isintendedtobeusedbyprofessional,hiredoperators
incommercialapplications.Itisprimarilydesignedfor
verticuttinggrassonwell-maintainedlawnsinparks,sports
elds,andoncommercialgrounds.
Readthisinformationcarefullytolearnhowtooperateand
maintainyourproductproperlyandtoavoidinjuryand
productdamage.Youareresponsibleforoperatingthe
productproperlyandsafely.
YoumaycontactTorodirectlyatwww .Toro.comforproduct
andaccessoryinformation,helpndingadealer,ortoregister
yourproduct.
Wheneveryouneedservice,genuineToroparts,oradditional
information,contactanAuthorizedServiceDealerorToro
CustomerServiceandhavethemodelandserialnumbersof
yourproductready.Figure1identiesthemodelandserial
numbersontheproduct.Writethenumbersinthespace
provided.
g196973
Figure1
1.Locationofthemodelandserialnumbers
ModelNo.
SerialNo.
Thismanualidentiespotentialhazardsandhassafety
messagesidentiedbythesafetyalertsymbol(Figure2),
whichsignalsahazardthatmaycauseseriousinjuryordeath
ifyoudonotfollowtherecommendedprecautions.
g000502
Figure2
1.Safetyalertsymbol
Thismanualuses2wordstohighlightinformation.
Importantcallsattentiontospecialmechanicalinformation
andNoteemphasizesgeneralinformationworthyofspecial
attention.
Contents
Safety...........................................................................3
SafetyandInstructionalDecals.................................3
Setup............................................................................4
1InspectingtheVerticutter.......................................5
2InstallingtheTransportRollers...............................5
3InstallingtheO-ringandtheGrease
Fitting................................................................5
4InstallingtheTurf-CompensationSpring..................6
5AdjustingtheBladeDepth.....................................7
6AdjustingtheRearGrassShield..............................7
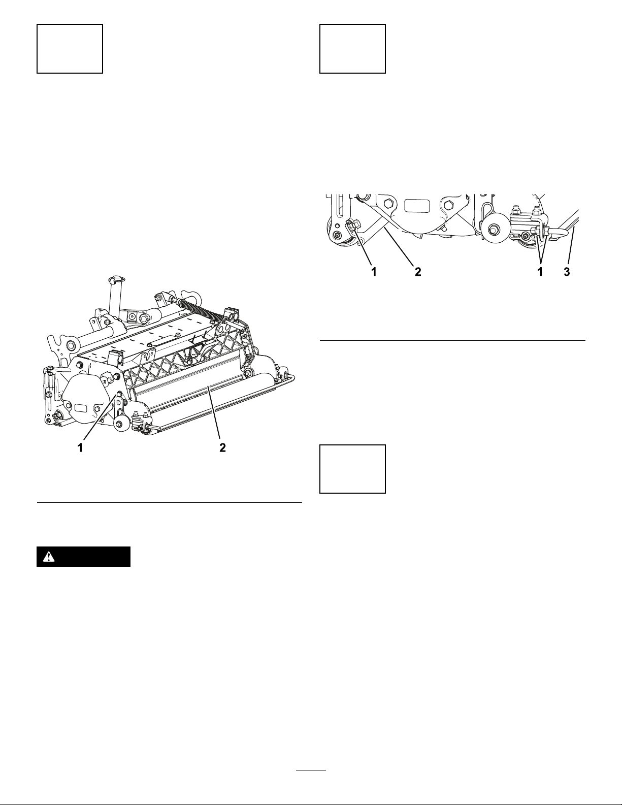
7AdjustingtheRollerScrapers..................................8
8AdjustingtheTransportRollers...............................8
9MountingtheVerticutterReel.................................9
10AdjustingtheCutting-UnitSteering.......................9
11AdjustingtheTurf-CompensationSettings.............10
ProductOverview.........................................................11
Specications........................................................11
Operation....................................................................11
TrainingPeriod......................................................11
OperatingTips.......................................................11
Maintenance.................................................................12
LubricatingtheVerticutter.......................................12
RemovingtheVerticutterBladesfromthe
Shaft.................................................................12
InstallingtheVerticutterBlades................................13
ServicingtheRoller.................................................13
©2016—TheToro®Company
8111LyndaleAvenueSouth
Bloomington,MN554202
Contactusatwww.Toro.com.
PrintedintheUSA
AllRightsReserved