
FR
DSBA3200 • Rév. 09/06/2020 3
INTRODUCTION
Ce manuel a été conçu dans le but de vous guider dans l’installation et l’utilisation de nos actionneurs électriques ER PLUS. Lisez-le attentive-
ment avant d’utiliser nos produits et veillez à le conserver.
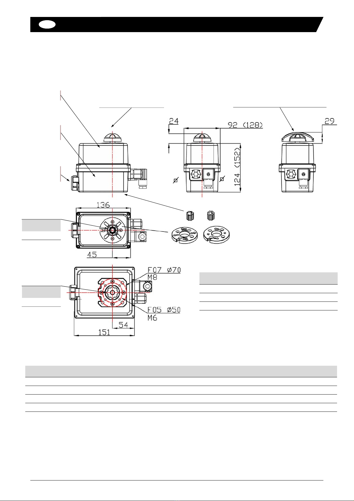
DESCRIPTION
Ces actionneurs électriques ont été conçus pour permettre le pilotage d’une vanne 1/4 tour (ou 180° dans le cas d’une version 3 positions).
Nous ne pouvons être tenus responsables en cas d’autre utilisation. Vous pouvez toutefois nous consulter pour toute autre application.
À L’ATTENTION DES PROPRIÉTAIRES ET UTILISATEURS
Merci d’avoir acheté cet appareil. Il assurera un fonctionnement sécurisé et optimal à condition d’être utilisé conformément aux instructions
décrites dans ce manuel et de faire l’objet d’une maintenance appropriée. De manière importante, l’installateur et l’utilisateur doivent être
formés afin d’éviter tout dommage matériel et tout dommage corporel pouvant potentiellement entraîner la mort.
Les propriétaires et utilisateur de cet appareil doivent s’assurer qu’il est utilisé de façon convenable et sécuritaire.
LIRE ATTENTIVEMENT CE MANUEL afin d’utiliser cet appareil correctement et respecter scrupuleusement les instructions qui y sont conte-
nues ainsi que les contraintes fixées par les lois locales en vigueur. Le non-respect des consignes peuvent entraîner la mort, des dommages
corporels sévères et des dommage matériels. Ce manuel doit être considéré comme une partie de l’appareil et doit être conservé pour toute
référence.
Les propriétaires ne doivent pas permettre à une personne de toucher cet appareil à moins qu’elle n’ait au moins 18 ans, qu’elle soit correc-
tement formée et encadrée et qu’elle ait lu et compris ce manuel. Les propriétaires doivent également s’assurer qu’aucune personne non
autorisée ne puisse entrer en contact avec cet appareil.
Si cet équipement ou si l’une de ses pièces est endommagée et nécessite une réparation, arrêter de l’utiliser et contacter immédiatement un
technicien spécialisé. Si les éléments d’avertissement ou ce manuel sont égarés, endommagés ou illisibles ou si vous avez besoin d’exem-
plaires supplémentaires, vous pouvez nous contacter pour ces éléments sans frais supplémentaires.
N'oubliez pas que ce manuel et les étiquettes d'avertissement ne remplacent pas la nécessité d'être vigilant, de former et de contrôler correc-
tement les utilisateurs ainsi que d'utiliser le bon sens lors de l'utilisation de cet équipement.
Si vous avez un doute quant à un travail spécifique ou à la façon appropriée d’utiliser ce matériel, n’hésitez pas à nous contacter.
TRANSPORT ET STOCKAGE
Les transporteurs étant responsables des avaries et des retards de livraison, les destinataires doivent émettre des réserves, le cas
échéant, avant de prendre livraison des marchandises. Les envois directs d’usine sont soumis aux mêmes conditions.
Le transport sur site est effectué dans un emballage rigide.
Les produits doivent être stockés dans des endroits propres, secs et aérés, de préférence sur des palettes de manutention ou sur des
étagères.
MAINTENANCE
La maintenance est assurée par notre usine. Si le matériel ne fonctionne pas, vérifier le câblage suivant le schéma électrique et l’alimenta-
tion de l’actionneur électrique concerné.
Pour toute question, prendre contact avec le service après-vente.
Pour nettoyer l’extérieur de l’appareil, utiliser un chiffon (et de l'eau savonneuse). NE PAS UTILISER D'AGENT A BASE DE SOLVANT OU
D'ALCOOL.
GARANTIE
100% des actionneurs ont été testés et réglés en usine.
Ces produits sont garantis 3 ans ou 50000 manœuvres contre tous vices de fabrication et de matière, à partir de la date de livraison
(facteur de service et classe du modèle suivant la norme CEI34).
Cette garantie n'est valable que dans le cas où le matériel aura été, entre temps, ni démonté, ni réparé. Cette garantie ne s'étend pas à
l'usure provoquée par suite de chocs ou maladresse, ainsi que par l'utilisation du matériel dans les conditions qui ne seraient pas con-
forme à ses caractéristiques. Cette garantie est strictement limitée au remplacement de la ou des pièces d'origines reconnues défec-
tueuses, par nos services, après expertise. Les frais de port aller et retour, ainsi que la main d'œuvre, restent à la charge du client. Aucune
responsabilité ne serait nous incomber au sujet des accidents ou risques directs ou indirects découlant d'une défectuosité de nos maté-
riels. La garantie ne couvre pas les conséquences d'immobilisation et exclut tout versement d'indemnité. Les accessoires et adaptations
ne sont pas couverts par cette garantie. Au cas où le client n'aurait pas réalisé ponctuellement les paiements stipulés aux échéances con-
venues, notre garantie sera suspendue jusqu'au paiement des échéances en retard et sans que cette suspension puisse augmenter la
durée de la garantie à la mise à disposition.
RETOUR DE MARCHANDISE
L'acheteur est tenu de vérifier au moment de la livraison la conformité de la marchandise par rapport à sa définition.
L'acceptation par l'acheteur de la marchandise dégage le fournisseur de toute responsabilité, si l'acheteur découvre une non-conformité
postérieurement à la date d'acceptation. Dans un tel cas, les frais de mise en conformité seront à la charge de l'acheteur qui supportera
également seul, les conséquences financières du dommage. Les retours des marchandises sont acceptés que si nous les avons préala-
blement autorisés : ils doivent nous parvenir franco de tous frais à domicile et ne comporter que des produits dans leur emballage d’ori-
gine. Les marchandises rendues sont portées au crédit de l'acheteur, déduction faite des 40% de reprise du matériel calculé sur la base
du montant initial des marchandises retournées.
CONSIGNES DE SECURITE A lire avant toute installation du produit
L’alimentation électrique doit être coupée avant toute intervention sur l’actionneur électrique (avant de démonter le capot ou de manipuler
la commande manuelle de secours).
Toute intervention doit être effectuée par un électricien qualifié ou une personne formée aux règles d’ingénierie électrique, de sécurité et
tout autre directive applicable.
Respecter impérativement l’ordre des consignes de raccordement et de mise en service décrites dans le manuel sans quoi le bon fonc-
tionnement n’est plus garanti. Vérifier les indications portées sur la plaque d’identification de l’actionneur : elles doivent correspondre à
votre réseau électrique d’alimentation.
Respecter les règles de sécurité lors du montage, démontage et portage de cet appareil.
Ne pas transporter ou manipuler l’actionneur en se servant de la commande manuelle.
Ne pas soulever l’actionneur par la poignée (ER10/ER20).
Ne pas monter l’actionneur « tête en bas ». Risques encourus :
Disfonctionnement du mécanisme de débrayage
Possible écoulement de graisse sur la partie électronique
Ne pas monter l'actionneur à moins de 30 cm d’une source de perturbations électromagnétiques.
Ne pas positionner l'appareil de manière à rendre difficile la manœuvre du dispositif de sectionnement.