SERVICE Whirlpool Europe FL 5064 18.02.2002 (Mod.01) / Page 3
Customer Service 8570 506 10000 Doc. No: 4812 712 16681
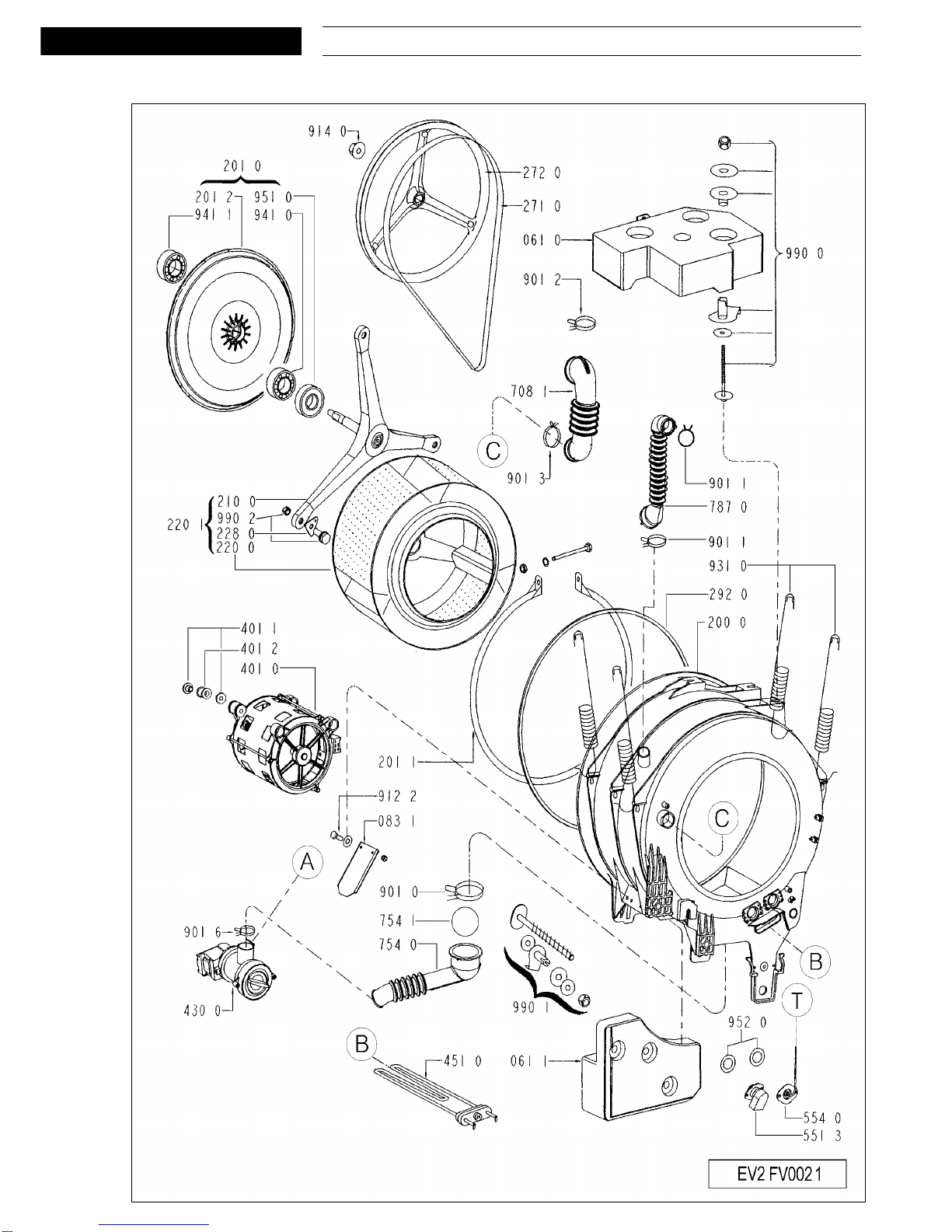
Spare part list
Model FL 5064
Service No. 857050610000
Version 857050610000
Pos. No. 12NC Code Description
001 0 4812 440 10328 Cabinet + feet TATRY
011 0 4812 462 48077 Foot adjustable
013 0 4812 462 48078 Foot fix
021 0 4812 440 19481 Front,panel
024 0 4819 440 19897 Panel, rear
025 0 4812 404 38636 Support control board VBL
025 1 4812 452 19849 Holder Frontpanel
030 0 4812 440 10481 Table top WH VBL
034 2 4819 492 68458 Fastener
034 3 4819 532 68243 Bushing
040 0 4819 417 19232 Hinge
053 0 4819 440 19901 Plinth
061 0 4819 466 89453 Counter weight ,top
061 1 4819 466 89454 Counter weight ,bottom
080 0 4819 492 68215 Spring
081 0 4819 466 48115 Friction plate
083 1 4819 462 38925 Friction plate
084 0 4819 462 48049 Silent bloc
086 0 4819 401 18607 Clamp bushing
110 0 4819 498 78444 Handle
130 0 4819 417 38117 Lock
130 1 4819 535 38062 Shaft Hooh
141 0 4819 450 69806 Door glass
143 0 4812 440 10482 Door cpl. WH VBL
143 1 4812 440 10483 Glassdoor frame WH VBL
144 0 4819 532 28288 Frame,door glas
144 1 4819 466 89077 Plate door frame
190 0 4819 468 18344 Door bellow
190 1 4819 492 38119 Strap porthole seal
190 2 4819 492 68515 Strap porthole seal
200 0 4819 418 18371 Tub
201 0 4812 464 48113 Bottom Tub cpl.
201 1 4819 532 88052 Ring
201 2 4812 464 48114 Bottom
210 0 4819 535 78164 Crosspiece
220 0 4819 418 18291 Drum
220 1 4819 418 18367 Drum cpl.
228 0 4812 418 18212 Plate
271 0 4819 358 18115 Belt
272 0 4819 528 88119 Pulley
292 0 4819 466 69797 Gasket
301 0 4812 452 11009 Control panel FL 5064
331 0 4812 414 58157 Knob,timer VBL
332 0 4812 513 18118 Push button WH VBL
335 0 4812 414 58158 Knob thermostat WH VBL
339 0 4812 233 18006 Adapter f. Knob
351 0 4812 124 98001 Lamp mains
401 0 4819 361 58277 Motor
401 1 4812 362 48433 Bushing Motor
401 2 4812 404 68028 Silent bloc
420 0 4819 121 18314 Capacitor
421 0 4812 121 18142 Interf.filter 1,00 µF
430 0 4819 360 18189 Pump,draining
451 0 4819 259 28932 Heating element 2050 W + NTC
490 0 4819 321 18136 Cable,mains 2m SA
Pos. No. 12NC Code Description
491 0 4812 321 28367 Strain relief
501 0 4812 282 18916 Timer EC 6018
551 3 4819 282 28713 Thermostat 35 ˚C
554 0 4819 271 29081 Thermostat 30-80 ˚C
572 0 4812 271 28484 Valve,magnet single
583 0 4819 271 29082 Pressostat
620 0 4819 410 29005 Switch Options NC
620 3 4819 410 29044 Switch Options NO
621 0 4812 276 18276 Switch ON/OFF
630 0 4819 276 18416 Door lock
701 0 4819 530 29034 Hose, inlet
702 0 4812 530 29128 Hose dispenser/valve
707 0 4812 526 48033 Nozzle Distribution 4
707 1 4812 526 48028 Nozzle
708 1 4812 530 48358 Bend dispenser/tub
711 0 4812 418 68245 Detergent disp.
712 0 4812 418 68246 Drawer VBL
713 0 4812 418 88028 Flap Detergent Cont.
717 0 4812 321 38022 Bowden cable
717 1 4812 321 38013 Lever , Nozzle
717 2 4812 321 38012 Holder,adjust.
717 3 4812 278 88007 Slide
717 5 4819 528 38462 Cam
718 0 4812 526 48051 Siphon
718 1 4812 418 88024 Accessory
753 1 4819 418 68234 Chamber,air
754 0 4819 526 48255 Drainhose inner Tub/Pump
754 1 4812 530 28832 Lock eco
781 0 4819 530 29035 Hose,draining
783 0 4819 530 29036 Hose pressostat
787 0 4812 530 29129 Steam hose
794 5 4812 530 58098 Gasket Airtrap
900 0 4812 255 18205 Holder Pressostat
901 0 4819 401 18529 Clamp,hose
901 1 4819 401 18174 Clamp,hose 25-45 mm
901 2 4812 401 18501 Clamp,hose 19,2 mm
901 3 4819 401 18882 Clamp
901 6 4819 401 18436 Clamp,hose
902 1 4812 255 18204 Holder Hose outlet
910 6 4819 502 38005 Screw
912 2 4819 310 38685 Set screw
914 0 4819 505 18376 Nut
931 0 4819 492 38138 Spring,suspens.
932 0 4819 492 68666 Spring
932 5 4812 492 38359 Spring , Nozzle
941 0 4819 520 18041 Bearing,ball 6203-2Z
941 1 4819 520 18042 Bearing,ball 6202-2Z
951 0 4819 468 18343 Shaft seal
952 0 4819 466 69882 Gasket thermostat
990 0 4819 310 39124 Mounting kit ,weight top
990 1 4819 310 38684 Mounting kit ,weight bottom
990 2 4819 310 39099 Accessories CROSSPIECE