Xantech DCCBB Bedienungsanleitung

08905108C - 1 -
INSTALLATION INSTRUCTIONS
DCSS/DCCBB
Doorbell Communicator
DESCRIPTION
The DCSS/DCCBB is a Doorbell Communicator that is used with the DCH4 to provide keyless entry
control with the MRC88CTL. The DCSS is a stainless steel version. The DCCBB is a cool bronzed
black version. Both DCSS and DCCBB mount into a single gang box.
SPECIFICATIONS
Power: Telephone line powered (18VDC 20mA minimum)
Dimensions:
oFaceplate: 123.8mm x 79.4mm x 4.6mm (4.875” x 3.125” x 0.18”)
oPhone: 71mm x 46mm x 42mm (2.8” x 1.8” x 1.65”)
Shipping Weight: 0.45 kg (1.0 lbs)
Environmental: -32C to 54C (-25F to 130F) with 5% to 95% non-condensing humidity.
Speaker Volume: Approximately 62dB maximum @ 1m
Ring Voltage: 25VAC RMS minimum (for auto answer)
CPC Disconnect Time: 300ms minimum
REN: 0.8A
Connections: (2) gel-filled butt connectors

08905108C - 2 -
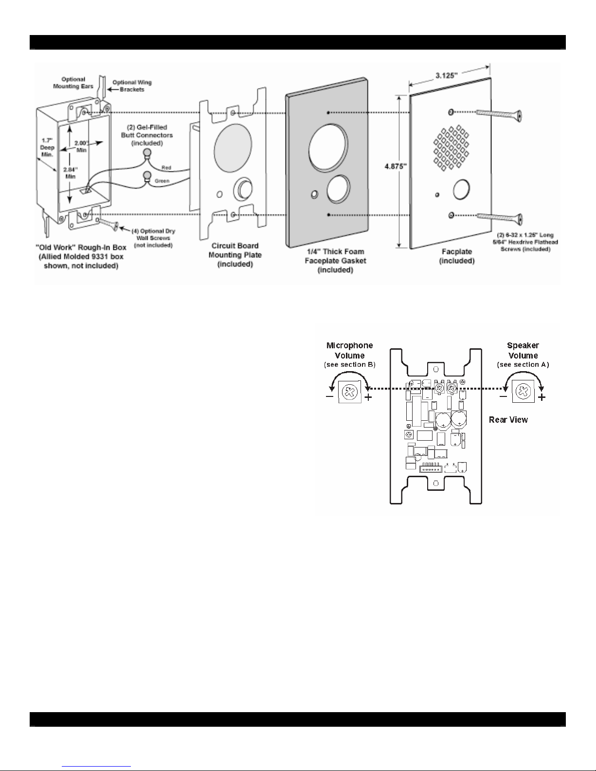
INSTRUCTIONS
The DCSS/DCCBB is designed to be flush mounted into a standard single gang Rough-In box with a
minimum inside dimension of 1.70” deep x 2.00” wide x 2.84” tall.
A. New Construction Flush Mounting
Step 1. Front of box should stick out approximately ½" from front surface of wall stud (this may vary
depending on the walls sheathing and siding thickness).
Caution: Rough-In box must be mounted LEVEL and must NOT stick out beyond the front surface of
siding.
Step 2. To maintain a vapor barrier on outside wall applications, caulk around the box, filling any
gaps between the box and the rough opening. Apply caulk to any holes in the box around wires, etc.
Step 3. When installing siding cut a hole just large enough for the Rough-In box opening.
Caution: Too large of a hole can cause plate misalignment and compromise the gasket seal.
Note: When mounting to 4 inch or less horizontal lap siding, the unit can be mounted horizontally
flush against siding or a siding mounting block can be used (recommended with vinyl siding). Contact
siding installer for the correct mounting block.
B. Old Work / Remodel Flush Mounting (Recommended Rough-In box: Allied Molded 9331)
Step 1. Make sure mounting location is free of wall studs, wires, etc.
Step 2. Place Rough-In box LEVEL against siding. Trace outline of box onto siding.
Note: When mounting to 4 inch or less horizontal lap siding, the unit can be mounted horizontally
flush against siding or a siding mounting block can be used. Contact your siding Installer for the
correct mounting block part number.
Note: A siding mounting block is recommended when mounting to vinyl siding.
Step 3. Cut a hole through the siding and wall sheathing just large enough for the rough-in box.
Caution: Too large of a hole can cause plate misalignment and compromise the gasket seal.
Step 4. The front surface of the Rough-In box can be mounted flush against wood siding or can be
recessed and mounted flush against wall sheathing when mounting on aluminum, steel or vinyl
siding.
Step 5. When mounting to 5/8 inch thick or less wall sheathing the two attached screws with wing
brackets can be used to secure the rough-in box. When mounting to surfaces thicker than 5/8 inch,
four standard flat head dry wall screws can be used to secure the Rough-In box through its mounting
ears.
Step 6. To maintain a vapor barrier on outside wall applications, caulk around the box, filling any
gaps between the box and the rough opening. Apply caulk to any holes in the box around wires, etc.
WARNING: Do not use a “Wet Location Box”

08905108C - 3 -
PROGRAMMING
A. Adjusting Speaker Volume
The speaker volume pot can be adjusted to i
or decrease the speaker volume to the level desi
ncrease
red.
. Adjusting the Microphone Volume ffic, ay ay
rd
e volume is set too high or
. Call Length Time Out mum length of time that calls can be connected to 5 minutes.
. Silence Time Out length of time that calls will remain connected without voice activity to 40
PERATIONS
button is pressed, the DCSS/DCCBB phone goes off-hook, much like a standard BB
DCSS/DCCBB will also answer any incoming call.
B
In certain noisy locations (background tra
machinery or wind), the microphone volume m
need to be decreased. A symptom of this is one-w
talk path, in which the distant party cannot be hea
over the speaker. A microphone volume pot is
provided for increasing or decreasing the
microphone volume.
Note: If the microphon
too low, one-way talk path may occur.
C
This feature limits the maxi
D
This feature limits the
seconds.
O
hen the pushW
speaker phone. In the event that the line is busy, the DCSS/DCCBB will hang-up. The DCSS/DCC
will also automatically hang up on CPC, silence, busy signal, return to dial tone or time out. The

08905108C - 4 -
product identifier in the format US:AAAEQ##TXXXX. If
quested, this number must be provided to the telephone company.
The REN is used to determine the number of devices that may be connected to a telephone line. Excessive REN's on a
telephone line may result in the devices not ringing in response to an incoming call. In most but not all areas, the sum of
the REN's should not exceed five (5.0) To be certain of the number of devices that may be connected to a line, as
determined by the total REN's, contact the local telephone company. For products approved after July 23, 2001, the REN
for this product is part of the product identifier that has the format US:AAAEQ##TXXXX. The digits represented by ## are
the REN without a decimal point (e.g., 03 is a REN of 0.3). For earlier products, the REN is separately shown on the label.
The plug used to connect this equipment to the premises wiring and telephone network must comply with the applicable
FCC Part 68 rules and requirements adopted by the ACTA. If your home has specially wired alarm equipment connected
to the telephone line, ensure the installation of this DCSS/DCCBB does not disable your alarm equipment. If you have
questions about what will disable alarm equipment, consult your telephone company or a qualified installer. If the
DCSS/DCCBB causes harm to the telephone network, the telephone company will notify you in advance that –temporary
discontinuance of service may be required. But if advance notice isn't practical, the telephone company will notify the
customer as soon as possible. Also, you will be advised of your right to file a complaint with the FCC if you believe it is
necessary.
The telephone company may make changes in its facilities, equipment, operations, or procedures that could affect the
operation of the equipment. If this happens, the telephone company will provide advance notice in order for you to make
the necessary modifications to maintain uninterrupted service. If trouble is experienced with the DCSS/DCCBB for repair
or warranty information, please contact:
XANTECH CORPORATION, 13100 TELFAIR AVE. SYLMAR, CA 91342 (818) 362-0353
If the equipment is causing harm to the telephone network, the telephone company may request that you disconnect the
equipment until the problem is resolved. Connection to Party Line Service is subject to State Tariffs. Contact the state
public utility commission, public service commission or corporation commission for information.
WHEN PROGRAMMING EMERGENCY NUMBERS AND (OR) MAKING TEST CALLS TO EMERGENCY NUMBERS:
Remain on the line and briefly explain to the dispatcher the reason for the call. Perform such activities in the off-peak
hours, such as early morning or late evenings. It is recommended that the customer install an AC surge arrester in the AC
outlet to which this device is connected. This is to avoid damaging the equipment caused by local lightning strikes and
other electrical surges.
PART 15 LIMITATIONS
This equipment has been tested and found to comply with the limits for a Class A digital device, pursuant to Part
15 of the FCC Rules. These limits are designed to provide reasonable protection against harmful interference when the
equipment is operated in a commercial environment. This equipment generates, uses, and can radiate radio frequency
energy and, if not installed and used in accordance with the instruction manual, may cause harmful interference to radio
communications. Operation of this equipment in a residential area is likely to cause harmful interference in which case the
user will be required to correct the interference at his own expense.
Installation Instructions, DCSS/DCCBB
© 2007 Xantech Corporation, Document #08905108C
This document is copyright protected. No part of this manual may be copied or reproduced in any form without prior written consent from Xantech
Corporation.
Xantech Corporation shall not be liable for operational, technical, or editorial errors/omissions made in this document.
FCC REQUIREMENTS
This equipment complies with Part 68 of the FCC rules and the requirements adopted by the ACTA. On the side of this
equipment is a label that contains, among other information, a
re
Xantech Corporation
13100 Telfair Avenue, 2/F
Sylmar, CA 91342
Dieses Handbuch passt für folgende Modelle
1
Inhaltsverzeichnis

















