
深圳市星科创科技有限公司
Shenzhen XingKeChuang Technology Co., Ltd.
Phone: 86-0755-33523599 FAX: 86-0755-33515410 URL: http://www.sz-xkc.com
Address: 11th Floor, No. 48, Xinyu Road, Xinqiao Community, Xinqiao Street, Baoan District, Shenzhen
4/ 15
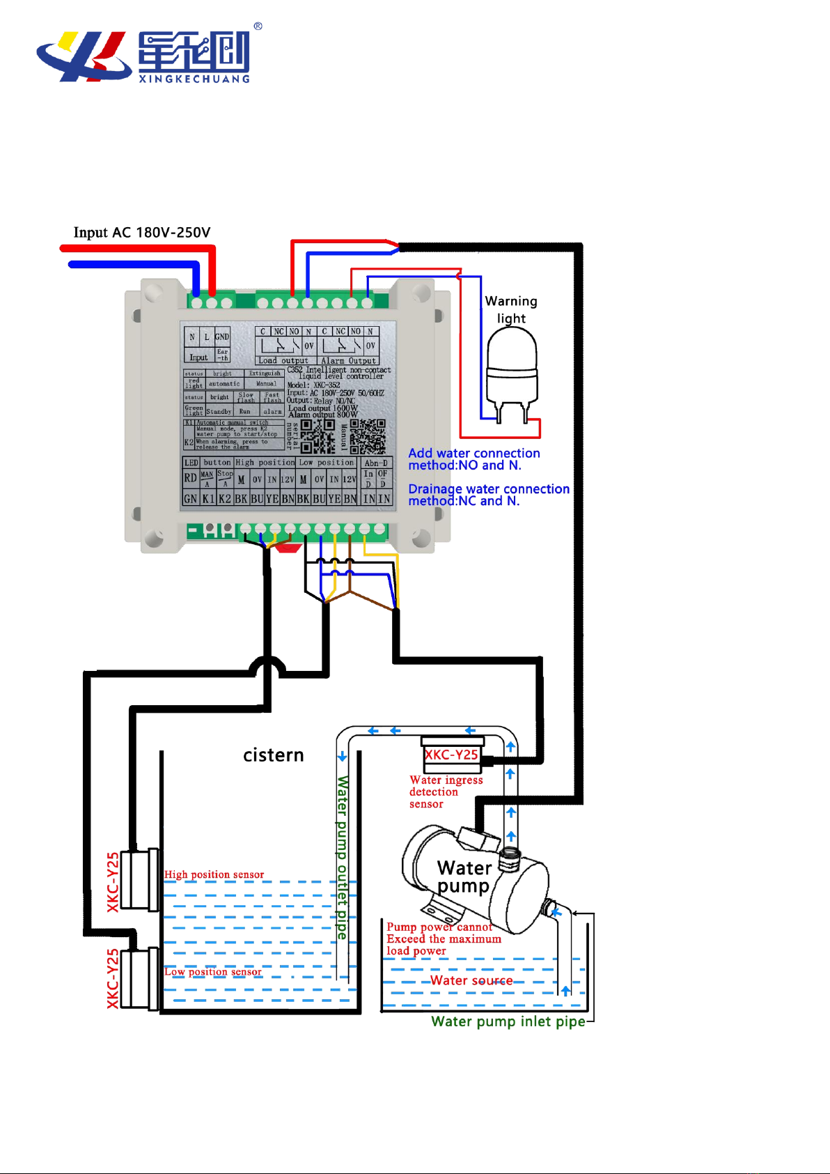
(Automatically enter the water)
2. Automatic drainage control : the water level rises to a high level, the water pump is automatically started,
and the water level is lower than the low level sensor, and the water pump is automatically turned off. (Automatic
drainage)
3. Manual automatic switching: The controller enters the automatic working mode by default when it is
turned on. Press the K1 key to switch the working mode. The red light is on for automatic mode, and the red light
is off for manual mode.
4. Water inlet pipe abnormal alarm: When the controller starts to pump water automatically, and the water
inlet pipe sensor cannot detect water within a certain period of time (within 10 to 30 seconds), the load output relay
is disconnected to stop pumping, and the alarm output relay is closed.
5. Abnormal water overflow alarm: the controller starts to pump water automatically, and when the water
surface rises to the position of the overflow alarm sensor, the load output relay is disconnected to stop pumping,
and the alarm output relay is closed.
6. Abnormal low sensor alarm: the controller starts to pump water automatically. If the low sensor fails or
falls off, and the water surface rises to the high sensor position, the load output relay is disconnected to stop
pumping, and the alarm output relay is closed.
7th.Recommended installation method description
XKC-C352 Intelligent non-contact liquid level controller (the bottom shell is equipped with 35mm track groove) can be
directly hung in the electric box and electric cabinet.
Sensor installation: different types of sensors have different installation methods, please refer to the relevant chapters of
the specifications corresponding to the sensor model you are using. I won't repeat them here.
8th.Recommended wiring and application diagram
Terminal description