
2
Inhalt
Inhalt.............................................................................................................................................2
Vorwort.........................................................................................................................................3
Vorwort.........................................................................................................................................3
Sicherheitshinweise....................................................................................................................3
Lieferumfang................................................................................................................................4
Merkmale......................................................................................................................................4
Benennung der Komponenten................................................................................................... 5
Montageanleitung........................................................................................................................6
A. Anschlüsse verbinden ........................................................................................................... 6
B. Deckenbefestigung Aufbau-Ausführung für hängende Decken............................................ 8
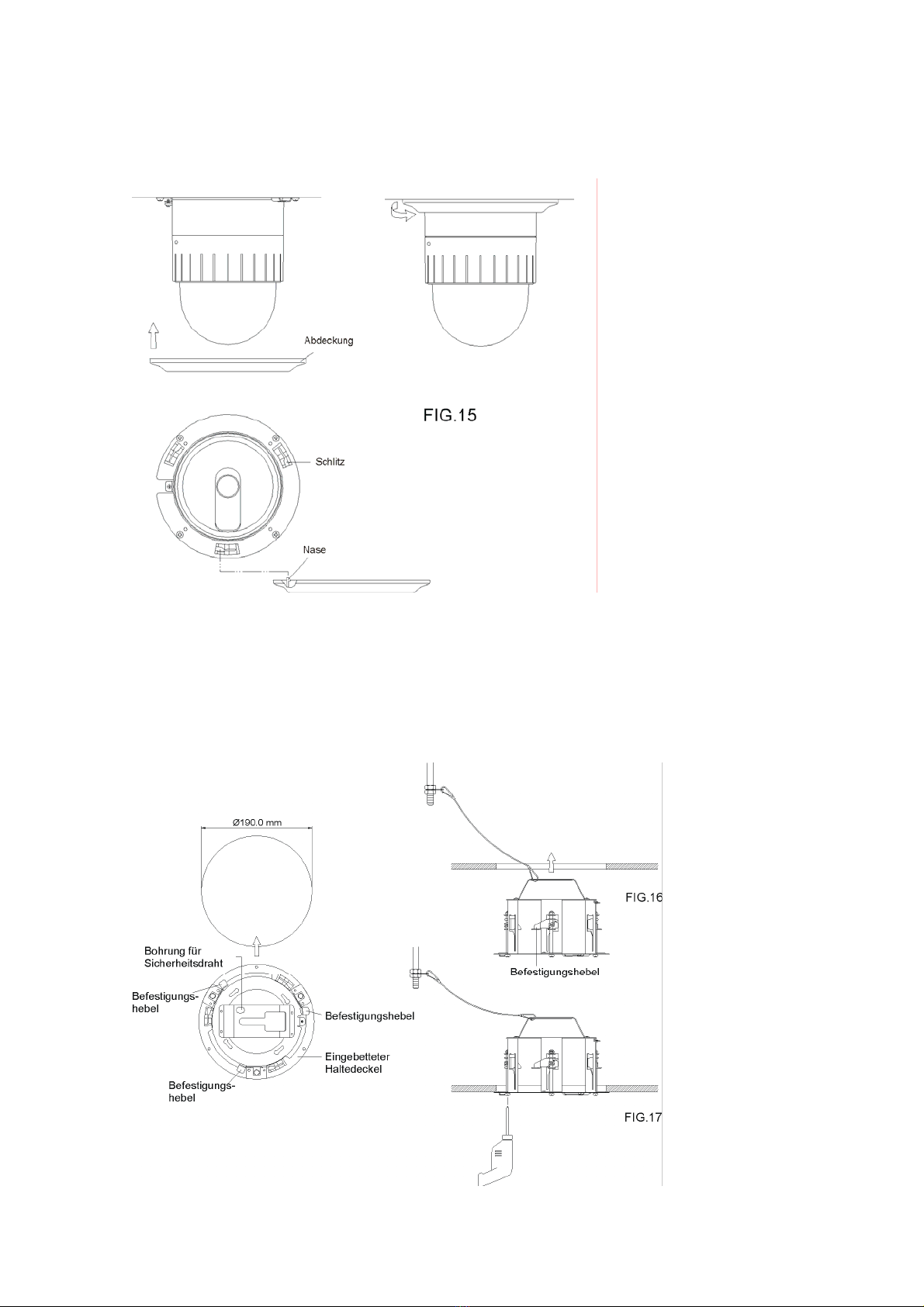
C. Deckenbefestigung Einbau-Ausführung für hängende Decken.......................................... 10
D. Deckenmontage Indoor-Adapter......................................................................................... 12
E. Montage Deckenhalter bzw. gebogener Wandarm mit Indoor-Adapter.............................. 13
F. Zusätzliches Zubehör .......................................................................................................... 15
Kurzanleitung Steuergeräte .....................................................................................................17
Steuerung mit Bedienpult TV7605........................................................................................... 17
Steuerung mit der Digi-Protect-Software................................................................................. 17
Steuerung mit den DVR TV8901-03........................................................................................ 18
Tastenkombinationen...............................................................................................................19
Pelco D/P Protokoll.................................................................................................................. 19
MAXPRO PROTOKOLL .......................................................................................................... 20
Diagnose (Selbsttest)................................................................................................................21
OSD-Menü Einstellungen .........................................................................................................23
A. OSD Menü Tabelle.............................................................................................................. 23
B. DOME EINSTELLUNGEN................................................................................................... 24
C. KAMERA EINSTELLUNGEN.............................................................................................. 29
D. PRESET EINSTELLEN....................................................................................................... 31
E. AUTO SCAN........................................................................................................................ 32
F. TOUR FESTLEGEN ............................................................................................................ 33
G. PRIVATZONEN ..................................................................................................................35
H. MUSTER ............................................................................................................................. 36
I. ALARM.................................................................................................................................. 37
J. BEREICH ............................................................................................................................. 38
K. ZURUECK ........................................................................................................................... 38
DIP Schalter-Stellungen............................................................................................................39
A. ID Einstellung ...................................................................................................................... 39
B. RS-485 Abschlusswiderstand ............................................................................................. 41
C. Protokoll .............................................................................................................................. 41
D. Baud Rate Einstellung......................................................................................................... 41
Technische Daten......................................................................................................................42
Abmessungen............................................................................................................................43