
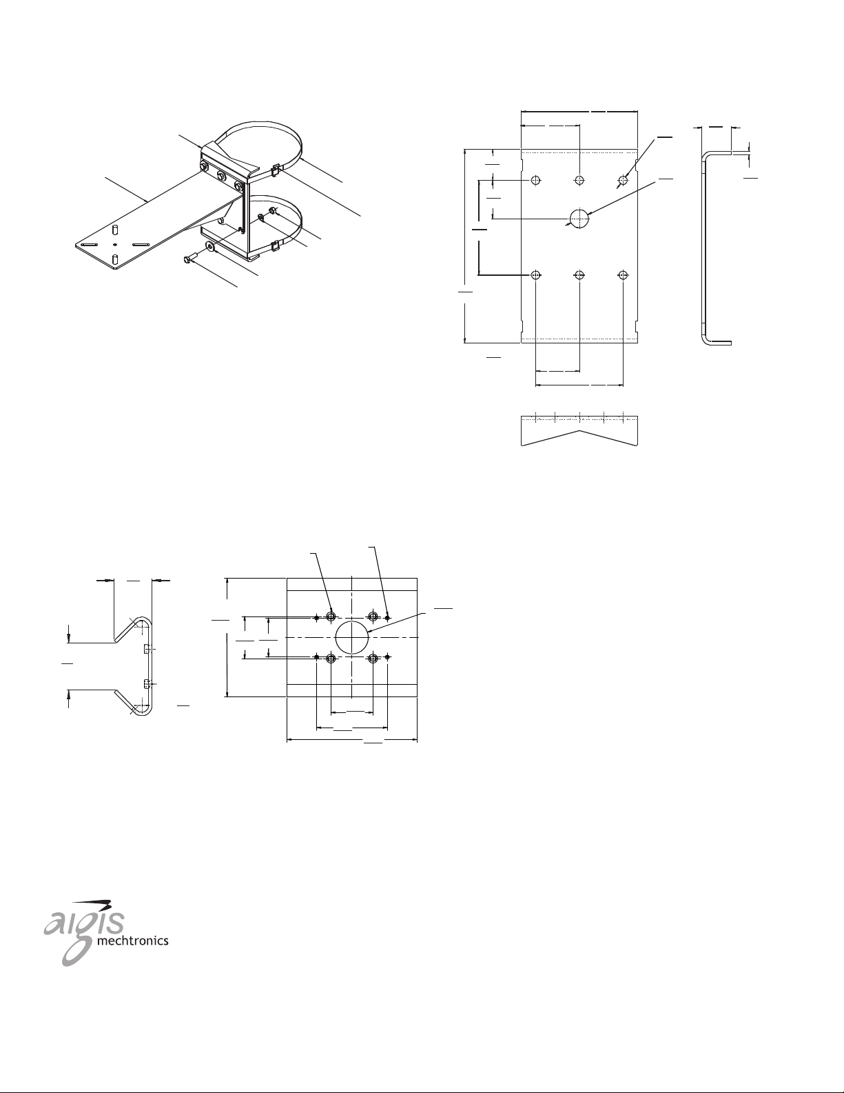
Band
Buckle
Lock Washer
Screw
Pole Mount
Wall Mount
3
4 INSTALLATION
Attention: Installation should be performed by qualified
service personnel only in accordance with applicable local
codes.
Attention: L'installation doit être effectuée uniquement
par des membres qualifiés du personnel de maintenance,
conformément à la réglementation locale en vigueur.
Achtung! Die Installation sollte nur von qualifiziertem
Kundendienstpersonal gemäß jeweilig zutreffender Lokal
Vorschriften aus-geführt werden.
Atención: La instalación de este equipo debe ser real-
izada por personal capacitado, solo en acuerdo, y en
cumplimiento de las normas del Gobierno Nacional
Local.
CAUTION: The following indoor/outdoor wall mounts
must be used with the corresponding pole mount
adapters. Do not exceed the Maximum Rated Load
for the particular wall mount used.
Attention: Les fixations murales d’intérieur/extérieur
suivantes doivent être utilisées avec les adaptateurs de
montage sur poteau correspondants. Ne jamais dépasser
la charge nominale maximum pour la fixation murale
utilisée.
Achtung!:Das folgende im/aussen Gestellwand müssen
gemaess Steckgestellpol benutzen. Nicht
Hoechstbeanspruchung einzeln Gestellwand benutzt.
PRECAUCION: Las siguientes monturas para pared
deben ser usadas con su correspondientes adaptadores
para poste. Favor no exceder la "Carga Máxima
Permitida" de la montura.
Bend Buckle
Tab Over Bands
Tension and
Bend Back Bands
4.1 Mount Compatibility
Pole Mount Suggested Maximum
Adapter Wall Mounts Rated Load
MT9213 MT9212 9 kg (20 lb)
MT9215 9 kg (20 lb)
MT9215S 9 kg (20 lb)
IND5AMT Use with the
IND5 Series only
MLAW Use with the
MLA Series only
MT9225 MT9216 45 kg (100 lb)
MT9222 90 kg (200 lb)
4.2 Tools Required
MT9213 Pole Mount Adapter
8 mm Hex Wrench.
Banding Tool (TC9311PM3T is recommended).
MT9225 Pole Mount Adapter
12 mm Hex Wrench.
Banding
T
ool (TC9311PM3T is recommended).
Figure 1: Banding Method
3. For model MT9213 with a MT9212, MT9215 or
MT9215S secure the wall mount to the pole mount using
the four (4) 8 mm screws and lock washers provided.
Use the four larger holes that are in a square pattern
around the center.See Figure 2.
4. For Model MT9213 with an IND5AMT or MLAW, secure
the wall mount to the pole mount using the four (4) No.
6 screws provided in the wall mount hardware kit. Use
the four smaller holes that are in a rectangular pattern
around the center.
Figure 2: Securing Model MT9213
4.3 Mounting
1. Attach the bracket to the pole at the desired height using
the two straps and two buckles provided.
2. Tension the straps according to the instructions for the
banding tool used. Banding tool,TC9311PM3T, is recom-
mended and may be purchased separately.
ABAND-IT® Tool Instruction Chart is provided
with each pole mount. Figure 1 shows how the ends of
the bands are bent around the buckle.