
Installation Instructions:
1. Mount unit in desired location/enclosure.
Carefully review:
Typical Application Diagram (pg. 4) Terminal Identification Table (pg. 5)
LED Diagnostics (pg. 5) Hook-up Diagrams (pg. 6)
2. Power supply input:
The units can be powered with one (1) power supply which will provide power for both board operation and
the locking devices or two (2) separate power supplies, one (1) to provide power for the board operation and
the other to provide power for the locking devices and/or access control hardware.
Note: The input power can be either 12 to 24 volts AC or DC (.6 amp @ 12volt, .3 amp @ 24volt current
consumption with all relays energized).
(a) Single power supply input:
If the unit and the locking devices are to be powered using a single power supply, connect the output
(12 to 24 volts AC or DC) to the terminals marked [- Control +].
(b) Dual power supply inputs (Fig. 1, pg. 4):
When the use of two power supplies is desired, jumpers J1 and J2 (located to the left of the power/control
terminals) must be cut. Connect power for the unit to the terminals marked [- Control +] and connect power for the
locking devices to the terminals marked [- Power +].
Note: When using DC power supplies polarity must be observed. When using AC power supplies polarity
need not be observed.
Note: For UL compliance the power supplies must be UL Listed for Access Control Systems and accessories.
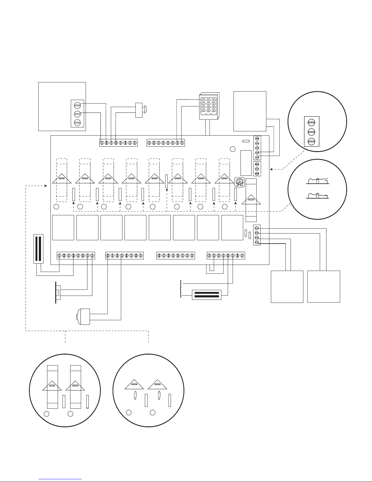
3. Output options (Fig. 1, pg. 4):
The ACM8/ACM8E will provide either eight (8) switched power outputs, eight (8) dry form “C” outputs, or
any combination of of both switched power and form “C” outputs, plus eight (8) unswitched auxiliary power outputs.
The ACM8CB/ACM8CBE will provide eight (8) switched power outputs or eight (8) unswitched auxiliary power
outputs.
(a) Switched Power outputs:
Connect the negative (-) input of the device being powered to the terminal marked [COM]. For Fail-Safe operation
connect the positive (+) input of the device being powered to the terminal marked [NC]. For Fail-Secure operation
connect the positive (+) input of the device being powered to the terminal marked [NO].
(b) Form “C” outputs (ACM8 & ACM8E):
When form “C” outputs are desired the corresponding output fuse (1-8) must be removed. Connect negative (-) of
the power supply directly to the locking device. Connect the positive (+) of the power supply to the terminal marked
[C]. For Fail-Safe operation connect the positive (+) of the device being powered to the terminal marked NC]. For
Fail-Secure operation connect the positive (+) of the device being powered to the terminal marked [NO].
(c) Auxiliary Power outputs (unswitched):
Connect positive (+) input of the device being powered to the terminal marked [C] and the negative (-) of the device
being powered to the terminal marked [COM]. Output can be used to provide power for card readers, keypads etc.
4. Input trigger options (Fig. 1, pg. 4):
(a) Normally Open [NO] input trigger:
Inputs 1-8 are activated by normally open or open collector sink inputs.
Connect devices (card readers, keypads, request to exit buttons etc.) to terminals marked [IN] and [GND].
(b) Open Collector Sink inputs:
Connect the access control panel open collector sink positive (+) to the terminal marked [IN] and the
negative (-) to the terminal marked [GND].
5. Fire Alarm Interface options (Figs. 3 through 7, pg. 6):
A normally closed [NC], normally open [NO] input or polarity reversal input from FACP signaling circuit will
trigger selected outputs. To enable FACP Disconnect for an output open the corresponding switch [SW1-SW8].
To disable FACP disconnect for an output close the corresponding switch [SW1-SW8].
(a) Normally Open [NO] input:
For non-latching hook-up (Fig. 4, pg. 6). For latching hook-up (Fig. 5, pg. 6).
(b) Normally Closed [NC] input:
For non-latching hook-up (Fig. 6, pg. 6). For latching hook-up (Fig. 7, pg. 6).
(c) FACP Signaling Circuit input trigger:
Connect the positive (+) and negative (-) from the FACP signaling circuit output to the terminals marked [+ INP -].
Connect the FACP EOL to the terminals marked [+ RET -] (polarity is referenced in an alarm condition).
- 3 -