Features
•High Performance RF-CMOS 2.4GHz radio transceiver targeted for
IEEE®802.15.4, ZigBee®, RF4CE, 6LoWPAN, and ISM applications
•Industry leading link budget:
- Receiver sensitivity -100dBm
- Programmable output power from -17dBm up to +3dBm
•Ultra-low current consumption:
- SLEEP = 0.4µA
- TRX_OFF = 330µA
- RX_ON = 11.8mA (LISTEN)
- BUSY_TX = 13.8mA (at max. transmit power)
•Ultra-low supply voltage (1.8V to 3.6V) with internal regulator
•Support for coin cell operation
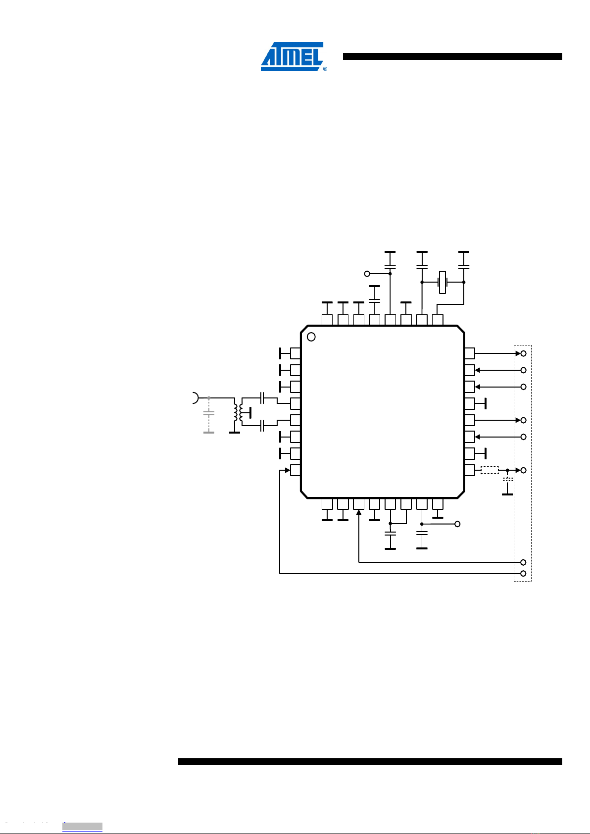
•Optimized for low BoM cost and ease of production:
- Few external components necessary (crystal, capacitors and antenna)
•Easy to use interface:
- Registers, frame buffer and AES accessible through fast SPI
- Only two microcontroller GPIO lines necessary
- One interrupt pin from radio transceiver
- Clock output
•Radio transceiver features:
- 128-byte FIFO (SRAM) for data buffering
- Fully integrated, fast settling PLL to support Frequency Hopping
- Battery monitor
- Fast Wake-Up time < 0.4msec
•Special IEEE 802.15.4™-2011 hardware support:
- FCS computation and Clear Channel Assessment
- RSSI measurement, Energy Detection and Link Quality Indication
•MAC hardware accelerator:
- Automated acknowledgement, CSMA-CA and retransmission
- Automatic address filtering
- Automated FCS check
•Extended feature set hardware support:
- AES 128-bit hardware accelerator
- Antenna Diversity
- True Random Number Generation for security application
•Commercial temperature range:
- 0°C to +70°C
•I/O and packages:
- 32-pin low-profile QFN package 5 x 5 x 0.9mm³
- RoHS/Fully Green
•Compliant to IEEE 802.15.4-2011, IEEE 802.15.4-2006 and IEEE 802.15.4-2003
•Compliant to EN 300 328/440, FCC-CFR-47 Part 15, ARIB STD-66, RSS-210