
MODE D’EM LOI F
CLE A CHOCS REVERSIBLE DE 1”
art. 1930 A
NOTICE D’UTILISATION OUR CLES A
CHOCS ET CLIQUETS A ERCUSSION
#CB7:27AB@70CV>/@
BETA UTENSILI S A
VIA A. VOLTA 18
20050 SOVICO (MB)
ITALIE
A REMETTRE OBLIGATOIREMENT A
L’UTILISATEUR
Avant d’utiliser, réparer, effectuer toute opération
d’entretien ou substituer quelque accessoire que ce soit,
VEUILLEZ LIRE ATTENTIVEMENT TOUS LES OINTS DE
LA NOTICE D’UTILISATION afin de réduire les risques
d’accident encourus par les opérateurs.
MESURES DE SECURITE OUR CLE A CHOCS ET
CLIQUETS NEUMATIQUE A ERCUSSION
"=B@3=0831B743AB234=C@<7@23A=CB7:A><3C;/B7?C3A?C7
>3@;3BB3<B23B@/D/7::3@234/U=<34471/133B3<B=CB3
')&(
$=C@:•CB7:7A/B7=<2•C<=CB7::3;37::3C@27A>=A7B7423AV1C@7BV@3AB3
3<1=@3:•=>V@/B3C@1/@A3C:AC<3<B@3B73<1=@@31B3BC<
;/F7;C;2•/BB3<B7=<2/<A:3A=>V@/B7=<A5/@/<B7AA3<BC<3
>@=B31B7=<34471/131=<B@3:3A@7A?C3A2•/11723<B
*C:•7;>=AA707:7BV232@3AA3@C<3:7AB31=;>:WB323B=CA:3A
@7A?C3A>=AA70:3A<=CA<=CA:7;7B3@=<AP3<17B3@:3A>:CA
A75<7471/B74A
&/>>3:=<A3<=CB@3?C313B=CB7:<32=7BXB@3CB7:7AV?C3>/@C<
>3@A=<<3:?C/:747V3B?C3A=<@V57;32•3F>:=7B/B7=<<32=7B3<
/C1C<1/AXB@34=@1V
"3>=CAA3H>/A:•=CB7:P=>V@3@/D3123A@3<23;3<BA>:CA
V:3DVA3B=C>:CA>C7AA/<BA
RISQUES LIES A LA CONNEXION A L’AIR COM RIME
•/7@1=;>@7;V>3CB0:3AA3@5@/D3;3<B:3A>3@A=<<3A
"3>/A27@753@:•/7@D3@AA=7=C3<27@31B7=<23B73@A
•/7@?C7A•V16/>>323ABCG/CF>3CB0:3AA3@AV@73CA3;3<B:3A
>3@A=<<3A1=<B@`:3@>V@7=27?C3;3<BA7:3ABCG/CF3B=C:3A
@/11=@2AA=<23AA3@@VA3B=C3<2=;;/5VA
3A1=C>A234=C3B23ABCG/CF4:3F70:3A>3CD3<BXB@34=@B
2/<53@3CF
$=C@B=CB37<B3@D3<B7=<AC@:•=CB7:43@;3@/C>/@/D/<B
:•7<AB/::/B7=<>@7;/7@3:/7AA3@V16/>>3@:/>@3AA7=<@VA72C3::3
>@VA3<B32/<A:3BCG/C3B2V0@/<163@:•=CB7:A3C:3;3<B:=@A?C3
13:C717<•3AB>/A3<4=<1B7=<
"3>/A2V>/AA3@:/>@3AA7=<;/F7;C;230/@;3AC@V3P
:•/@@7DV323:•/7@23:•=CB7:3<VB/B23;/@163=C:/D/:3C@
7<27?CV3>/@:/>:/?C3BB3>@VA3<B3AC@:•=CB7:
AUTRES RISQUES
!/7<B3<7@C<327AB/<1323AV1C@7BVD7APD7A23A>/@B73A3<
@=B/B7=<23:•=CB7:
"3>/A>=@B3@2316/[<3A=C231=::73@A23;X;3?C323A
0@/13:3BA3B23ADXB3;3<BA:/@53A
D7B3@?C3:3A/113AA=7@3A=C:3A=CB7:A<•3<B@3<B3<1=<B/1B
/D31:3A163D3CF
D7B3@B=CB1=<B/1B27@31B/D31:3A/113AA=7@3A3<;=CD3;3<B
>3<2/<B3B/>@WA:•CA/53
orter toujours des gants de travail pour réduire les
risques de coupure et brûlure.
RISQUES DUS AUX ROJECTIONS ET FRAGMENTS
BB3<B7=<(=CB3>@=831B7=<=C4@/5;3<B>3CB3<2=;;/53@:3A
G3CF3B>@=D=?C3@:/1V17BV
Durant toute sorte d’intervention (utilisation, entretien,
substitution accessoires ou pièces détachées) porter
toujours des lunettes de protection; cette précaution
s’applique également aux personnes se trouvant à
proximité.
)B7:7A3@C<7?C3;3<B23A2=C7::3AP16=13<0=<<3A1=<27B7=<A
D7B3@/0A=:C;3<B:•CB7:7A/B7=<232=C7::3A
•CB7:7A/B7=<238=7<BA3B@/::=<53A3AB2V1=<A37::V1/@=CB@3:3
4/7B23@V2C7@3:/>C7AA/<1323:/1:VP16=1A13://C5;3<B3:3
@7A?C323@C>BC@3<•CB7:7A3@2=<123A2=C7::3AP16=1A:=<5C3A
?C3:=@A?C•3::3AA=<B@3?C7A3A
"3>/ACB7:7A3@:•=CB7:234/U=<7</>>@=>@7V31/@13:C717>=C@@/7B
4=<1B7=<<3@B@=>@/>723;3<B3B>@=D=?C3@/7<A7:•3F>C:A7=<23A
/113AA=7@3A
RISQUES LIES AUX CONDITIONS DE TRAVAIL
/7@3/BB3<B7=</CFBCG/CFB@WA:=<5A:/7AAVAAC@:3:73C23
B@/D/7:3<3443B:3A16CB3A3B:3AB@V0C163;3<BAA=<B:/1/CA3
>@7<17>/:323A:VA7=<A5@/D3A
3A<7D3/CF230@C7BV:3DVA>3CD3<B>@=D=?C3@C<3>3@B3
>3@;/<3<B323:•=C\3porter les casques antibruit
conseillés par votre employeur et/ou les règlements.
!/7<B3<7@C<3>=A7B7=<2C1=@>A073<V?C7:70@V33BAe@3
3A;=CD3;3<BA@V>VB7B74A3B23A>=A7B7=<A;/:1=;;=23A
/AA=17VAP:•3F>=A7B7=<23D70@/B7=<A>3CD3<B4/7@3;/:/CF
;/7<A3B/CF0@/A>@3<2@3:3A;3AC@3A23>@V1/CB7=<
/>>@=>@7V3A
"3>/A7<A>7@3@:/>=CAA7W@33B:3A>/@B71C:3A3<ACA>3<A7=<
2/<A:•/7@porter un masque antipoussière.
3A=>V@/B3C@A3B:3>3@A=<<3:23:•3<B@3B73<2=7D3<B
>6GA7?C3;3<BXB@33<;3AC@323;/<7>C:3@:3A27;3<A7=<A:3
>=72A3B:/>C7AA/<132313B=CB7:
3B=CB7:<•/>/AVBV1=<AB@C7B>=C@XB@3CB7:7AV2/<A23AH=<3A
P@7A?C32•3F>:=A7=<3B<•3AB>/A7A=:V>=C@3<B@3@3<1=<B/1B
/D3123AA=C@13A2•V<3@573V:31B@7?C3
AUTRES NORMES CONCERNANT LA SECURITE
"3;=27473@=C/:BV@3@3</C1C<34/U=<13B=CB7:3BA3A
1=;>=A/<BA3B/113AA=7@3A
3A;/BV@7/CF234/0@71/B7=<2313B=CB7:A=<BA=C;7AP:•CAC@3
&/>>3:=<A?C3:3AB@/D/CF@V/:7AVA/D3123A=CB7:AP/7@
1=;>@7;V>3CD3<B>@=2C7@323AD70@/B7=<AV:3DV3A/2=>B3@>/@
1=<AV?C3<BB=CB3A:3A>@V1/CB7=<A/>>@=>@7V3A
"38/;/7A>:/13@:3A;/7<A3<B@3:•=CB7:3B3<=083B?C3:1=<?C3
OUR DAVANTAGE D’INFORMATTIONS CONCERNANT LA
SECURITE VEUILLEZ CONSULTER:
3A2=1C;3<BA7<4=@;/B7=<A3B7<AB@C1B7=<A4=C@<7A/D3113B
=CB7:
*=B@33;>:=G3C@:3A)<7=<A3BAA=17/B7=<A231/BV5=@733B=C
AG<271/:3A
3=<A37:23:/=;;C</CBVC@=>V3<<33B=C:3A
#@5/<7A;3A:=1/CF
'/43BG&3?C7@3;3<BA=@/<23:2"=<:31B@71(==:A
"=@;3A23AV1C@7BV>=C@:3A=CB7:A;/<C3:AP/:7;3<B/B7=<<=<
V:31B@7?C327A>=<70:3/C>@WA2CC@=>3/<=;;7BB334=@
'B/<2/@27H/B7=<&C323'B/AA/@B@CF3::3A3:57?C3
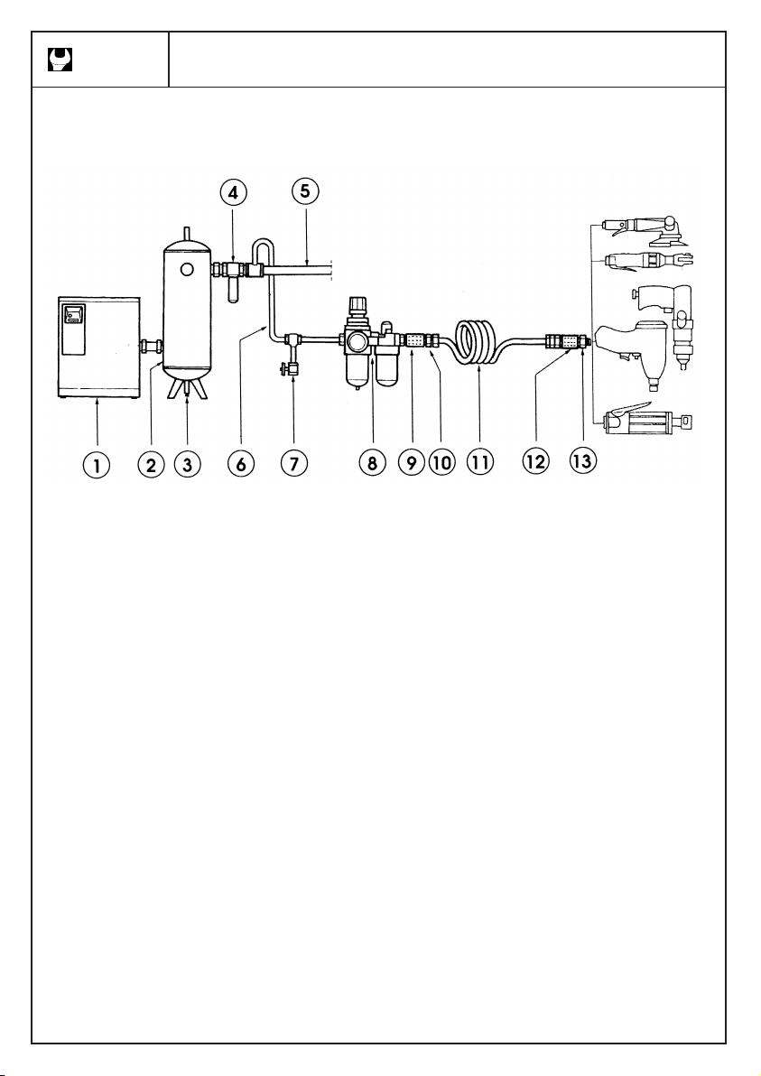
NORMES OUR UN BRANCHEMENT CORRECT DE L’AIR
:7;3<B3@:•=CB7:/D3123:•/7@>@=>@3A/<A3/C=C1=<23<A/B7=<
PC<3>@3AA7=<230/@@3:3DV3P:•3<B@V323:•=CB7:3<;/@163
)<3>@3AA7=<B@=>V:3DV3@V2C7B:/2C@V323D7323A
1=;>=A/<BA;V1/<7?C3A3B>3CB>@VA3<B3@23A@7A?C3A5@/D3A
>=C@:3A>3@A=<<3A
@/<163@:•=CB7:P:•7<AB/::/B7=<2•/:7;3<B/B7=<3<CB7:7A/<B:3A
/113AA=7@3A/G/<B:3A27;3<A7=<A7<27?CV3AAC@:3A16V;/
178=7<B
"3>/A7<AB/::3@23@/11=@2A@/>723A27@31B3;3<BP:/>@7A32•/7@
23:•=CB7:
=<AC:B3@:3A7<AB@C1B7=<A>=C@C<1=C>:31=@@31B23A
/113AA=7@3A
=<AC:B3@:3A1/@/1BV@7AB7?C3AB316<7?C3A@3>=@BV3AAC@:/