
BARTON®MODEL 753A
GAGE PRESSURE TRANSMITTER
User Manual
Part No. 9A-10840, Rev. 02
March 2020
Contents
Safety............................................................................................................ 2
Section 1—Introduction................................................................................. 3
General ......................................................................................................... 3
Product Description....................................................................................... 3
Gage Pressure Transducer ...................................................................... 3
Electronic Transmitter................................................................................ 3
Power Supply ............................................................................................ 4
Zero and Span Control.................................................................................. 4
Zero Control .............................................................................................. 4
Span Control ............................................................................................. 4
Specications ............................................................................................... 5
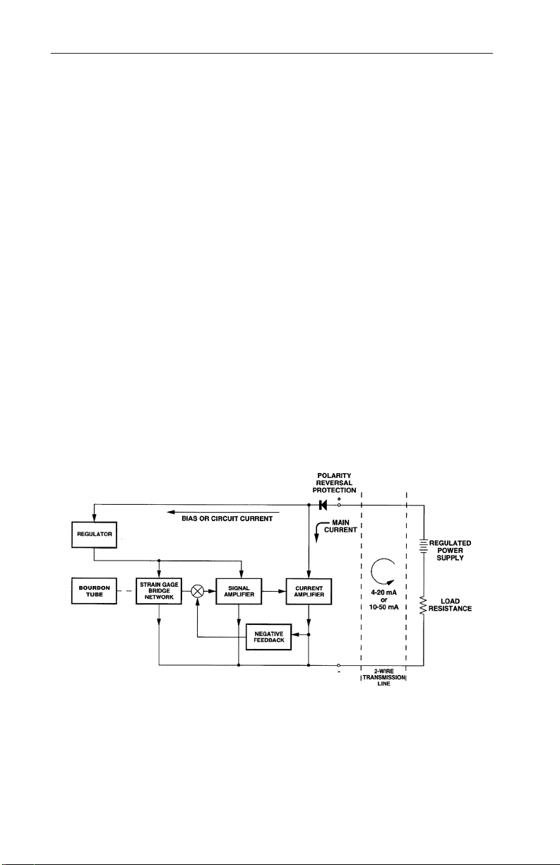
Section 2—Theory of Operation.................................................................... 7
Basic Components........................................................................................ 7
Gage Pressure Transducer ....................................................................... 7
Electronic Transmitter................................................................................ 7
Basic Operation ............................................................................................ 7
Surge Voltage Protection Circuit .............................................................. 8
Reverse Polarity Protection....................................................................... 8
Regulator................................................................................................... 8
Strain Gage Bridge Network ..................................................................... 8
Signal Amplier.......................................................................................... 9
Current Amplier........................................................................................ 9
Temperature Compensation.......................................................................... 9
Section 3—Installation, Startup, and Shutdown........................................ 10
Overview..................................................................................................... 10
Unpacking/Inspection.................................................................................. 10
Initial Calibration Check .............................................................................. 10
Mounting ..................................................................................................... 10
Wall or Rack Mounting ............................................................................ 10
Piping Guidelines.........................................................................................11
Electrical Connections ................................................................................11
Loop Resistance Calculations................................................................. 13
Maximum Loop Resistance..................................................................... 14